Iklan 300x250

37 club car front end parts diagram

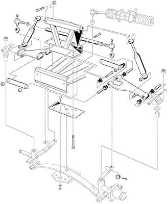
Front Suspension Components for Club Car Golf Carts from Buggies unlimited. Creation date. Nov 1, 2020. Tags. club car front suspension diagram. Overview Discussion. Club Car DS Front Suspension Parts Diagrams - Front Suspension Parts Diagrams for Mid 90's Club Car DS Models. [ATTACH type="full"... You do not have permission to view the full content of this resource. Log in or register now.

Check out our page for the most comprehensive list of the Club Car Parts Manuals from the largest authorized dealer in Southern California. Rating: 4,2 · ‎181 votes

Club car front end parts diagram

Club car front end parts diagram

Club car front spring mounting plate fits select ds and xrt models item. Front suspension lower. Blockbuster golf cars inc offers golf cart suspension parts front hubs with bearings front wheel seals and lug bolts as well as spindle dust covers and eccentric adjustment screws for your needs. Your source for club car golf cart parts largest. 05.11.2021 · Our Cart Company providing parts, service and rentals. Club Car DS / Precedent Navitas 600-Amp 48-Volt Controller Navitas Club Car 5KW DC to AC Conversion Kit w/ OTF Programmer. A much longer bar code : ADC051180550616DZ None of the LETTERS match what is required on the Speed Code 5 Web page. I put smaller wheels and tires so the center of gravity is pretty low plus it … 02.11.2021 · November 2021 - access-templates.com, you can download various access databases and templates for microsoft access software. Get MS access template samples for small business company, non profit education organization and student.

Club car front end parts diagram. Motorcycle Spare Parts. Electric scooter wiring diagram carlplant size. Vintage 1968 Harley Davidson Aermacchi M-50 Motorcycle: 2-stroke engine, motorcycle in I'm parting out the remains of two 1960's Harley Davidson M50 Motorbikes, made in Italy by Aermacchi. Website: www. He is specialised in 250cc 4 Strokes. Motorcycle Parts & Accessories. No parts appearing are licensed, sponsored or ... 1984-1991 Club Car DS Gas - GolfCartPartsDirect. Location. 1984-1991 Club Car Gas. 1984-1991 Club Car Gas. Browse our online catalog to find the parts you need for your 1984-1991 Club Car Gas Golf Cart. Click on the image or link to view a full diagram and order parts. Accelerator Pedal Assy. Air Cleaner. Wiring Diagram for Club Car Electric Golf Cart Inspirationa Diagram Likewise Club Car Golf Cart Wiring. We collect plenty of pictures about Club Car Parts Diagram Front End. and finally we upload it on our website. Many good image inspirations on our internet are the very best image selection for Club Car Parts Diagram Front End. . 14 Dec 2016 — Handphone tablet desktop original size back to club car parts diagram front end. Blockbuster golf cars inc offers golf cart suspension parts ...

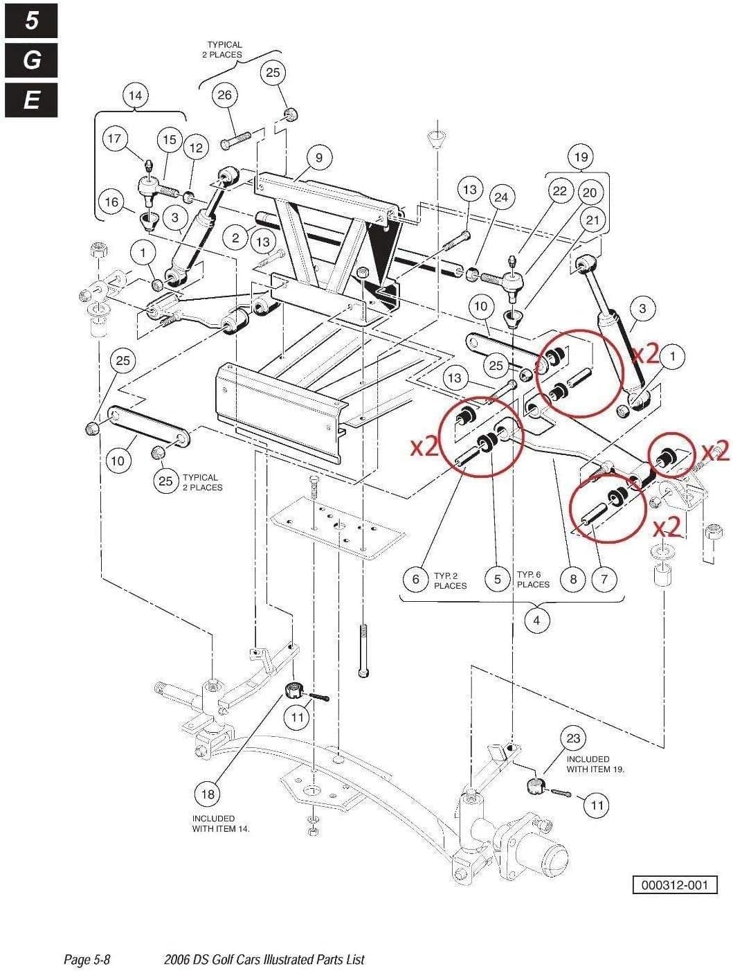
ItemPriceQty RequiredDiagram ID103777201 ‑ SPINDLE ASSEMBLY L.H. (2000‑2003)$265.6111102354203 ‑ ASM‑ SPINDLE‑ LH (2004 ‑ 2013)$163.3111103777301 ‑ SPINDLE ASSEMBLY R.H. (2000‑2003)$273.0912View 28 more rows Club Car Parts Diagram Front End. Posted through carpny team from may 13 2016. Steering and front suspension parts club car steering and front suspension parts golf car catalog has an immense selection of steering and front suspension parts for club car ds and precedent model golf carts many of their utility vehicles and personnel carriers. Front Suspension parts for Club Car Golf Carts. The Kaiser was of an advanced front wheel drive design while the Frazer was an upscale conventional rear wheel drive car. The production costs and the limited time available prevented the front wheel drive design from entering production, so the new 1947 Kaiser and Frazer shared bodies and powertrains. Being some of the first newly designed cars on the market while the " Big Three" were still ...

Golf Car Catalog has an immense selection of steering and front suspension parts for Club Car DS and Precedent model golf carts, many of their utility vehicles, ... Club car front end parts diagram. Home club car ds front end repair kit fits 1993 up club car ds front end repair kit fits 1993 up on sale limited time. Front suspension parts for club car ds xrt carryall and precedent golf cart models. Club car precedent rear leaf spring lock nut bolt fits 2004 up item. Can i get a diagram of the front end parts. Looking for top-quality front end suspension parts for a stable Club Car ride? DIY Golf Cart offers a huge stock of DS and Precedent shocks, spindles, ... The Gallowgate End housing the No.9 bar and the club shop faces the city, so away fans have to walk around the other side for the Leazes stand. I'm told it's quite a number of stairs up to level 7, so make sure to keep your eyes peeled for the lift when you get through the turnstiles. It really made life easier! Once inside, the size and scale of the stadium hits you. It really is fantastic.

1

1

Etymology and spelling. The word tire is a short form of attire, from the idea that a wheel with a tire is a dressed wheel.. The spelling tyre does not appear until the 1840s when the English began shrink fitting railway car wheels with malleable iron. Nevertheless, traditional publishers continued using tire.The Times newspaper in Britain was still using tire as late as 1905.

Club Car Intellitach Xrt 1550 Manuals Manualslib

Club Car Intellitach Xrt 1550 Manuals Manualslib

Description : Xj Cherokee Replacement Suspension – 4 Wheel Parts in Front End Suspension Parts Diagram, image size 630 X 590 px. Description : Front Suspension – Lower – Club Car Parts & Accessories with regard to Front End Suspension Parts Diagram, image size 580 X 770 px. Description : 70-78 Front Suspension Parts Diagram throughout ...

Vehicle Parts Accessories Car Parts Ashtonballito Co Za Genuine Vw Front Suspension Hexagon Collar Nut M10 N 10286110

Vehicle Parts Accessories Car Parts Ashtonballito Co Za Genuine Vw Front Suspension Hexagon Collar Nut M10 N 10286110

English. 102397505. IPL, 2004-2005 Turf/Carryall 272-472 (Gasoline Vehicles) IPL. English. 102397504. IPL, 2004 Limo II Golf Car (Gasoline and Electric Vehicles) IPL. English.

How Golf Cart Is Made Material Manufacture Used Parts Components Steps Machine

How Golf Cart Is Made Material Manufacture Used Parts Components Steps Machine

Need to replace any of the steering parts on your Club Car golf cart? We've got brand new replacement gas parts for all Club Car golf carts.

2009 Yamaha Golf Car Concierge 4 Pass Ydra Svs Front Suspension Big Sky Golf Cars

2009 Yamaha Golf Car Concierge 4 Pass Ydra Svs Front Suspension Big Sky Golf Cars

02.11.2021 · November 2021 - access-templates.com, you can download various access databases and templates for microsoft access software. Get MS access template samples for small business company, non profit education organization and student.

Front Suspension Parts For Club Car Golf Carts Carts Zone Your Source For Golf Cart Parts

Front Suspension Parts For Club Car Golf Carts Carts Zone Your Source For Golf Cart Parts

05.11.2021 · Our Cart Company providing parts, service and rentals. Club Car DS / Precedent Navitas 600-Amp 48-Volt Controller Navitas Club Car 5KW DC to AC Conversion Kit w/ OTF Programmer. A much longer bar code : ADC051180550616DZ None of the LETTERS match what is required on the Speed Code 5 Web page. I put smaller wheels and tires so the center of gravity is pretty low plus it …

Front Suspension And Steering Ezgo Golf Cart

Front Suspension And Steering Ezgo Golf Cart

Club car front spring mounting plate fits select ds and xrt models item. Front suspension lower. Blockbuster golf cars inc offers golf cart suspension parts front hubs with bearings front wheel seals and lug bolts as well as spindle dust covers and eccentric adjustment screws for your needs. Your source for club car golf cart parts largest.

Club Car Front Leaf Spring Fits Select Ds Precedent Models Carrus Parts For Your Carts

Club Car Front Leaf Spring Fits Select Ds Precedent Models Carrus Parts For Your Carts

Yamaha G1 E2 Golf Car 1981 Front Suspension Wheel Buy Original Front Suspension Wheel Spares Online

Yamaha G1 E2 Golf Car 1981 Front Suspension Wheel Buy Original Front Suspension Wheel Spares Online

Club Car Carry All Parts Diagram Diagram Base Website Parts Club Car Accessories

Club Car Carry All Parts Diagram Diagram Base Website Parts Club Car Accessories

Club Car Tie Rod End For Ds G E 1976 2008 Driver And Passenger Side Oem 75397540 Tie Rod Ends Discount Sales Rajeevshukla Com

Club Car Tie Rod End For Ds G E 1976 2008 Driver And Passenger Side Oem 75397540 Tie Rod Ends Discount Sales Rajeevshukla Com

Club Car Precedent Front End Parts Online Discount

Club Car Precedent Front End Parts Online Discount

Front Suspension Upper Golfcartpartsdirect

Front Suspension Upper Golfcartpartsdirect

2

2

Moog Tie Rod End And Drag Link Parts Schematic Ford Truck Enthusiasts Forums

Moog Tie Rod End And Drag Link Parts Schematic Ford Truck Enthusiasts Forums

Spindle Bushing Kit Fits For Club Car Ds Golf Cart 1981 Up 7048 8067 1016389 102288401 1010150 Buy Online At Best Prices In Pakistan Daraz Pk

Spindle Bushing Kit Fits For Club Car Ds Golf Cart 1981 Up 7048 8067 1016389 102288401 1010150 Buy Online At Best Prices In Pakistan Daraz Pk

Car Truck Parts Details About For 1990 1992 Volkswagen Jetta Control Arm Bushing Rear 25114dw 1991 Motors

Car Truck Parts Details About For 1990 1992 Volkswagen Jetta Control Arm Bushing Rear 25114dw 1991 Motors

Running Gear Ynet Website

Running Gear Ynet Website

Club Car Ds Front Suspension Parts Diagrams Cartaholics Golf Cart Forum

Club Car Ds Front Suspension Parts Diagrams Cartaholics Golf Cart Forum

Buy Bushing Kits For Club Car Ds Front Lower Spring Front Upper A Arm Suspension Online In Indonesia B08xm6qplr

Buy Bushing Kits For Club Car Ds Front Lower Spring Front Upper A Arm Suspension Online In Indonesia B08xm6qplr

2

2

Symptoms Of A Worn Or Bad Ball Joint Parts Matter

Symptoms Of A Worn Or Bad Ball Joint Parts Matter

1970 1973 Club Car Caroche Electric Golf Carts Parts List Manual Pdf Download Heydownloads Manual Downloads

1970 1973 Club Car Caroche Electric Golf Carts Parts List Manual Pdf Download Heydownloads Manual Downloads

2000 2005 Club Car Ds Gas Or Electric Golfcartpartsdirect Body Electric Club Car Ds Electricity

2000 2005 Club Car Ds Gas Or Electric Golfcartpartsdirect Body Electric Club Car Ds Electricity

Oem Aftermarket Car Truck Suv Van Auto Parts Quirkparts

Oem Aftermarket Car Truck Suv Van Auto Parts Quirkparts

10l0l 1014235 Front Shock Absorbers For Club Car Ds G E 1981 07 Ds 1010991 Gas 2000 Up Precedent

10l0l 1014235 Front Shock Absorbers For Club Car Ds G E 1981 07 Ds 1010991 Gas 2000 Up Precedent

E Z Go Manuals Golf Cart Parts Manuals Accessories Cartpros

E Z Go Manuals Golf Cart Parts Manuals Accessories Cartpros

Tech Tips High Speed Performance Electric Golf Cart Motors Motor Controllers

Tech Tips High Speed Performance Electric Golf Cart Motors Motor Controllers

A A King Pin Spindle Bushing Kit Fits Club Car Ds Golf Cart 1981 Up 7048 8067 1016389 102288401 1010150 In Qatar Binge Qa

A A King Pin Spindle Bushing Kit Fits Club Car Ds Golf Cart 1981 Up 7048 8067 1016389 102288401 1010150 In Qatar Binge Qa

Club Car Gas 1984 2005 Diagrams Gas Cartaholics Golf Cart Forum

Club Car Gas 1984 2005 Diagrams Gas Cartaholics Golf Cart Forum

2009 2016 Yt2 Adventurer Two Gas Front Suspension Wheel Gas Yamaha Parts Parts Tnt Golf Car Equipment

2009 2016 Yt2 Adventurer Two Gas Front Suspension Wheel Gas Yamaha Parts Parts Tnt Golf Car Equipment

2

2

Body Page 3

Body Page 3

2003 2007 G22a G Max Gas Front Suspension Wheel 2003 2007 G22a G Max Gas Gas Yamaha Parts Parts Tnt Golf Car Equipment

2003 2007 G22a G Max Gas Front Suspension Wheel 2003 2007 G22a G Max Gas Gas Yamaha Parts Parts Tnt Golf Car Equipment

Gas Club Car Diagrams 1984 2005

Gas Club Car Diagrams 1984 2005

70 76 Firebird Trans Am Front End Parts Chicago Muscle Car Parts Inc

70 76 Firebird Trans Am Front End Parts Chicago Muscle Car Parts Inc

Front Suspension Assy Golfcartpartsdirect

Front Suspension Assy Golfcartpartsdirect

0 Response to "37 club car front end parts diagram"

Post a Comment

Iklan Atas Artikel

Iklan Tengah Artikel 1

Iklan Tengah Artikel 2

Iklan Bawah Artikel