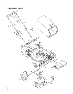
38 troy bilt 21 self propelled mower parts diagram
Find parts for your TB220 Troy-Bilt Self-Propelled Lawn Mower. Parts diagrams and manuals available. Free shipping on parts orders over $45. If your Troy-Bilt Lawn Mower is broken, PartSelect.com can help. We offer over 2 million repair parts, step by step instructions and installation videos to help you complete your Troy-Bilt repair. Use your model number and get started ordering Troy-Bilt Lawn Mower parts today!
Troy-Bilt 21" Self-Propelled Mulching Mower with Honda engine - $50 (Denver) Troy-Bilt 21" Self-Propelled Mulching Mower with Honda engine. -. $50. (Denver) DOES NOT RUN. I don't know what is wrong with it, but I speculate that it is due to conditions consistent with sitting for two years. No parts are missing or obviously broken.

Troy bilt 21 self propelled mower parts diagram
Troy Bilt Horse Riding Mower Repair Shop Service Manual On Cd Ebay. Troy Bilt 21 Push Mower With 160cc Honda Engine Tb160 Mower Select Find The Best Lawn Mower For You. Troy Bilt Mower Parts. 020208 1 Troy Bilt 2600 Psi High Pressure Washer Power Washer. 020641 Troy Bilt 3100 Max Psi Pressure Washer Power Washer. For sale is a 21" frame Troy Bilt front wheel self propelled mower; side discharge, mulcher or can be a bagger, self propelled lawn mower in salvage condition for parts. Model 12A466A722. It is a front wheel self propelled mower with a single speed drive. Bag sold with mower. Shut off dead man cable is too long and does not work Lawn Mowers, Parts & Accessories > Lawn Mowers ... lawn mower self propelled. $120.00 + shipping + shipping + shipping. TB350XP Troy-Bilt Self-Propelled Lawn Mower (Local Pickup Only) $125.00 + shipping + shipping + shipping. Toro Self Propelled Walking Lawn Mower Bagger 21-inch 6.5 HP Low Wheel. $120.00 + shipping + shipping + shipping. Ego ...
Troy bilt 21 self propelled mower parts diagram. ... Buffer Flattr VK Xing Yummly email Print troy bilt tb200 625ex troy bilt tb200 carburetor troy bilt tb200 oil change troy bilt tb200 parts diagram By ... Ariens 911113 002000 Desp21 5 5hp Honda Gcv 160 Electric Self Propelled Deluxe Parts Diagram For Blade And Belt. Troy Bilt Tb160 21 Self Propelled Lawn Mower 160cc Honda. Honda Hrg466 Ske Self Propelled Lawnmower. New Honda Power Equipment Hrr216vya Gcv160 Self Propelled Silver 110vya Lawn Mowers In Hot Springs Ar. Black max lawn mower parts for model troy bilt tb160 lawn mower us honda gcv160 manuals manualslib honda gcv160 mower hunting troy bilt tb160 lawn mower us. Honda Small Gcv160 Ereplacementparts. Gravely 911224 000101 Brspe21 5 5hp Honda Gcv 160 Electric Start Self Propelled Parts Diagram For Transmission And Height Of Cut. ... Parts Operators Owners Manual Original Op15a Lg 47lb631v 47lb631v Zl Led Tv Service Manuals Honda Civic Front Wheel Bearing Removal Manual Grade 11 ...
Download Images Library Photos and Pictures. Air Filter Spark Plug Kit For Troy Bilt Pressure Washer 4 0 Gpm 3800 Psi Honda Gx390 13 0 Hp Engine Mower Parts Land Pin On Mower Parts Nation 21 160cc Fwd Self Propelled Mower 12a B2rq563 Troy Bilt Ca Troy Bilt Tb160 Lawn Mower Troy Bilt Us Troy Bilt Xp Tb Wc33 Xp 420 Cc 33 In Key Start Self Propelled Rear . Pin On Products . Troy Bilt Tb130 Xp 160 Cc 21 In Push Gas Lawn Mower With Honda . Troy Bilt Xp 344 Cc 33 In Key Start Self Propelled Rear Wheel . Best Push Lawn Mower 2021 Buyer S Guide With Images Best . Troy Bilt Tb510 40 Volt Brushless Lithium Ion 21 In Cordless Self-Propelled Mowers ... Axles, Rods and Shafts (21) ... Tires, Wheels and Rims (21) Troy-Bilt. Skip to Main Content. Financing Now Available for Online Purchases.* Learn More. Live Chat; Find Service; Registration; ... Zero-Turn Mowers. Shop Now Zero-Turn Mowers. ... Shop Now Push Mowers. Self-Propelled Mowers ...
Self-propelled walk-behind mowers from Troy-Bilt feature the 21-inch Tri-Action cutting system. It includes a rake guard, S-blade, and symmetrical deck. These three work together creating an even clean cut. The 3-in-1 option allows the operator to convert the mower to side discharge, mulch ... Lawn Mowers, Parts & Accessories > Lawn Mowers | Bidding has ended on this item. Details about Troy-Bilt 21" High Wheel Self-Propelled Lawn Mower TB340XP See original listing. Troy-Bilt 21" High Wheel Self-Propelled Lawn Mower TB340XP ... Troy-Bilt Self Propelled Lawn Mower 21-Inch 159-CC Series Engine Gas. $384.04. Free shipping Free shipping ... You want to keep your walk-behind mower operating at peak condition and TroyBilt is here for you when you need genuine TroyBilt lawn mower replacement parts. You can make payments on your Troy-Bilt credit card account in 3 convenient ways: Online with TD's Online Account Management system at www.myonlineaccount.net. Via phone at 1-866-702-4074. Via mail: Troy-Bilt, PO BOX 100114, Columbia SC 29202-3114.
Read reviews, learn more and buy Troy-Bilt Self-propelled mowers here. Featuring variable speed systems, three transmission options, and mulch, side or rear discharging options, we’re sure to have the perfect self-propelled mower for your needs.
Find OEM replacement parts for Troy-Bilt walk-behind mowers, riding lawn mowers, snow throwers & zero-turn lawn mowers.
Looking For Diagram Of The Pull Start For Push Mower there is a piece in my 2014 troy bilt push mower pull start that is broken where can I find a ...
Troy-Bilt Self-Propelled Mower 21 in. 159cc Adjustable Speed Foldable Mulching. $391.22. Free shipping. Free shipping Free shipping. Seller 97.8% positive. Seller 97.8% positive Seller 97.8% positive.
favorite this post Oct 21 Troy Bilt 21" Self-Propelled Mower $150 (ksc > Lenexa, KS ) pic hide this posting restore restore this posting. $350. favorite this post Oct 21 Troy Bilt Pony $350 (ksc > Basehor, Ks ) pic hide this posting restore restore this posting. $150. favorite this post Oct 19 Feed protein
The other choices of mowers are cheaper overall. A self propelled lawn mower makes mowing your lawn much easier by helping you 'push' the mower with a belt and pulley. A riding mower makes cutting the lawn an easy task but they can be expensive to maintain and repair. Source: i.ytimg.com. While this tool is sturdy, there are times.
... Parts Diagram , Diagrama De Arbol , Metra Aw Ajlo Wiring Diagram , Cloud Architecture Diagram , Venn Diagram Shapes , Septic Tank Electrical Wiring ...
Discount Troy Bilt 1986 Pony Tiller Parts Manual 25 Pages Of Must Have Info Cheap Sale Outlet Online Shigaquo Jp
... mower- parts http://en.allexperts.com/q/Small-Engines-Lawn-1746/2010/10/ Troy – bilt -trimmer-starts.htm ... Troy – Bilt ® is 3 ...
Troy Bilt Exploded View parts lookup by model. Complete exploded views of all the major manufacturers. It is EASY and FREE
... Diagram , 1999 Ford F150 42 Spark Plug Wiring Diagram , Camper Plug Wiring , Keurig K40 Parts Diagram , 5150 Whip Wiring Diagram , 2005 Gmc Sierra ...
Mowing quickly with this MTD 11A-B2BM766 Fuel cordless self-propelled lawnmower, built up by a Briggs and Stratton 21 inch blade. Now you can forth to your self-propelled lawn mowers with convenience features like a self-propelled lawn mower drive system, pull starting, and intelligent sensor system to make your mowing ease. The MTD mowers 21 ...
Get free shipping on qualified Troy-Bilt, 21 inches Self Propelled Lawn Mowers or Buy Online Pick Up in Store today in the Outdoors Department.
Troy Bilt 13wm77ks011 Troy Bilt Pony Lawn Tractor 2015 Mower Deck 42 Inch Parts Lookup With Diagrams Partstree
Troy Bilt 21 Self Propelled Lawn Mower Parts - The Best Way To Give Your Lawnmower A Makeover. August 12, 2021 Top 10 Robot Lawnmowers. Troy Billet Mower Parts is the best when it comes to lawnmowers. There is no question about that. Troy has been selling quality equipment for consumers for over one hundred years and will continue to do so.
Get free shipping on qualified Troy-Bilt Self Propelled Lawn Mowers or Buy Online Pick Up in Store today in the Outdoors Department.
Greenworks 2502402TNVAZ 80V 21" Cordless Self-Propelled Lawn Mower - Bare Tool $399.99 $500.00 previous price $500.00 20% off 20% off previous price $500.00 20% off
21 in. 3-in-1 steel cutting deck with TriAction Cutting System and side discharge, mulch or rear bag capabilities Advanced TriAction cutting system features a rake bumper to lift grass upright, a specially designed blade for a finer mulch and a symmetrical deck for superior grass flow, eliminating clumping
Home Garden Lawn Mower Parts Accessories Genuine Mtd Troy Bilt 21 Drive Belt 954 754 04260 Yard Man Huskee Bolens
Explore Troy – Bilt s selection of new and replacement walk-behind lawn mower parts today. ... Self-Propelled Walk-Behind Mowers · 13- ...
Shop troy-bilt tb130 xp 160-cc 21-in push gas lawn mower with honda engine in the gas push lawn mowers section of Lowes.com.
November 19, 2019 - Troy bilt 12a 466m011 2008 general assembly exploded view parts lookup by model. Mower parts 34346. 51 Amazing Figure Of Tr...
Troy-Bilt TB370 (21") 163cc High ... Best Self Propelled Lawn, Troy Bilt TB30R (13CC26JD011) (2016) Manual PTO Exploded View parts lookup by model.
Troy Bilt Pony 42 In 15 5 Hp Briggs And Stratton Engine 7 Speed Manual Drive Gas Riding Lawn Tractor Ca Compliant Pony 42 Ca The Home Depot
Greenworks Pro 80v Self-Propelled 21" Lawn Mower. Brand new in box. 80v battery not included. ... USED TROY-BILT 21" CUTTING DECK SELF-PROPELLED LAWN MOWER WITH REAR BAG, MULCH S. $75.00 ... GreenWorks Battery Walk-Behind Lawn Mower Lawn Mowers, GreenWorks Lawn Mowers, Parts & Accessories, GreenWorks Rotary Walk-Behind Lawn Mower Lawn Mowers,
TROY-BILT " MUSTANG " Z-225 ZTR MOWER - $2,000 (E.Fort Myers , FL) Troy-Bilt" Mustang " Z-225 Zero Turn mower. 19 HP Kohler Courage ; Overhead Cam Engine .Excellent condition ( Unit and Engine ) , Runs well . further inquiries or questions:Terry's Small Engine Repair401 New York DriveFort Myers , FL 33905We are an Authorized Stens Dealer Distributor for lawn equipment parts, the world's ...
Troy Bilt 13wx78ks011 Troy Bilt Bronco Lawn Tractor 2012 Quick Reference Parts Lookup With Diagrams Partstree
Troy-Bilt Lawn Mower parts that fit, straight from the manufacturer. Use our interactive diagrams, accessories, and expert repair help to fix your Troy-Bilt Lawn Mower
The Troy-Bilt TB330 is a rear-wheel drive, self propelled lawn mower. At the heart of the mower is a 163 cc Briggs and Stratton engine that generates more than enough torque to tackle small to medium plots of land. In recent years, electric mowers have become popular due to their ease of use.
Free delivery on millions of items with Prime. Low prices across earth's biggest selection of books, music, DVDs, electronics, computers, software, apparel & accessories, shoes, jewelry, tools & hardware, housewares, furniture, sporting goods, beauty & personal care, groceries & just about anything else.
Free delivery on millions of items with Prime. Low prices across earth's biggest selection of books, music, DVDs, electronics, computers, software, apparel & accessories, shoes, jewelry, tools & hardware, housewares, furniture, sporting goods, beauty & personal care, groceries & just about anything else.
HONDA HRR 216 PARTS MOWER, LAWNMOWER $40 (den > THORNTON ) ... favorite this post Oct 21 Bolens FWD Self Propelled Lawn Mower with Briggs 6.25 RUNS GREAT $120 (ftc > Fort Collins ) ... Troy Bilt FWD Self Propelled Lawn Mower Briggs 6.75 w/ Electric Start! $240 (ftc > Fort Collins ) ...
Troy-Bilt's lawnmower is equipped with a 21-inch TriAction complete cutting system: a rake bumper to lift grass upright, a specially designed blade for a finer mulch, and a symmetrical deck for superior grass flow, eliminating clumping or patches in your lawn - TriAction a clean and even cut in just one pass.
Our Part Finder makes it easy to find and purchase the parts and attachments you need for your Troy-Bilt Outdoor Power Equipment. Find a Service Center near you and view manuals or diagrams.
The product's model number is essential to finding correct genuine factory replacement part numbers for your Troy-Bilt® outdoor power equipment. The Model number is eleven characters long and is printed on the left side of the Product Identification Label. Characters can include numbers, letters or hyphens.
When your yard asks a little more of you, the Troy-Bilt XP Series offers the extra performance you need. Covered by a 3-year limited warranty, the Troy-Bilt TB490 XP self-propelled mower features a Honda engine that provides dependable, no choke starting with the Auto Choke System.
July 31, 2017 - Find the parts you need for your equipment with the Troy-Bilt parts lookup and diagram tool.
Remove the self tapping screw from the side of the deck. Step 4 Tip the mower on its side with the air filter up. Step 5 Wearing gloves for protection, secure the blade using the blade removal tool. Remove the blade retaining bolt, then remove the blade. Step 6 Remove the self-tapping screws that secure the engine baffle to the deck. Remove the ...
Self-Propelled Mowers. Shop Now Self-Propelled Mowers. Wide Area Mowers. Shop Now Wide Area Mowers. ... Xtreme Mulching Blade for 21-inch Cutting Decks. Item#: 942-0741-X. $19.62 Add to Cart ... This article will discuss basic maintenance to perform on your Troy-Bilt lawn mower to keep it running like new for years to come.
Parts lookup and repair parts diagrams for outdoor equipment like Toro mowers, Cub Cadet tractors, Husqvarna chainsaws, Echo trimmers, Briggs engines, etc.
Troy Bilt 21 Self Propelled Lawn Mower Parts - The Best Way To Give Your Lawnmower A Makeover - Top 10 Robot Lawn Mowers. August 12, 2021 Charles Okane. Troy Billet Mower Parts is the best when it comes to lawnmowers. There is no question about that. Troy has been selling quality equipment for consumers for over one hundred years and will ...
My Self Propelled Cable Broke On My Troy Bilt Mower I Do Not Know If More Parts Fell Off When It Broke I Need A
Front Drive Wheels Fit for Troy Bilt Lawn Mower - Drive Wheels Fit for MTD Snapper Troy Bilt Tuff-Cut 210 TB210 TB230 TB240 Self Propelled Mower, Replace 734-04018A 734-04018B 734-04018C, 2 Pack, Gray ... In stock soon. GSG Home Series Deck Engagement Cable w/Spring MTD Troy Bilt 946-04173E ...
HRN216VKA Honda Self-Propelled Lawn Mower Brand new 2020 model. Engine has been upgraded from a GCV160 to a GCV170, providing 10% more power than previous years. Self-propelled, variable speed Smart Drive 3 in 1 with Clip Director - mulch, bag, and discharge Honda GCV170 engine with Auto Choke System. Check Price.
0 Response to "38 troy bilt 21 self propelled mower parts diagram"
Post a Comment