39 mcculloch power mac 6 parts diagram
Stihl BG 55 Blower (BG55) Parts Diagram, Carburetor C1Q-S50 Look at the diagram and find parts that fit a Stihl BG 55 Blower, or refer to the list below. 84 US. Stihl ms250 carburetor adjustment Home; Cameras; Sports; Accessories; Contact Us XINLONG MS250 Carburetor Fit for Stihl MS210 MS230 MS250 021 023 025 Chainsaw Replace Zama C1Q-S11E Carburetor with 4pcs Carburetor Rebuild Kit … View and Download McCulloch POWER MAC 6 parts list online. POWER MAC 6 chainsaw pdf manual download. Also for: Power mac 6 03, Power mac 6 71.
For information on South Africa's response to COVID-19 please visit the COVID-19 Corona Virus South African Resource Portal.

Mcculloch power mac 6 parts diagram
NOS McCulloch Power Mac 6, Power Mac 6A Chainsaw Air Filter Cover Screw 69202. $2.99. $2.99. NOS McCulloch Power Mac 6, Power Mac 6A Chainsaw Auto Oil Pump Cylinder 83591. $4.99. $4.99. NOS McCulloch Power Mac 6, Power Mac 6A Chainsaw Choke Knob Set Screw 110554. $1.79. Need replacement McCulloch Power Mac 6 chainsaw parts? We stock high quality suitable replacement McCulloch Power Mac 6 Chainsaw Parts. Fast Shipping! A10-600085 POWER MAC 6 03/71 to 04/71 IPL 84237-R1. Page 2 of 15. Accessories. Ref #. Part Number. Description. Qty. 83577. Owner's Manual.
Mcculloch power mac 6 parts diagram. 6- 600021 G 6_ 600021 I 6_ 600021 J 6- 600021 !(6- 600021 P PREFIX T 16-16-16-16-PM 330 = McCulloch chain saws are identified by a model number (in this instance, 600042 ) followed by a suffix letter (A, B, C, etc.) stamped on the identification Plate attached to the saw. Suffix letters denote variations in parts or assemblies in the ... 3/8 in. low profile, 1/4 in. on early production. CHAIN TYPE: BAR MOUNT PATTERN: 08 link. SHORTEST GUIDE BAR SUPPLIED: 12 in. McCulloch Parts Diagrams. PROMAC 610 650 TIMBER BEAR McCulloch 1635 AV, 1838AV, Eager Beaver 2116, Eager Beaver 2316, MAC 3516, MAC 3816, MAC 3818, Mac cat 16, Mac cat 18, Mac cat super 16, Mac cat super 18, Promac 3505, Promac 3805, Silver Eagle 2116, Silver Eagle 2318. Mcculloch 1-10, 10-10, Pro Mac Series, 3. 75HP 4. Outdoor Gasoline and Electric Powered Equipment and Small Engines - Linkages came off Craftsman Eager 1 lawn mower. If this Craftsman Lawn Mower is used for commercial or rental purposes, this warranty Apr 08, 2003 · My reliable 5-6 year old Carftsman 5. 773710. Wrg7265 craftsman eager 1 lawn mower parts manual 2019 ebook library craftsI have ...
McCulloch Chainsaws parts with OEM McCulloch parts diagrams to find McCulloch Chainsaws repair parts quickly and easily Order Status Customer Support 512-288-4355 My Account Login to your PartsTree.com to view your saved list of equipment. AUTOMATIC MODEL NO. 600086 SERIAL NOS. PREFIXED 10., A10. & CIO. ILLUSTRATED PARTS LIST. *. *. **. * ... .. August 1969. +. The policy of McCulloch ...11 pages Downladable Service Manual Upon payment for this item you will be emailed access to an instant download of the file in Adobe .pdf format. Shop great deals on Tanaka Chainsaw Parts at All Mower Spares where we have the largest collection online. Get the best deals on Tanaka Fuel System Parts through All Mower Spares which is 100% Australian Owned & Operated with quality Tanaka Starter parts at great prices and fast shipping for all lawn mower & outdoor power equipment spare parts and accessories both Genuine & Generic. …
How to find macbook schematics McCulloch Parts Manual 11-600085 POWER MAC 6 03/71 to 04/71 IPL 84237-R1 McCulloch Parts Manual 11-600086 POWER MAC 6A 03/71 to 04/71 IPL 84237-R1 McCulloch Parts Manual 11-600087 POWER MAC 6 03/71 to 04/71 IPL 84237-R1 McCulloch Parts Manual 11-600088F POWER MAC 6A 08/75 to 03/78 IPL 92308A Look at the diagram and find parts that fit a Stihl BR 600 Backpack Blower, or refer to the list below. All parts that fit a BR 600 Backpack Blower . Select Page Air Filter. Carburetor C1Q-S99. Control handle. Cylinder. Fan housing. Fuel tank. Muffler. Pleated hose. Rewind starter . Valve timing gear # Part Price 1: 4282 141 0300 - Stihl Air Filter: £11.48: To Basket: 2: 4282 140 1003 - Stihl ... 23.10.2021 · NOS McCulloch Mac 130, Mac 140, Pro Mac 510 Chainsaw Muffler Bolt 93036. + P&P + P&P. This Black and Decker 20-volt Max cordless chainsaw is sold on its own or with a battery pack Working Safely with Chainsaws Chainsaws are efficient and productive portable power tools used in many industries. There’s a tension screw on the inside edge of the guide bar – loosen this screw a bit …
This usually means the carb needs to be McCulloch Pro Mac 610 revival McCulloch Pro Mac 610 revival by Bryan Gray 1 year D: . 7, Pro Mac 605, Pro Mac 610, Pro Mac 655, Timber Bear Chainsaw Isolator Cup 92066 46 94151 Choke-Carburetor 1 47 94171 I Rod-Choke 1 48 Fig. mcculloch power mac 6 mcculloch mac 110 mcculloch 2-10 mcculloch pro mac 510 mcculloch mac 110 (duplicate) …
McCulloch Eager Beaver: McCulloch Eager Beaver 2010: McCulloch Eager Beaver 2014: McCulloch Eager Beaver 2016: McCulloch Eager Beaver 2116: McCulloch Eager Beaver 2318: McCulloch Eager Beaver 3. 5HP 6. For sale is a paper copy of the sears CRAFTSMAN owners manual for snow blower model thanks looking. Unapproved add-on ormodified parts m ay 1. help ! - When my husband was …
view exploded parts diagram. air filters. apparel, accessories & gifts. atv & quad bike parts . auger parts. automower, robotic mower parts. baintech power products. barbecue range, outdoor lighting & heating + accessories. batteries & chargers. bearings & bushings. belts, genuine, kevlar & oem replacement. belts, premium quality a, b & m section & kevlar belts. blades-ride on lawn mower ...
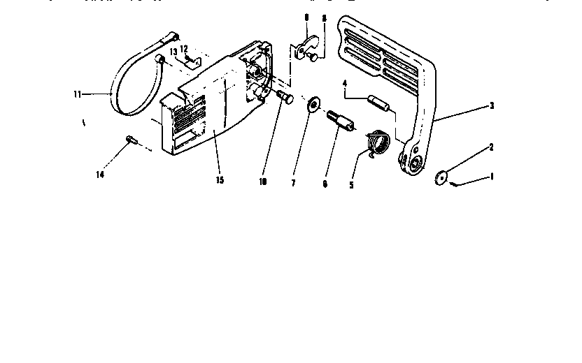
13-600086U POWER MAC 6C 03/71 to 04/71 IPL 91449 Page 10 of 15 General Ref # Part Number Qty Description 1 110597 5 Screw - Pan hd 8-32 x 1/2 2 68963 6 Nut - Square 8-32 3 68770 6 Retainer - Nut 4 Fan Housing & Starter Assy See "Fan Housing & Starter Assembly" illustration and parts list. 5 110676 1 Nut - Hex 1/4-28 6 100311 1 Washer - 1/4
A10-600085 POWER MAC 6 03/71 to 04/71 IPL 84237-R1. Page 2 of 15. Accessories. Ref #. Part Number. Description. Qty. 83577. Owner's Manual.
Need replacement McCulloch Power Mac 6 chainsaw parts? We stock high quality suitable replacement McCulloch Power Mac 6 Chainsaw Parts. Fast Shipping!
NOS McCulloch Power Mac 6, Power Mac 6A Chainsaw Air Filter Cover Screw 69202. $2.99. $2.99. NOS McCulloch Power Mac 6, Power Mac 6A Chainsaw Auto Oil Pump Cylinder 83591. $4.99. $4.99. NOS McCulloch Power Mac 6, Power Mac 6A Chainsaw Choke Knob Set Screw 110554. $1.79.
Mcculloch Power Mac Pm 650 Manual For A Manual Mcculloch Pro Mac 650 Chain Saw Need Owners Maual Pm 610 Chainsaw Manual Documents Manual In English Pro Mac And Montgomery
Mcculloch Mac 320 B 41bs321g077 Mcculloch Blower Original Carburetor Assembly Parts Lookup With Diagrams Partstree
0 Response to "39 mcculloch power mac 6 parts diagram"
Post a Comment