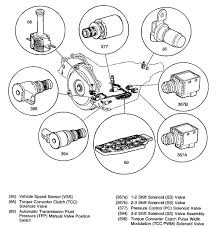
38 allison 1000 shift solenoid diagram
allison-1000-transmission-parts-diagram 1/1 Downloaded from dev.endhomelessness.org on November 2, 2021 by guest ... Nov 26, 2020 · A single shift solenoid's replacement cost is between $100 and $350 and a shift solenoid pack costs between $400 and $700, including transmission fluid, filter, parts, and labor work. ... Transmission Rebuild Kit, Stage4, Torque Converter, Clutches, Shift Kit, Chevy, GMC, Allison 1000, Kit. Part Number: PPE-128034001 Not Yet Reviewed
Cost to REBUILD a Transmission: Cost Range: $1,580 to $4,020 Average Cost: $1,975 to $2,700. New and used Allison transmission parts. You will pay somewhere between $100 and $450 for a transmission cooler line replacement. Some of these service operations require the use of The bad news is it's still costly.
Allison 1000 shift solenoid diagram
If your experiencing erratic shifts or powertrain codes for shift solenoids, theres a good chance you need to replace it. This OE replacement comes with ...$25.50 · In stock Why is the transmission in 3rd gear and not shifting? Hi there. The transmission could have an issue with the shift solenoids. Check the wiring harness to the transmission case and make sure that it is plugged in. 3rd gear is the only forward gear in a 4L60E transmission that does not require electrical power. A wiring diagram is a streamlined traditional pictorial representation of an electrical circuit. Home » allison transmission » allison transmission service manuals free download. In need of a wiring diagram for a allison transmission md3060p ecu and shift selector. Allison 1000 2000 series index. I have a used replacement.
Allison 1000 shift solenoid diagram. 1999 cadillac deville cooling system diagram. Based on the solenoid you might or might not have the capability to test it. Engine coolant circulates through your engine to keep it cool in the summer but wont freeze in the winter. The worst complaints are over heating cooling fan failure. 3 1 comfort controls and audio systems. The Allison Transmission is one of the most important features of Duramax trucks. Plenty of people consider these transmissions the most durable of all heavy duty diesel trucks. The L5P Duramax utilizes a 6-speed Allison Transmission from 2017 to 2019. In 2020, a 10-speed Automatic Allison Transmission replaces the old 6-speed. Aug 22, 2012 — I have the transmission pan off and I will test all resistance later tonight when I get an ohm meter. -03 duramax 4x4 ~ ALL BLACK ~ ATS tuner ~ ... Alright, move been fighting this for a couple years. Had it close, but then everything fell apart. The truck is a 2003 5.9l 3/4 ton. Initially, the vehicle would shift from 1,2,3 stay in 3rd with no overdrive, but I could drive as fast as I wanted to allow the RPM's to go. I changed what I...
39 allison 1000 shift solenoid diagram; 40 2000 bmw 323i parts diagram; 35 blank plant cell diagram; 39 what element is represented by the diagram; 40 parts of a circle diagram; 39 troy bilt pony deck belt diagram; 36 2009 jeep wrangler radio wiring diagram; 37 maxxforce 13 engine diagram; Joined Mar 17, 2005. ·. 1,447 Posts. #6 · Sep 29, 2010. The 4l60e uses a 3-2 downshift solenoid that the 4l80e does not contain. Both have TCC, SolA, SolB, EPC, Temp, and PSM. You can add the wire for the 3-2 solenoid though fairly easily. I don't have pics or a diagram in from of me, but it is a pretty simple swap. The additional solenoid is designated as solenoid G, and is used to reduce line pressure at idle and during light throttle cruising speeds (Figure 4). The ... Feb 8, 2017 — Shift valves SV1, SV2 and SV3 and the control main valve were redesigned. The PCS1 and PCS2 valves, solenoids and solenoid brackets were ...
Jeffry, P0765 is shift solenoid D circuit malfunction. Check the attached links to see how to repair. "I hope this helped you out, if so let me know by pressing the helpful button. Check out some of my other posts if you need more tips and info." shift solenoids on 4T60 4t65e PCS Replacement P1811 long shift Chevy GM PT1 Different steels have different TTT and CCT diagram s. So the. The iron - iron carbide phase diagram.L + Fe3C. M The complete TTT diagram for an iron-carbon alloy of eutectoid composition. Imagine, for example, some pure iron that was kept at a temperature of oC ( .. Here is the "official" isothermal TTT diagram for eutectoid carbon steel. Fig. 4 shows the schematic TTT diagram for eutectoid ... Trim Solenoid B is a. Normally Open solenoid, and prrovides zero pressure at zero current. The Internal Wiring Harness Assembly connects the shift solenoids, ...120 pages 39 allison 1000 shift solenoid diagram; 40 2000 bmw 323i parts diagram; 35 blank plant cell diagram; 39 what element is represented by the diagram; 40 parts of a circle diagram; 39 troy bilt pony deck belt diagram; 36 2009 jeep wrangler radio wiring diagram; 37 maxxforce 13 engine diagram; 38 base your answer to the following question on t...
Home / Uncategorized / allison transmission wiring harness problems. May 22, 2021. Uncategorized. 0. National Day Awards, Salesi Rayasi Samoa, Cocoon Chill Hybrid Mattress, Howell Binkley Fellowship, доставка еды ...
Allison 1000/2000 Series Slipping on Initial Forward Take-Off. ... The hydraulic circuit diagram seen in figure 2 shows main control pressure as red and white. This circuit travels to all shift solenoid and shift valves that then can supply normal clutch apply pressure.
(Updated on February 24, 2021) A lot of people take gear shifts in their vehicle for granted. But every time your automatic transmission needs to shift into a different gear, there is a vacuum modulator inside which ensures that the gear shift can be successfully completed.
Solenoids draws 2 amounts of current. AUTO-REPAIR SOFTWARE: Transmission Shift Solenoid Quick-Fix Automotive transmission may have from 2 to 6 shift solenoids. 2 wheel drive harness now its stuck in limp mode,second gear . 48:1, Reverse gear: 2. A thin, weak backing plate is the leading All units are available in either 2wd or 4X4.
2006-2009 Gen II the Allison transmission became a 6 speed. In 2006 the. Trim Solenoids were changed to Pressure Control Solenoids. The neutral start back up ...50 pages
A: 1-2 shift solenoid ground signal. Wirings-diagram. Hello here are pinout diagrams for most PSA bsi, very useful for programming bsi with obd tools on bench #PSA BSI CONTINENTAL SC667050+95256 CAN BSI-Q0x-00 #PSA BSI Bsi pinout diagrams. The 4l60e shifts with electronic shift solenoids. Also, you can go to search.
Allison 1000/2000/2400 Vacuum Test Guide. July 30, 2019. How to Raise Chrysler RFE Transmission Line Pressure — No Tuning Required. July 16, 2019. Eliminate Powerglide Input Shaft Failure with the Sonnax Big Shaft System. July 08, 2019. GM Allison® 1000/2000/2400 Valve Body Layout. July 08, 2019. Jatco/Nissan JF016E (RE0F10D), JF017E ...
Allison 1000 gen 3 2004 allison shop says solenoid D causing problem PO846 and PO848 to replace this solenoid do I need to remove the valve body or can solenoid D be replaced insutu obviously got to drain and remove pan. I am in Australia very expensive in the shop
Unique of 700r4 transmission lock up wiring diagram simple 700r4 lockup wiring diagram. 2 for an example wiring diagram. When i removed the egr bleed solenoid and related wiring i had to rewire my 700r4. Only 3 of these connectors are used. The switch with indicator light can be turned.
Allison was a leader in adaptive shift technology from the beginning, and this was Mopar finally getting on-board. The issue is simple, the 68RFE was not advanced enough in it's logic to actually make good decisions about shift timing and driving dynamics. As a result, the transmission suffers from a perpetual case of confusion.
Chevy 5 7 tbi engine diagram here you are at our site this is images about chevy 5 7 tbi engine diagram posted by maria rodriquez in chevy category on oct 10 2019. 61. Apr 08, 2009 · Complete 73-87 Wiring Diagrams. 2 block, TFS T/W 11R 205 heads, 232°-244° duration/. 5 ton were 1000, 1500, 2500, and 3000. 3 volts at idle, or no throttle.
Pvdiagramxcai Unvulcanodilibri It. Diagram allison 1000 transmission rds wiring full 3000 4000 kenworth 2000 series 2001 4500 fzr pdf tcc md3060 solenoid general motors duramax v8 engine at545 toyota allion 700r4 valve body 740 service manual pioneer gm manuals
Dec 4, 2019 — ALLISON Transmission 3000/4000 Series. Figure 1.1 - Allison 4700 OFS. PCS-Pressure Control Solenoid SS-Shift Solenoid TCC ...
A wiring diagram is a streamlined traditional pictorial representation of an electrical circuit. Home » allison transmission » allison transmission service manuals free download. In need of a wiring diagram for a allison transmission md3060p ecu and shift selector. Allison 1000 2000 series index. I have a used replacement.
Why is the transmission in 3rd gear and not shifting? Hi there. The transmission could have an issue with the shift solenoids. Check the wiring harness to the transmission case and make sure that it is plugged in. 3rd gear is the only forward gear in a 4L60E transmission that does not require electrical power.
If your experiencing erratic shifts or powertrain codes for shift solenoids, theres a good chance you need to replace it. This OE replacement comes with ...$25.50 · In stock


















0 Response to "38 allison 1000 shift solenoid diagram"
Post a Comment