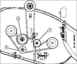
42 diagram of drive belt for husqvarna rz4623
The 3000 Series Cub Cadet supposedly have no belts, not transmission belt nor deck belts. Where is rear belt diagram for husqvarna rz5424 zero turn riding lawn mower? That is the $10,000.00 question. Husqvarna repair parts and parts diagrams for Husqvarna RZ4623 - Husqvarna 46" Zero-Turn Mower Order Status Customer Support 512-288-4355 My Account Login to your PartsTree.com to view your saved list of equipment.
539110411 Husqvarna Hydro Pump Belt For RZ4619 RZ4623 RZ5424 Z246 Z254 Z5426 OEM. 4.7 out of 5 stars. 26. $21.21. $21. . 21. FREE Shipping. Only 8 left in stock - order soon.

Diagram of drive belt for husqvarna rz4623
Replacing Your Husqvarna Zero Turn Mower Drive Belt: Step by Step Guide Step 1: Set Parking Brakes . To remove your drive belt; first, you must not only ensure that your parking brake is on, but also that your mower itself is parked on a leveled surface with no inclination that may cause sudden movements. Diagram Of Drive Belt For Husqvarna Rz4623. wiringall.com - Order Genuine Husqvarna Parts for the Husqvarna RZ ( ) - Husqvarna Zero-Turn Mower Mowers: zero-turn lawn mower. Easy Ordering, Fast Qty: Husqvarna SPRING, DECK BELT. Hi Willard, The link below is a web page with the diagram for your lawn mower.. Controls This operator's manual describes the Husqvarna Zero Turn Rider. The rider is fitted with a Kawasaki or Kohler four-stroke V-Twin engine developing horse power. Transmission from the engine is made via two belt-driven hydraulic pumps, which in turn drive a hydraulic motor for each drive wheel. Page Motion Control Levers.
Diagram of drive belt for husqvarna rz4623. Husqvarna RZ 4623 - 967009801 (2013-05) Parts Diagrams. SWIPE SWIPE. BRAKE / REAR MOWER LIFT. DECALS. ENGINE PLATE. FRAME. HYDRAULIC PUMP- MOTOR. IGNITION SYSTEM. MOWER DECK / CUTTING DECK. Husqvarna Drive Belt Diagram. Lekan Oke October 20, 2021 Engines. The Husqvarna drive belt is an important component of the riding mower that ensures it remains effective. If the belt breaks, the mower won't be able to move. In addition, a worn belt will cause the mower to move sluggishly as the belt slips on the pulley. 14.11.2018. 14.11.2018. 6 Comments. on Husqvarna Rz4623 Drive Belt Diagram. schematron.org - Select Husqvarna RZ () - Husqvarna Zero-Turn Mower () Diagrams and order Genuine Husqvarna Mowers: zero-turn. (E10) will void the product warranty. RZ / .. Blade replacement. .. Transmission from the engine is made via a belt-. Husqvarna RZ4623 - 966764501 (2011-03) HYDRAULIC PUMP MOTOR Exploded View parts lookup by model. Complete exploded views of all the major manufacturers. It is EASY and FREE
Features for the Husqvarna RZ4623. The Husqvarna RZ4623 Zero Turn Mower provides maneuverability, efficiency and convenience in a homeowner zero-turn mower package. True zero-turn mower performance with twin, maintenance-free integrated transmissions, heavy-duty front casters and a rugged tube steel frame. 539110411 Husqvarna Hydro Pump Belt For RZ4619 RZ4623 RZ5424 Z246 Z254 Z5426 OEM. ... in Industrial Drive V-Belts. 1 offer from $9.00. 539110411 Husqvarna Hydro Pump Belt For RZ4619 RZ4623 RZ5424 Z246 Z254 Z5426 OEM. 4.8 out of 5 stars ... Diagram Of Drive Belt For Husqvarna Rz4623. RZ / Engine. Transmission . SPRING, DECK DRIVE .. ZERK 3/16 DRIVE SHIELD, BELT RH SPRING, DECK BELT. Hi Willard, The link below is a web page with the diagram for your lawn mower.. schematron.org. Diagram of drive belt for husqvarna rz Need to fix your RZ Ride On Mower? Video tutorial on how to replace the pump drive belt on a Husqvarna Zero turn riding lawnmower. Gear used in this video;Drive Belt: 539110411https://amzn.to...
Husqvarna Rz4623 Drive Belt Diagram Wiring Site Resource. Husqvarna rz4623 967009802 2011 11 967009801 2018 01 z 4818 bia 968999250 2005 4822 968999301 2006 03 i have a riding mower zero turn 06 ride on wiring harness z5426 diagrams s fuse when ened solved deck will not ene diagram for 10 46 ztr mowers ignition system drive belt steering parts yard tractor yth24k48 starter solenoid my husky ... Video tutorial on how to change deck belt on Husqvarna 46" Zero Turn Lawn Tractor. Explained in detail to make the job easy for You. Husqvarna RZ4219F 966495701, RZ4222F 966659401 ALL 42", 2010. Deck Belt fits Husqvarna 539117245 RZ4623 RZ4219 RZ4619 5/8" x 123" | eBay Husqvarna RZ4619 965921501, RZ4620 965881201, RZ4621 966659101, RZ4621BF 966676501, RZ4621CA 966659201 ALL 46", 2010. The belt for the hydro drive is self tensioning. There is no adjustment. Look at the ipl under the engine plate section. Based on which model you have, (number at the top of page) you will see a listing for a "spring-deck drive", "idler arm" ,"pulley idler", "spindle idler" and a few other small items.
Re: Husqvarna RZ5424 Drive belt Routing I am attempting to find the proper routing diagram for a Husqvarna RZ 5424 zero turn mower. It is not specified in the owners manual or parts diagrams. It is not specified in the owners manual or parts diagrams.
Use our part lists, interactive diagrams, accessories and expert repair advice to make your repairs easy. 877-346-4814. Departments ... Repair Parts Home Lawn Equipment Parts Husqvarna Parts Husqvarna Lawn Tractor Parts Husqvarna RZ4623 Ride On Mower Parts. ... Spring Drive. $5.79 Part Number: 532196105. In Stock, 18 available
Husqvarna Rz4623 Drive Belt Diagram - Wiring Site Resource [DIAGRAM] Atwood Jack Switch Wiring Diagram FULL Version ... Craftsman 54 Mower Deck Belt Diagram - General Wiring Diagram. 1/4 Jack Wiring Diagram - HiViz.com - Crossed-beam ... [DIAGRAM] Chinese Electrical Parts Diagram FULL Version HD ...
Drive belt came off husqvarna 46 in zero turn and after putting it back on the mower still won't move ... I have an Husqvarna RZ4623 with about 12 hours on it. Was cutting grass and it just stopped moving. Was told it may be the belt came off, but there is no info on how to replace the rear belt.
Edit. Diagram of drive belt for husqvarna rz4623 husqvarna rz4623 46 ztr lawn mower zero turn 23hp kohler engine posted by willard stallings on apr 17 2016 want answer 1. Reach under the rear of the mower frame and remove the blade drive belt from the electric clutch. Rz4623 Wiring Schematics Belt Diagram Great Installation Of Wiring.
Husqvarna repair parts and parts diagrams for Husqvarna RZ4621 - Husqvarna 46" Zero-Turn Mower Order Status Customer Support 512-288-4355 My Account Login to your PartsTree.com to view your saved list of equipment.
Diagram of drive belt for husqvarna rz4623 husqvarna rz4623 46 ztr lawn mower zero turn 23hp kohler engine. The rider is fitted with a Briggs and Stratton four-stroke engine developing 22-24 horse power. On the Husqvarna models, "Husqvarna" is printed on the side of the mowers. I believe it is.
Controls This operator's manual describes the Husqvarna Zero Turn Rider. The rider is fitted with a Kawasaki or Kohler four-stroke V-Twin engine developing horse power. Transmission from the engine is made via two belt-driven hydraulic pumps, which in turn drive a hydraulic motor for each drive wheel. Page Motion Control Levers.
Diagram Of Drive Belt For Husqvarna Rz4623. wiringall.com - Order Genuine Husqvarna Parts for the Husqvarna RZ ( ) - Husqvarna Zero-Turn Mower Mowers: zero-turn lawn mower. Easy Ordering, Fast Qty: Husqvarna SPRING, DECK BELT. Hi Willard, The link below is a web page with the diagram for your lawn mower..
Replacing Your Husqvarna Zero Turn Mower Drive Belt: Step by Step Guide Step 1: Set Parking Brakes . To remove your drive belt; first, you must not only ensure that your parking brake is on, but also that your mower itself is parked on a leveled surface with no inclination that may cause sudden movements.
Can I Get A Diagram For Routing Of Drive Belt Diagram(drive Belt) For A Pz60 Mod | Husqvarna PZ 60 Support
0 Response to "42 diagram of drive belt for husqvarna rz4623"
Post a Comment