Iklan 300x250

38 troy bilt super bronco tiller parts diagram

2019 model. 13AL78BS023 Mower doesn’t have much power when accelerating. Zero brakes - doesn’t looks like varidrive system is working. If I go up a small incline and back off the accelerator, I start rolling back. Blades engage and still getting a good cut on level ground. Just slow. Anyone have an image of the underside of a Troy Bilt Bronco around 2005 year? I have a very loose drive belt and cannot find anything missing that would cause so much slack in the belt (correct size belt is on). If anyone has any ideas, any are welcome.

Find parts for your Super Bronco Troy-Bilt Riding Lawn Mower . Parts diagrams and manuals available. Free shipping on parts orders over $45.

Troy bilt super bronco tiller parts diagram

Troy bilt super bronco tiller parts diagram

2020 (possibly 2019) Troy Bilt Bronco without bagger for $550 Is this a reasonable price/good deal or bad value? Yard around half an acre of actual grass that would need mowing. Thanks! Troy Bilt 12214 Bronco 5.5HP Tiller Exploded View parts lookup by model. Complete exploded views of all the major manufacturers. It is EASY and FREE Troy-Bilt Super Bronco XP50 First time buying a NEW mower. Does anyone have anything experience with the Troy-Bilt Super Bronco XP50? Looking to buy it new it be used for mowing the lawn including hills and wooded area along with plowing snow. I had an 2011 Troy-Bilt Pony I got used and used it for the same thing. Now it’s time to replace her. I am looking for the best or closest thing as a garden tractor to be able to mow threw small bushes, prickers, semi tall grass, wet grass, go up and down...

Troy bilt super bronco tiller parts diagram. TroyBilt Model: Parts Diagrams Available: (On-Line,On-Request) 0360 HORSE-SILVER ANN (1,0) 10056 HORSE III (0,1) 11078 SPEEDY HOE (2,0) 11381 SPEEDY HOE (2,0) 12001 1.5HP MINI-TILLER 1.6HP MINI-TILLER (2,0) 12001C 1.6HP MINI-TILLER (0,1) 12055 HORSE-OPC 7&8HP (0,1) 12056 HORSE-OPC 7&8HP (0,1) 12057 HORSE-OPC 7&8HP (0,1) 1-16 of over 2,000 results for "troy bilt tiller parts" RESULTS. Price and other details may vary based on product size and color. ... frrward Clutch Cable Bronco Tiller GW-55048P for MTD Troy Bilt Replace Part Ward Drive Control Cable. 4.5 out of 5 stars 14. $21.08 $ 21. 08. Get it as soon as Wed, Jan 26. Troy-Bilt > Tillers: Super Bronco ( 46 Models ) 12210 - Troy-Bilt Super Bronco Rear-Tine Tiller. 21A-634A766 - Troy-Bilt Super Bronco Rear-Tine Tiller (2004) 21A-643B711 - Troy-Bilt Super Bronco CRT Rear-Tine Tiller (2006) 21A-643B766 - Troy-Bilt Super Bronco CRT Rear-Tine Tiller (2006) Find parts for your Super Bronco 54 FAB Troy-Bilt Riding Lawn Mower. Parts diagrams and manuals available. Free shipping on parts orders over $45.

Hi all. You have been plenty helpful in the past. I know this isn't much to go on, but any suggestions where I might find a starter assembly for this Troy-Bilt tiller? Preferable a Canadian source but that's not a necessity. No model number but I think it is from the 90's. It was definitely from when Greenway Manufacturing was still making them. https://preview.redd.it/z73bkyc1auh51.png?width=800&format=png&auto=webp&s=22e3430f070996e768754eed33eb6995432ea79c Troy-Bilt Super Bronco XP50 First time buying a NEW mower. Does anyone have anything experience with the Troy-Bilt Super Bronco XP50? Looking to buy it new it be used for mowing the lawn including hills and wooded area along with plowing snow. I had an 2011 Troy-Bilt Pony I got used and used it for the same thing. Now it’s time to replace her. I am looking for the best or closest thing as a garden tractor to be able to mow threw small bushes, prickers, semi tall grass, wet grass, go up and down... I have a Troy-Bilt Colt FT Garden Tiller with a 208cc OHV engine. I let my friend borrow it last weekend to do stuff at his house and he dropped it back off. Yesterday I go out to fire it up for the first time since getting it back. The pull chord is basically stuck, but I finally got it loose. Give it 5-10 good pulls and it won't start. I pulled the spark plug and it still had spark. I had my wife pull on it a few times and noticed some liquid splashing around in the spark plug well. It's pret... Find the tiller parts, including blades, belts, tines, seals and replacement part kits, that fit your Troy-Bilt outdoor power equipment. When you need garden tiller replacement parts, browse the wide selection from Troy-Bilt. Our Part Finder makes it easy to find the parts you need. Filter By. 374 Items.

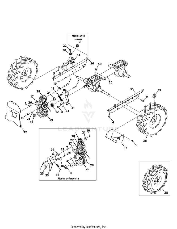
12210 - Troy-Bilt Super Bronco Rear-Tine Tiller. Parts Lists & Diagrams. Super Bronco Rear-Tine Tiller. Troy-Bilt Super Bronco XP50 First time buying a NEW mower. Does anyone have anything experience with the Troy-Bilt Super Bronco XP50? Looking to buy it new it be used for mowing the lawn including hills and wooded area along with plowing snow. I had an 2011 Troy-Bilt Pony I got used and used it for the same thing. Now it’s time to replace her. I am looking for the best or closest thing as a garden tractor to be able to mow threw small bushes, prickers, semi tall grass, wet grass, go up and down... I recently had a branch get pulled into the mower deck on my Troy-Bilt riding mower and suddenly it wouldn't move even though the engine was still running fine. Upon further inspection I saw the top belt on the transmission axle was off the pulley. So I got a pipe wrench and a socket to loosen it and get the belt back on. However the electric PTO is in the space where you'd normally grab it and worse yet it seems the lower pulley for the blades & PTO spin independently of the upper pulley b... Troy Bilt 21A-634A766 6HP Super Bronco (2004) Parts Diagrams. Parts Lookup - Enter a part number or partial description to search for parts within this model. There are (134) parts used by this model. Use as required to obtain between .005" and .015" allowable end-play.

Troy-Bilt Super Bronco CRT 208-cc 16-in Rear-Tine Counter ...

Troy-Bilt Super Bronco CRT 208-cc 16-in Rear-Tine Counter ...

Troy Bilt 13AJ609G766 Bronco (2004) Parts Diagrams Troy-Bilt repair parts and parts diagrams for Troy-Bilt 13AT609G766 - Troy-Bilt Super Bronco Lawn Tractor (2004) COVID-19 UPDATE: Call Center OPEN (from home) and Warehouse SHIPPING to all 50 states (with some USPS/UPS/FedEx delays) Learn more > Order Status Customer Support 512-288-4355 My ...

Troy Bilt Bronco Tiller Parts Diagram - Wiring Site Resource

Troy Bilt Bronco Tiller Parts Diagram - Wiring Site Resource

Troy Bilt 12210 6.5 HP Super Bronco Exploded View parts lookup by model. Complete exploded views of all the major manufacturers. It is EASY and FREE

TROY BILT PROLINE REAR TINE ROTO TILLER | SPENCER SALES

TROY BILT PROLINE REAR TINE ROTO TILLER | SPENCER SALES

I bought a new Troy Bilt Bronco riding lawn mower, [Home Depot](https://www.homedepot.com/p/Troy-Bilt-Bronco-42-in-19-HP-Briggs-and-Stratton-Engine-Automatic-Drive-Gas-Riding-Lawn-Mower-Bronco-42/307458207?source=shoppingads&locale=en-US&mtc=Shopping-B-F_D28I-G-D28I-28_34_RIDERS-NA-NA-NA-SMART-NA-NA-SMART_SHP&cm_mmc=Shopping-B-F_D28I-G-D28I-28_34_RIDERS-NA-NA-NA-SMART-NA-NA-SMART_SHP-71700000080836946-58700006820157688-92700061594856817&gclid=Cj0KCQjw5auGBhDEARIsAFyNm9Ecdv52OKaBC...

Best Craftsman Rear Tine Tillers - Tiller Advisor

Best Craftsman Rear Tine Tillers - Tiller Advisor

Explore Service & Parts. Troy-Bilt parts give you a genuine advantage: the confidence of using parts specifically designed for a exact fit, optimal performance and maximum safety. These are the only parts with the in-depth engineering and rigid testing that assures long-lasting quality. Part Finder. Shop Parts.

Super Bronco CRT Garden Tiller

Super Bronco CRT Garden Tiller

First time buying a NEW mower. Does anyone have anything experience with the Troy-Bilt Super Bronco XP50? Looking to buy it new it be used for mowing the lawn including hills and wooded area along with plowing snow. I had an 2011 Troy-Bilt Pony I got used and used it for the same thing. Now it’s time to replace her. I am looking for the best or closest thing as a garden tractor to be able to mow threw small bushes, prickers, semi tall grass, wet grass, go up and down hills and plow the driveway....

Troy Bilt Bronco 42 Parts Diagram | Online www ...

Troy Bilt Bronco 42 Parts Diagram | Online www ...

Hey guys. I have a Troy-Bilt gas tiller that won't start. It has spark, fresh fuel/oil, and a clean carburetor. I am 98% sure that the flywheel key is just fine. The exhaust is also clear of debris, and the fuel lines and filter have been replaced. I bought a compression tester and turned the engine over using the drill-start. The compression stagnated at 30 PSI. This unit is about 10 years old. Before I tear the engine head off and potentially mess up a good head seal, is it pretty likely t...

Troy-Bilt 21C-64M1011 Bronco CRT '09 Roto-Tiller | PartsWarehouse

Troy-Bilt 21C-64M1011 Bronco CRT '09 Roto-Tiller | PartsWarehouse

Description: Troy-Bilt 13Ax78Ks011 Parts List And Diagram - (Bronco) (2010 within Troy Bilt Bronco Parts Diagram, image size 620 X 802 px, and to view image details please click the image. Actually, we have been noticed that troy bilt bronco parts diagram is being just about the most popular issue at this time. So that we tried to uncover some terrific troy bilt bronco parts diagram picture for you.

Owners Manual For Troy Bilt Pony Riding Mower | Shop ...

Owners Manual For Troy Bilt Pony Riding Mower | Shop ...

Troy Bilt 13Wv78Ks011 Bronco (2015) Parts Diagram For Wiring Schematic - Troy Bilt Bronco Wiring Diagram. Wiring Diagram comes with several easy to stick to Wiring Diagram Instructions. It's intended to aid all of the typical consumer in creating a suitable system. These directions will likely be easy to comprehend and use.

Troy Bilt Bronco 42 Parts Diagram | Online www ...

Troy Bilt Bronco 42 Parts Diagram | Online www ...

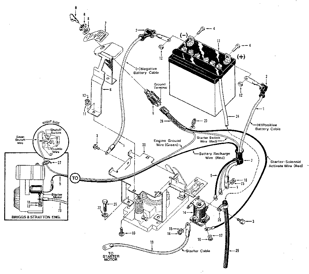
Operator's Manual Rear-tine Tiller Models 630B—Tuffy® 634F—BroncoTM 634B—Super BroncoTM Warning: This unit is equipped with an internal combustion engine and should not be used on or near any unimproved forest-covered, brush-cov- ered or grass-covered land unless the engine's exhaust system is equipped with a spark arrester meeting applicable local or state laws (if any).

www.mymowerparts.com For Discount Troy Bilt Parts Call 606 ...

www.mymowerparts.com For Discount Troy Bilt Parts Call 606 ...

Need to fix your TB146EC (21BK146G966) (2011) Super Bronco Tiller? Use our part lists, interactive diagrams, accessories and expert repair advice to make your repairs easy. Please note shipping times may be longer than expected due to carrier delays.

Troy-Bilt 21B-643B011 Super Bronco CRT Roto-Tiller (2007 ...

Troy-Bilt 21B-643B011 Super Bronco CRT Roto-Tiller (2007 ...

I have a troy built super bronco Model 13AX60KH011. Need the diagram for replecing the drive belt. … read more. I HAVE TROY BILT ROTO TILLER WITH A TECUMSEH 6.0 HP SN: H60 75482U (B) 4054D, THAT IS WHAT IS ON THE PLATE OF THE ENGINE PART, THE ROTARY PART HAS NUMBER LIKE TH1002, TH1019, 1238 (73), AND 1239 (73).

Troy-Bilt 12210 - Troy-Bilt Super Bronco Rear-Tine Tiller ...

Troy-Bilt 12210 - Troy-Bilt Super Bronco Rear-Tine Tiller ...

Troy Bilt 21D-65M8766 Super Bronco (2019) Parts Diagrams. Parts Lookup - Enter a part number or partial description to search for parts within this model. There are (125) parts used by this model.

Super Bronco CRT Garden Tiller

Super Bronco CRT Garden Tiller

A heavy-duty gear drive transmission enhances durability. The Troy-Bilt Super Bronco CRT is a rear-tine tiller with the power to break through hard-packed soils with counter-rotating tines. 16-inch tilling width makes the Bronco CRT ideal for any size garden. 10-inch Bolo™ tines with depth stake for up to 6-inches of tilling depth.

Troy-Bilt 21A-634A766 - Troy-Bilt Super Bronco Rear-Tine ...

Troy-Bilt 21A-634A766 - Troy-Bilt Super Bronco Rear-Tine ...

Lookup Parts by Diagram. Use our parts diagram tool below to find the parts you need for your machine. Select the model and year, then browse the parts diagrams to find the right part. Add to cart when you're ready to purchase and we'll ship it to you as soon as possible! Financing Now Available for Online Purchases.*. Learn More.

Troy-Bilt 21D65M8766 Super Bronco CRT Garden Tiller 用户手册 ...

Troy-Bilt 21D65M8766 Super Bronco CRT Garden Tiller 用户手册 ...

Troy Bilt 13AV60KG011 Bronco (2008) Parts Diagrams 26/04/2018 · Troy Bilt Bronco Oil Change View and Download Troy-Bilt J609 operator's manual online. Auto Drive Lawn Tractors. J609 Lawn Mower pdf manual download. Also for: T609, Super bronco. Troy Bilt 13AV60KG011 Bronco (2009) Drive System Exploded View parts lookup by model.

Troy-Bilt 21A-643B711 Super Bronco CRT Roto-Tiller (2006 ...

Troy-Bilt 21A-643B711 Super Bronco CRT Roto-Tiller (2006 ...

Wiring Diagram For Troy Bilt Bronco. Displaying Wiring Schematic parts for the Troy-Bilt TB42 (13WV78KS) - Troy- Bilt Bronco Lawn Tractor (). Browse all parts by section for this model. The Bronco lawn tractor made by Troy-Bilt has a fuse installed inside the wiring harness. The amp fuse prevents excessive amperage from damaging its.

TROY-BILT PONY ROTO Tiller Compost Tractor Parts Catalog ...

TROY-BILT PONY ROTO Tiller Compost Tractor Parts Catalog ...

Troy-Bilt Tillers: Bronco Parts Lookup & Diagrams Troy-Bilt Tillers: Bronco ( 49 Models ) 12180 - Troy-Bilt Bronco Rear-Tine Tiller (SN: 121801100101 - 121801299999)

Troy-Bilt 21C-65M1011 Super Bronco CRT '08 Roto-Tiller ...

Troy-Bilt 21C-65M1011 Super Bronco CRT '08 Roto-Tiller ...

How can I replace or add on the existing muffler. I cant find any kind of adapter for the exhaust outlet on the muffler. Its a rectangle. Basically I wanna add a lo- flow or super lo-flow muffler to get a little quieter.

Troy Bilt Junior Carburetor | Outlet diegolaballos.com

Troy Bilt Junior Carburetor | Outlet diegolaballos.com

We have parts, diagrams, accessories and repair advice to make your tool repairs easy.The Super Bronco CRT rear-tine rototiller from Troy-Bilt offers an outstanding value for a small or mid-size garden. The Super Bronco tiller gives you counter-rotating technology plus features normally found only on larger models - such as Just One Hand ...

Troy-Bilt Bronco Support and Manuals

Troy-Bilt Bronco Support and Manuals

Bolo Tines And Wheels diagram and repair parts lookup for Troy-Bilt 12210 - Troy-Bilt Super Bronco Rear-Tine Tiller

TROY BILT BRONCO Farm Equipment Auction Results - 38 Listings ...

TROY BILT BRONCO Farm Equipment Auction Results - 38 Listings ...

Troy Bilt 13BX60TG766 Super Bronco (2007) Exploded View parts lookup by model. Complete exploded views of all the major manufacturers. It is EASY and FREE

TROY-BILT SUPER BRONCO OPERATOR'S MANUAL Pdf Download ...

TROY-BILT SUPER BRONCO OPERATOR'S MANUAL Pdf Download ...

Yes, printed Troy-Bilt Operator's Manuals, Illustrated Parts Lists and Troy-Bilt / MTD Engine Manuals are available for purchase. The price for a pre-printed manual is typically less than $20+s/h, but can range up to $45+s/h for larger documents.

Bronco CRT Garden Tiller

Bronco CRT Garden Tiller

Need to fix your 21A-65M1011 Super Bronco CRT Garden Tiller? Use our part lists, interactive diagrams, accessories and expert repair advice to make your repairs easy. ... Repair Parts Home Lawn Equipment Parts Troy-Bilt Parts Troy-Bilt Tiller Parts Troy-Bilt 21A-65M1011 Super Bronco CRT Garden Tiller Parts.

Troy Bilt Super Bronco Tiller belt diagram

Troy Bilt Super Bronco Tiller belt diagram

I have a Troy Bilt Bronco 42 and its about a year old. While I was mowing yesterday, all of the sudden the engine was running but the mower was not moving forward with my pedal. I turned it off and then tried it again. When I did this, when I put the gear on the forward setting it (kind of) went in reverse and when I'm in the reverse setting it (kind of) went forward. I'm not very mechanically inclined but can figure out some stuff with Youtube. I'm assuming it was something with the transmissi...

Troy Bilt 12214 Bronco 5.5HP Tiller Parts Diagrams

Troy Bilt 12214 Bronco 5.5HP Tiller Parts Diagrams

Troy-Bilt repair parts and parts diagrams for Troy-Bilt 21A-634A766 - Troy-Bilt Super Bronco Rear-Tine Tiller (2004) The Right Parts, Shipped Fast! Order Status

Sc40 Sc40 Go-Go Replacement Parts by Pride Mobility - Quickie ...

Sc40 Sc40 Go-Go Replacement Parts by Pride Mobility - Quickie ...

Troy-Bilt Super Bronco XP50 First time buying a NEW mower. Does anyone have anything experience with the Troy-Bilt Super Bronco XP50? Looking to buy it new it be used for mowing the lawn including hills and wooded area along with plowing snow. I had an 2011 Troy-Bilt Pony I got used and used it for the same thing. Now it’s time to replace her. I am looking for the best or closest thing as a garden tractor to be able to mow threw small bushes, prickers, semi tall grass, wet grass, go up and down...

Troy-Bilt 12210 6.5 HP Super Bronco Engine, Engine Brackets ...

Troy-Bilt 12210 6.5 HP Super Bronco Engine, Engine Brackets ...

Troy Bilt 12214 Bronco 5.5HP Tiller Exploded View parts lookup by model. Complete exploded views of all the major manufacturers. It is EASY and FREE

Troy Bilt Bronco Tiller Parts Diagram - Wiring Site Resource

Troy Bilt Bronco Tiller Parts Diagram - Wiring Site Resource

2020 (possibly 2019) Troy Bilt Bronco without bagger for $550 Is this a reasonable price/good deal or bad value? Yard around half an acre of actual grass that would need mowing. Thanks!

Troy-Bilt Super Bronco CRT Garden Tiller | 21A-65M1011 ...

Troy-Bilt Super Bronco CRT Garden Tiller | 21A-65M1011 ...

Inventory from Troy-bilt Ipaco Incorporated Logan, UT (435 ...

Inventory from Troy-bilt Ipaco Incorporated Logan, UT (435 ...

OWNER'S MANUAL

OWNER'S MANUAL

Troy Bilt 21C-65M1011 Super Bronco CRT Roto-Tiller (2008 ...

Troy Bilt 21C-65M1011 Super Bronco CRT Roto-Tiller (2008 ...

Troy-Bilt Tiller Parts | Same Day Shipping | Millions of Parts

Troy-Bilt Tiller Parts | Same Day Shipping | Millions of Parts

How to Replace the Reverse Cable on a Troy-Bilt Super Bronco Tiller (Part #  946-04414)

How to Replace the Reverse Cable on a Troy-Bilt Super Bronco Tiller (Part # 946-04414)

Troybilt 900039 rear-tine tiller parts | Sears PartsDirect

Troybilt 900039 rear-tine tiller parts | Sears PartsDirect

Troy-Bilt 21A-643B711 Super Bronco CRT '06 Roto-Tiller ...

Troy-Bilt 21A-643B711 Super Bronco CRT '06 Roto-Tiller ...

12 Tornillo Allen M5X16 - RYDU | OEM Child

12 Tornillo Allen M5X16 - RYDU | OEM Child

Drive Belt for Troy Bilt Bronco, Super Bronco Tiller 1916658, 754-04091,  954-04091, GW-1916658

Drive Belt for Troy Bilt Bronco, Super Bronco Tiller 1916658, 754-04091, 954-04091, GW-1916658

0 Response to "38 troy bilt super bronco tiller parts diagram"

Post a Comment

Iklan Atas Artikel

Iklan Tengah Artikel 1

Iklan Tengah Artikel 2

Iklan Bawah Artikel