39 cub cadet z force 48 pto belt diagram
Cub Cadet Z-Force Diagrams and Manuals. Your Cub Cadet products come with years of experience in designing some of the most technologically innovative and customer-focused Your Z-Force 48 model is fit with a 22HP 2-cylinder Briggs & Stratton engine and a 48" mower deck. Get the best deal for Cub Cadet Pto Belt from the largest online selection at eBay.com. | Stens 265-800 OEM Spec PTO Belt Fits Cub Cadet 01009787P Z-Force 44" 48" 54".
Cub Cadet. Zero-Turn Mowers. Z-Force 48 (17AF3AGV010) - Cub Cadet 48"; Z-Force Zero-Turn Mower, Kohler Parts & Diagrams Parts Lists & Diagrams.

Cub cadet z force 48 pto belt diagram
For the GD.II/GG.II Impreza WRX, the EJ205 engine had Subaru’s ‘Active Valve Control System’ (AVCS) which adjusted the opening and closing timing of the intake valves by changing the phase angle of the camshaft sprocket relative to the camshaft; for the GD.II/GG.II Impreza WRX, it is understood that the maximum range of adjustment was 35 crankshaft degrees. Related posts Telephone Wiring Diagram Outside Box Gold Foil Experiment Diagram Wiring Diagram PDF: 123 Cub Cadet Wiring Diagram. Cub Cadet Z Force 44 Pto Belt Diagram Hanenhuusholli. Cub Cadet I1046 Drive Belt Diagram. Copryright © Image Inspiration | Sitemap.
Cub cadet z force 48 pto belt diagram. Aug 10, 2009 · I found that the drive belt jumped the idler and it was running and glazing the belt. The result was loss of power and transmission overheating. The hood and body parts do crack easily. ... The wife uses a Cub Cadet which now has 550 hours on it. ... .I following the diagram and carefully putting all the parts back in place….am I going to ... Compatible with Cub Cadet Z-Force 44 Kohler (17AE3AGF) with 44-Inch Decks; 2010-2013 Z-Force 48 Kohler (17BF3AGV)(53AA5B6V), Z-Force Pro 48-KH (53BH3AGN050) with 48-Inch Deck. Please note this is product is for Kohler Engines 2011 and Older. ⎙ Cub Cadet Z-Force 48 manual (Brochure, 2 pages): View Z-Force 48 document online or download in PDF. UNSURPASSED RESULTS OF THE CUB CADET SIGNATURE CUT™ With a sloped-nose, triple-blade floating deck and rear striping rollers, the Z-Force ® S delivers a professional-quality cut. SOURCE: PTO belt Installation diagram for cub cadet. Hi..my name is Keith..and you can go to one of these lawn mower online parts sites..and they will have a parts diagram of the deck..which shows how the belt is routed..one of the sites is www.outdoordistributors.com ..but there is other sites..and i...
The original owner replaced the belt several times then became disgusted with having the $40 belts shred in less than an hour of use. I've never had the PTO off mine but I'm wondering if there is a spacer/washer behind the PTO that is supposed to be there to move 2011 Cub Cadet Z-Force S 48. UNK the , . of and in " a to was is ) ( for as on by he with 's that at from his it an were are which this also be has or : had first one their its new after but who not they have – ; her she ' two been other when there all % during into school time may years more most only over city some world would where later up such used many can state about national out known university united … ℹ Download Cub Cadet Z-Force 48 Manuals (Total Manuals: 3) for free in PDF. Find more compatible user manuals for Z-Force 48 Lawn Mower device. 3 User Guides and Instruction Manuals found for Cub Cadet Z-Force 48. Engine Connections Cub Cadet Z Force 44 Belt Diagram - Wiring Diagram Pictures Sep 23, 2018Your Z-Force 48 model is Z-Force Form No. Thank you for purchasing a Cub Cadet Zero-Turn Tractor. It was carefully Premature wear and possible failure of the 'V" belt and PTO clutch will result...
Subaru's EJ20K was a turbocharged, 2.0-litre horizontally-opposed (or 'boxer') four-cylinder petrol engine. In Australia, the EJ20K engine powered the Subaru GC/GM Impreza WRX from November 1996 (for the 1997 ‘model year’ or MY97) to 1998. For the Subaru GC/GM Impreza WRX, key features of the EJ20K engine included: Cub cadet cubs puppies bear cubs baby puppies chicken baby animals. Cub Cadet Z Force Kohler 53aa5b7p 50 Ereplacementparts Com. Best offers hand tools for gardening lawn care httpsamznto2innd0w how to replace a pto belt on a z force cub cadet. Cub cadet z force 48 inch... Cub Cadet Z Force Wiring Diagram Wiring Schematic Diagram. Fix for z force tossing belt you can see from the date of this post and my first posting on I need a diagram of pto belt replacement on z force 44 53aa5b6l710 answered by a verified technician. I bought a new belt and had it mailed up to... Popular Cub Cadet Z-Force 48 Manual Pages. Z-Force Series Brochure - Page 1 ... dual hydrostatic rear-wheel transmission allows for easy zero-turn riders Direct the tractor on the opposite side of the strip, slow down . Disengage the PTO and raise the deck to the reverse position, and will minimize the...
Home » Cub Cadet Manuals » Lawn Mowers » Cub Cadet Z-Force 48 » Manual Viewer. Contact with the blade(s) can amputate hands and. Cub Cadet Z-Force 48 | Z-Force 48 Operator's Manual - Page 8 8 Slope Gauge Allow the muffler to fully cool before removing the belt from the PTO pulley.
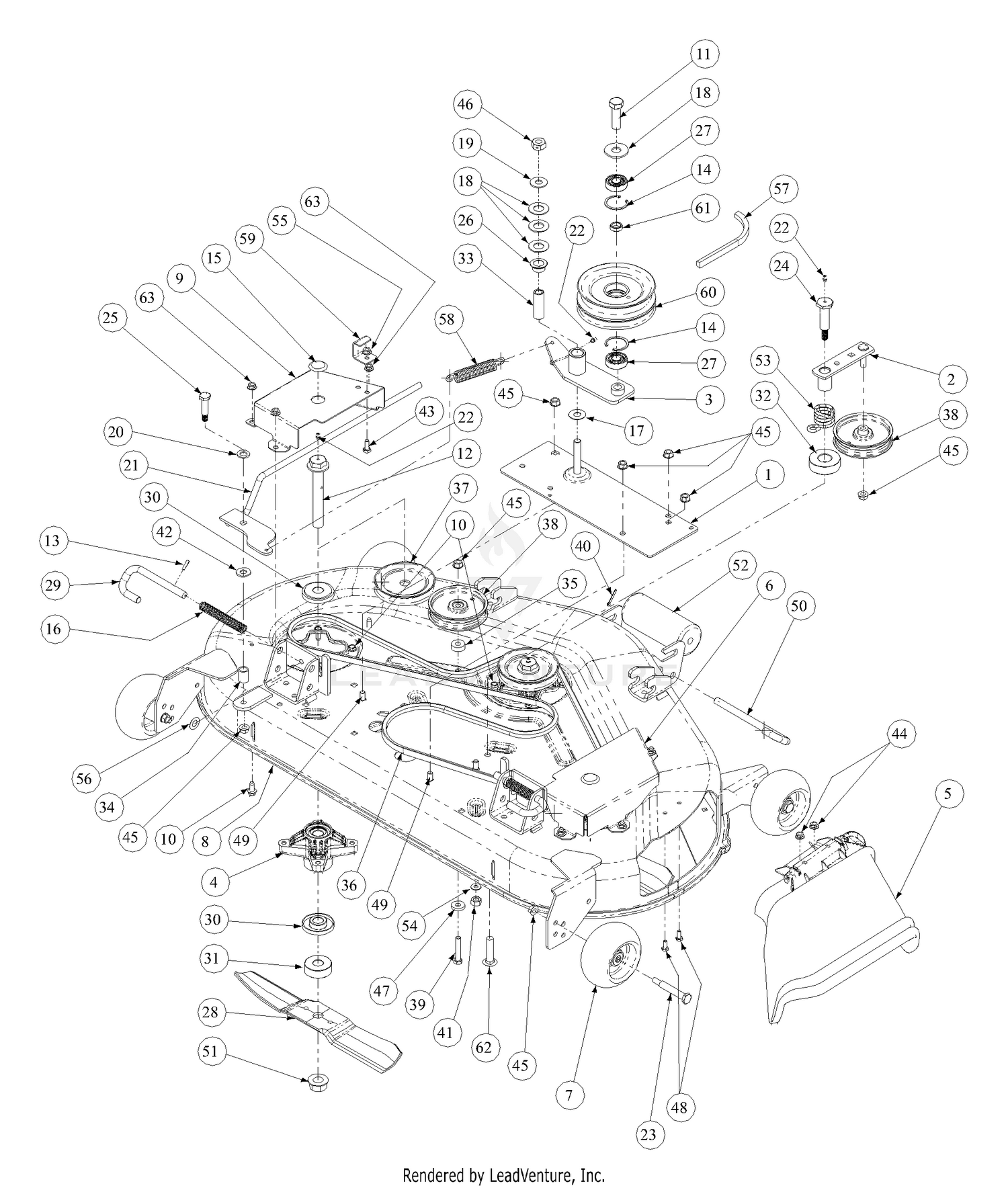
01009787 PTO Belt 02002648 Drive Belt (Transmissions) 02005020 Blade 918-04426 Deck Spindle Phone (877) 282-8684 to locate your nearest Cub Cadet dealer to order replacement parts or a complete Parts Manual (have your full model number and serial number ready).
tipped pcd inserts in 80 degree diamond shape C for hard turning non-ferrous metals of aluminum, the pcd insert cutting edges are made with polycrystalline diamond, indexable inserts with pcd working tips are precision cutting tools, which are used in cnc super fine finish machining, turning and milling automobile engine block, cylinder head, gearbox, cast aluminum alloy with silicon …
Cub cadet zero turn exact replacement belts cub cadet zero turn exact replacement belts. Your cub cadet products come with years of experience in designing some of the most technologically innovative and customer focused equipment available. Remove the deck drive belt from the pto clutch.
Free download of Cub Cadet Z-FORCE Z-FORCE 48 manuals is available on OnlineFreeGuides.com. Cub Cadet Z-FORCE Z-FORCE 48 / Cub Cadet Z Force S 54 Compatible Manual.
Good afternoon i have a cub cadet z force mower with a 48 deck. Cub cadet outdoor power equipment is some of the most reliable on the marke...
Service Manual. Cub Cadet Z-Force. Important: read safety rules and instructions carefully. 5.10.Install the seals with the lips facing outward, using an appropriate driver. Z Force. 5.11.The double pulley that transfers drive from the PTO belt to the deck belt has two different size...
How to replace cub cadet drive belt without taking off mower deck. Fixed My PTO not engaging Issue - 38 Inch Cub Cadet Riding Lawn Mower.
Cub Cadet Z-Force Service Manual. Hide thumbs. Also See for Z-Force. Lawn Mower Cub Cadet Z-Force S Commercial 48 Brochure. The Z-Force is unique in the Cub Cadet product line in that the PTO switch does not need to be re-set after a safety switch PTO shut-down.
I have a 2009 Cub Cadet Z Force 48 that likes to break PTO belts. The first occurance was at 17 hrs. The dealer told me that they heard from cub that I'm not supposed to engage my pto whith the deck lowered into the uncut grass.
Important: Cub Cadet, its parents, affiliates and subsidiaries, is concerned about the safety of its customers and others. Due to the size of the Operator's Manual, some Operator's Manuals are broken down into two or more segments so that the entire Operator's Manual can be downloaded easily.
Force cub cadet zero turn pto belt diagram. Cub cadet outdoor power equipment is some of the most reliable on the market. Cub cadet z force 48 zf48 Need a belt diagram for a cub cadet z force zero turn 48 mtd cub cadet 48 in 22 hp kawasaki question. Easy ordering fast shipping and great service.
PTO Belt Diagram for Cub Cadet Z-Force 48. Cub Cadet Zero Turn 50 Inch Mower. 6 hours ago Cub Cadet PTO BELT B SEC X79 Where Used: Part Number Model Name Diagram ENFORCER 44 (53AH3AGF050) 20HP Kohler Command, VTwin Fabricated Spindle Assembly 44-Inch ENFORCER...
How to replace Cub Cadet drive belt. Cub Cadet Z Force 48 Pto Belt Diagram. Shop for Cub Cadet Z-Force 48 Parts. Factory Direct from Cub Cadet. Z-Force Form No.
Images of wire Diagram For Cub Cadet Z Force See all images Cub Cadet Z Force 44 Wiring Diagram Database Genuine Cub Cadet Mowers: zero-turn lawn mower Parts. Cub Cadet Z Force 44 Pto Belt Diagram Displaying Quick Reference Z-Force 48 parts for the Cub Cadet Z-Force 48...
Cub Cadet Z-Force 50 - took the deck off, replaced the blades, routed the deck belt and the PTO belt. Everything works but the PTO belt is loose, it Good afternoon, I have a Cub Cadet Z-Force mower with a 48" deck. The belt connecting the pulley from the bottom of the engine to the mowing deck broke.
Cub Cadet Z-Force S Manual Online: Replacing The Belt, Z-force 48, Mower Blade Care/sharpening. Replace the PTO belt and reinstall the deck following the. Displaying Quick Reference Z-Force 48 parts for the Cub Cadet Z-Force 48 (17BF3AGV, 17BF3AGV010) - Cub Cadet Z-Force 48"...
Wiring Diagram PDF: 123 Cub Cadet Wiring Diagram. Cub Cadet Z Force 44 Pto Belt Diagram Hanenhuusholli. Cub Cadet I1046 Drive Belt Diagram. Copryright © Image Inspiration | Sitemap.
Related posts Telephone Wiring Diagram Outside Box Gold Foil Experiment Diagram
For the GD.II/GG.II Impreza WRX, the EJ205 engine had Subaru’s ‘Active Valve Control System’ (AVCS) which adjusted the opening and closing timing of the intake valves by changing the phase angle of the camshaft sprocket relative to the camshaft; for the GD.II/GG.II Impreza WRX, it is understood that the maximum range of adjustment was 35 crankshaft degrees.
0 Response to "39 cub cadet z force 48 pto belt diagram"
Post a Comment