Iklan 300x250

40 echo srm 230 parts diagram

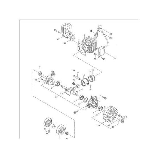
ECHO SRM-230 Trimmer Parts Diagram SN 05001001-05999999 ECHO SRM-230 Parts for serial number 05001001-05999999 available online and ready to ship direct to your door. Our parts diagrams are a great resource for ECHO Trimmer parts lookup. These illustrated parts diagrams include top repair parts like carburetors, trimmer heads, throttle triggers and primer bulbs for the ECHO SRM-230 Trimmer. OPTIONAL ATTACHMENTS & A CCESSORIES SRM-230 Trimmer - ECHO USA 99922203528_230/06 - 4 - REVISED 10/19/11 Table of Contents Part Number Index SRM-230 Trimmer Engine Cover, Exhaust Cover

SRM-2305 Parts and Diagrams - DIY Spare Parts SRM-2305 Parts and Diagrams ... Echo SPARK PLUG. RCJ7Y £8.33 To Basket . All parts that fit a SRM-2305. Diagrams for this machine Select a page to view from the list of diagrams below. Diagrams are usually named by your machine serial number or year of manufacture. SRM-2305 ...

Echo srm 230 parts diagram

Echo srm 230 parts diagram

ECHO SRM-230 Parts Diagrams Online | Lawnmower Pros ECHO SRM-230 Parts Diagrams. We are a Authorized Dixon, Snapper, Echo, Shindaiwa, MTD, Murray and Briggs & Stratton dearler. We carry a large selection of Parts ready to ship to your door. PARTS CATALOG CATÁLOGO DE PIEZAS SRM-230 Trimmer - ECHO USA ©2013 ECHO Incorporated. All Rights Resevered.Todas las derechas Resevered 99922201791 07/25/2013 PARTS CATALOG CATÁLOGO DE PIEZAS SRM-230 Trimmer. TABLE OF CONTENTS - CONTENIDO Click Any Diagram Description Below To View That Diagram Chasque cualquier descripción del diagrama abajo para ver ese diagrama Echo SRM-230 (S73112001001 - e Replacement Parts Echo SRM-230 (S73112001001 - S73112999999) Straight Shaft Trimmer / Brushcutter Parts. Search within model. Maintenance Kits. Tune-Up Kit. $17.59. Add to Cart. 90152Y. bubbles.

Echo srm 230 parts diagram. Echo SRM-230 Parts Lookup by Model - Jacks Small Engines Echo Srm-230 Parts Diagrams SRM-230 S/N: S65611001001 - S65611999999. SRM-230 S/N: S73112001001 - S73112999999. SRM-230 S/N: S80613001001 - S80613999999. JACK'S Newsletter. Subscribe to our email newsletter to receive promotions, helpful DIY articles, and special offers. ... Echo SRM-230 S/N: T49514001001 - T49514999999 Parts Diagrams Echo SRM-230 S/N: T49514001001 - T49514999999 Parts Diagrams Carburetor Control Handle Debris Shield Engine Engine Cover Exhaust Fan Cover Fuel System S/N: T49514001001-T49514064137 Fuel System S/N: T49514064138-T49514999999 Gear Case Ignition Intake Labels Main Pipe Maintenance Kits - RePower Short block - Replacement Starter Echo SRM-230 - Echo String Trimmer Parts Lookup with Diagrams ... Echo SRM-230 - Echo String Trimmer Parts Lookup with Diagrams - Select Your Model (14) Hide. Echo SRM-230 - Echo String Trimmer (SN: 05001001 - 05999999) Echo SRM-230 - Echo String Trimmer (SN: 06001001 - 06999999) Echo SRM-230 - Echo String Trimmer (SN: 07001001 - 07999999) Echo SRM-230 (07002261 - e Replacement Parts Echo SRM-230 (07002261 - 07002288) Straight Shaft Trimmer / Brushcutter Parts. Search within model. Maintenance Kits. Tune-Up Kit. $17.59. Add to Cart. 90152Y. bubbles.

Echo weed eater repair manual - Australia Instructions ... Shop our selection of ECHO, String Trimmers in the Outdoors Department at The Home Depot. shaft gas trimmers echo trimmer lines homelite gas trimmer honda Echo SRM-225 Trimmer Repair. Echo SRM-225 Trimmer. This model replaced the SRM-210. Echo SRM-225 manuals page. Echo SRM-225 parts and diagrams. Repair … Echo SRM-230 - Parts Lookup and OEM Diagrams | PartsTree Echo repair parts and parts diagrams for Echo SRM-230 - Echo String Trimmer (SN: 05001001 - 05999999) The Right Parts, Shipped Fast! Reviews ... Echo SRM-230 (S73112001001 - e Replacement Parts Echo SRM-230 (S73112001001 - S73112999999) Straight Shaft Trimmer / Brushcutter Parts. Search within model. Maintenance Kits. Tune-Up Kit. $17.59. Add to Cart. 90152Y. bubbles. PARTS CATALOG CATÁLOGO DE PIEZAS SRM-230 Trimmer - ECHO USA ©2013 ECHO Incorporated. All Rights Resevered.Todas las derechas Resevered 99922201791 07/25/2013 PARTS CATALOG CATÁLOGO DE PIEZAS SRM-230 Trimmer. TABLE OF CONTENTS - CONTENIDO Click Any Diagram Description Below To View That Diagram Chasque cualquier descripción del diagrama abajo para ver ese diagrama

ECHO SRM-230 Parts Diagrams Online | Lawnmower Pros ECHO SRM-230 Parts Diagrams. We are a Authorized Dixon, Snapper, Echo, Shindaiwa, MTD, Murray and Briggs & Stratton dearler. We carry a large selection of Parts ready to ship to your door.

Shindaiwa 22T Air Filter A226000580 OEM

Shindaiwa 22T Air Filter A226000580 OEM

Echo SRM-230 Carburetor A021000723 OEM

Echo SRM-230 Carburetor A021000723 OEM

ECHO SRM-230 PARTS CATALOG Pdf Download | ManualsLib

ECHO SRM-230 PARTS CATALOG Pdf Download | ManualsLib

Echo SRM-230 - Echo String Trimmer (SN: U07815001001 ...

Echo SRM-230 - Echo String Trimmer (SN: U07815001001 ...

Echo SRM-230 S/N: S80613001001 - S80613999999 Parts Diagram ...

Echo SRM-230 S/N: S80613001001 - S80613999999 Parts Diagram ...

Capuchon

Capuchon

A021004801 Genuine Echo CARBURETOR GL-3A GL3A SRM-2320T GT-225 M235 T235 |  eBay

A021004801 Genuine Echo CARBURETOR GL-3A GL3A SRM-2320T GT-225 M235 T235 | eBay

Echo SRM-310 S/N: 04001001 - 04999999 Brushcutter ...

Echo SRM-310 S/N: 04001001 - 04999999 Brushcutter ...

Stihl FE 55 Electric Trimmer (FE 55) Parts Diagram, D-Polycut ...

Stihl FE 55 Electric Trimmer (FE 55) Parts Diagram, D-Polycut ...

Echo Straight Shaft Trimmer / Brushcutter | SRM-230U ...

Echo Straight Shaft Trimmer / Brushcutter | SRM-230U ...

Echo SRM-230 S/N: S80613001001 - S80613999999 Parts Diagram ...

Echo SRM-230 S/N: S80613001001 - S80613999999 Parts Diagram ...

Echo Weed Eater Model SRM-225 New Filter Carburetor Gasket Replacement -  Part II - Oct 29, 2013

Echo Weed Eater Model SRM-225 New Filter Carburetor Gasket Replacement - Part II - Oct 29, 2013

Parts Lookup - TRIMMERS STRAIGHT SHAFT - SRM-280T - Page 1 ...

Parts Lookup - TRIMMERS STRAIGHT SHAFT - SRM-280T - Page 1 ...

Echo SRM 266 Piston P021037310 OEM

Echo SRM 266 Piston P021037310 OEM

Echo Shindaiwa_DEL_15072017062556 SRM-230 S/N: S80613001001 ...

Echo Shindaiwa_DEL_15072017062556 SRM-230 S/N: S80613001001 ...

Echo GT-200, 201, PE-200, PPF-210, 211, SHC-210, 211, 212, SRM-210,  SRM-211, Short Block SB1072 New Oem

Echo GT-200, 201, PE-200, PPF-210, 211, SHC-210, 211, 212, SRM-210, SRM-211, Short Block SB1072 New Oem

Piece Detachee Outil De Jardin - ACTIVE - RESSORT VOLANT ...

Piece Detachee Outil De Jardin - ACTIVE - RESSORT VOLANT ...

Carburetor for Echo SRM210 SRM 210 SRM-230 HC150 GT200 GT201i HC151 PE200  PE201 PPF210 PPF211 SRM211 String Trimmer Carburetor Parts with Fuel Line  ...

Carburetor for Echo SRM210 SRM 210 SRM-230 HC150 GT200 GT201i HC151 PE200 PE201 PPF210 PPF211 SRM211 String Trimmer Carburetor Parts with Fuel Line ...

Echo SRM 225 Replacement Head 99944200907 OEM

Echo SRM 225 Replacement Head 99944200907 OEM

Download srm® images for free

Download srm® images for free

Retourner à l'accueil 0 0,00 € Accueil Boutique Qui sommes ...

Retourner à l'accueil 0 0,00 € Accueil Boutique Qui sommes ...

Douille

Douille

Le noir Débroussailleuse avec filtre à Air, Kit de réglage ...

Le noir Débroussailleuse avec filtre à Air, Kit de réglage ...

37 Pump Crankcase 0403014700 for Comet Pumps APS 31-41

37 Pump Crankcase 0403014700 for Comet Pumps APS 31-41

Echo SRM-400 - String Trimmer, S/N:04001001 - 04999999 ...

Echo SRM-400 - String Trimmer, S/N:04001001 - 04999999 ...

Echo SRM - 230U Manuals | ManualsLib

Echo SRM - 230U Manuals | ManualsLib

Echo SRM-230 S/N: S73112127551 - S73112328927 Parts Diagram ...

Echo SRM-230 S/N: S73112127551 - S73112328927 Parts Diagram ...

Power head and auger parts EXPLODED PARTS LIST VPH 43 E

Power head and auger parts EXPLODED PARTS LIST VPH 43 E

Shindaiwa T235 - String Trimmer, SPEED-FEED 400 Trimmer Head ...

Shindaiwa T235 - String Trimmer, SPEED-FEED 400 Trimmer Head ...

Echo Straight Shaft Trimmer / Brushcutter | SRM-2100 ...

Echo Straight Shaft Trimmer / Brushcutter | SRM-2100 ...

Echo SRM-230 S/N: S65611054955 - S65611069327 Parts Diagram ...

Echo SRM-230 S/N: S65611054955 - S65611069327 Parts Diagram ...

Echo SRM-225 Trimmer Repair - iFixit

Echo SRM-225 Trimmer Repair - iFixit

Echo A226001410 SRM-230 Air Filter OEM

Echo A226001410 SRM-230 Air Filter OEM

Echo SRM-230 S/N: 05001001 - 05999999 Parts Diagram for Exhaust

Echo SRM-230 S/N: 05001001 - 05999999 Parts Diagram for Exhaust

Echo SRM-230 S/N: S80613001001 - S80613999999 Parts Diagram ...

Echo SRM-230 S/N: S80613001001 - S80613999999 Parts Diagram ...

ECHO SRM-225 Trimmer Parts Diagram SN S89312001001-S89312999999

ECHO SRM-225 Trimmer Parts Diagram SN S89312001001-S89312999999

BARILLET FOURCHETTE Yamaha PW80 2003

BARILLET FOURCHETTE Yamaha PW80 2003

Echo Power Pruner, 25.4 cc PPT-2620 (2019) - iFixit

Echo Power Pruner, 25.4 cc PPT-2620 (2019) - iFixit

Retourner à l'accueil 0 0,00 € Accueil Boutique Qui sommes ...

Retourner à l'accueil 0 0,00 € Accueil Boutique Qui sommes ...

Echo SRM-230 - Echo String Trimmer (SN: 06001001 - 06999999 ...

Echo SRM-230 - Echo String Trimmer (SN: 06001001 - 06999999 ...

0 Response to "40 echo srm 230 parts diagram"

Post a Comment

Iklan Atas Artikel

Iklan Tengah Artikel 1

Iklan Tengah Artikel 2

Iklan Bawah Artikel