Iklan 300x250

42 craftsman 46 inch mower deck belt diagram

Craftsman 54 Inch Mower Deck Belt Diagram - pinoyfaves Craftsman Tractor Belt Diagram Craftsman Tractor Transaxle Parts Model 917289180 Searspartsdi Craftsman Riding Lawn Mower Riding Lawn Need A Diagram For The Huskee Lt 4600 Lawn Mower Click Image For Larger Versionname 2011 12 20 231357 46 Deck Page 27 Yard Machine... communityvergleich.de › odfdmcommunityvergleich.de Feb 21, 2022 · Craftsman Hydrostatic Transmission Diagram Craftsman T150 19 Hp Hydrostatic 46 In Riding Lawn Mower With. Make sure to set the brake and put the rear on a jack stands. These pictures are usually taken when we get the machine in the yard, so their current condition is likely different than pictured.

Murray 38 Inch Deck Belt Diagram - Atkinsjewelry A 38 mower deck allows you to mow flat or hilly terrain on medium to. Murray Lawn Mower Belt Diagram Prettier Murray Ultra Rear Engine. Murray Lawn Mower Belt Diagram 46 Inch Luxury Murray 38 40 42. Murray Lawn Mower Deck Parts Answerbailbonds Info. Murray 38l12g50x8a...

Craftsman 46 inch mower deck belt diagram

Craftsman 46 inch mower deck belt diagram

Craftsman 46 Mower Deck Manual - Free Catalogs A to Z Category: 42 craftsman mower deck diagram Show details. See Also: Craftsman 46 Inch Riding Lawn Mower Manual. 8 hours ago 1995 craftsman 19.5 hp 46 inch mower parts manual Craftsman 917 Lawn Mower 6.5 HP Briggs and Stratton Poulan Pro PB20VA46 20 HP 46-Inch Auto Drive... Riding Mower Deck Belt Diagrams DIY Repair Manual... - YouTube Riding Mower Deck Belt Diagrams DIY Repair Manual AYP - MTD, John Deere, Sears Craftsman. Craftsman 46 Inch Mower Deck Belt Diagram | Home and Garden... need diagram for replacing belt on sears 46" riding mower, model no.. . for 46" deck of craftsman mower new belt but need diagram there will be a sticker . Amazon.com : Arnold Craftsman 46-Inch Deck Belt for Riding Mowers : Garden. Husqvarna 532195945 Mandrel Pulley Replacement for...

Craftsman 46 inch mower deck belt diagram. How To Replace Drive Belt On Craftsman Lawn Mower? If you have a craftsman lawn mower, you can only cut grasses less than 42 inches. When you try to cut larger grasses with a craftsman lawn Now, this is time for the installation of the new drive belt. Insert the drive belt through the front of the deck and make sure it touches the transmission pulley. I Need Some Help! 46" Deck Belt Issues | My Tractor Forum 46" Deck Belt Issues. Jump to Latest Follow. I haave another 46" MTD deck laying around but when I looked at it to see how its belt was routed I found that its belt was gone! Year 1982 Craftsman GT V / 16 Sears Model # 917.253724 Sears Blower Model # 842.260621 Engine # 402417 0676 01... Craftsman Deck Belt Craftsman 46 Mower Deck Belt Diagram - In the past few years, it Is simple to comprehend why hardwood decking Has become increasingly more prevalent. Craftsman Lawn Tractor Deck Drive Belt - 42-in is rated 1.0 out of 5 by 1. Rated 1 out of 5 by Anonymous from Mower deck drive belt too... rockna.de Decided to see if I could fix the throttle "problems" with the John Deere 2010. Remember to lubricate the linkage if you establish that this is necessary. Jun 05, 2021 · About throttle linkage John diagram deere . Here is a belt diagram that i drew for a deere la175 100 series 54 inch deck. John Deere L110 Parts Diagram. With linkage sets ...

Craftsman 48 Inch Mower Deck Belt Diagram - Wiring Diagram... 14 20 x 58 sway bar 180808 v belt mower secondary. Provenpart cub cadet gt1054 54 lawn tractor mower deck parts spindles blades belt pulley... Craftsman 46 Lawn Mower Deck Parts | Reviewmotors.co Craftsman 46 Mower Deck Belt Diagram Lawnmowersketch Mowe. Craftsman 247 288851 13al78st099 lawn tractor 2017 sears mower deck 46 inch parts lookup with diagrams partstree craftsman 46 mower deck belt diagram Craftsman 46 Inch Mower Deck Parts Diagram. How to Install a Deck Belt on a 46-Inch Craftsman Lawn Tractor The Craftsman 46-inch lawn tractor is equipped with a 46-inch mower deck. The large deck enables you to cut a large area with each pass, which helps decrease mowing time. A mower deck drive belt and pulleys make the cutting blade turn. So those parts must ... Mower Deck 46-Inch diagram and repair parts lookup for Craftsman... Jan 23, 2022 · Craftsman 46 Inch Mower Deck - 9 images - 2004 craftsman dlt 3000 42 cut lawn tractor ronmowers, craftsman 42 inch mower deck assembly home and garden Craftsman 46 Mower Deck Belt Diagram - In the past few years, it Is simple to comprehend why hardwood...

Craftsman 46 Mower Deck Belt Diagram Related posts Phasor Diagram Of Potential Transformer Diagram Of Bony Fish Changing The Deck Belt; Parking Brake Adjustment... | ManualsLib Craftsman T1600 Manual Online: changing the deck belt, Parking Brake Adjustment, Changing The Transmission Drive Belt. plug wire(s) andgroundagainstthe engine to preventunintended starting. [before removng the be t. All belts on your tractor are subject t o wearand shouldbe replaced if any. Craftsman 54 Inch Mower Deck Belt Diagram - Diagram For You Craftsman 20 hp 42 in. Need deck belt diagram murray 40 125 hpi need the belt diagram for a yardman 46in. Since the drive belt on your craftsman dys 4500 riding mower is subjected to abrasion from flying grit and debris you need to fit a replacement from time to time before the belt... Craftsman 46 Inch Mower Deck Belt Diagram - Free Diagram For... Mtd 13al78st099 247288852 2012 mower deck 46 inch parts diagram. You can also find other images like wiring diagram parts diagram replaceme...

need a diagram for the huskee lt 4600 lawn mower | Click ...

need a diagram for the huskee lt 4600 lawn mower | Click ...

28 Craftsman 46 Inch Mower Deck Belt Diagram - Wiring Database... General tires spindle mandrel pulley 42 46 inch deck mower tractor craftsman husqvarna 195945. 37 out of 5 stars 28.

T150 46-in. 19.0 HP* Hydrostatic Riding Mower ...

T150 46-in. 19.0 HP* Hydrostatic Riding Mower ...

I am looking for a mower deck belt diagram craftsman 46 in mod... Mower deck belt routing John Deere 420 - 50inch deck [ 3 Answers ]. I need to replace my deck belt on troybilt 17hr. I have a Sears 42 " mower 15.5 HP and need a diagram for Deck belt and drive belt.

Craftsman 28915 LT2500 46-Inch 22HP Kohler Hydrostatic Lawn ...

Craftsman 28915 LT2500 46-Inch 22HP Kohler Hydrostatic Lawn ...

Craftsman 46 in deck belt routing Diagram - Fixya belt routing diagrams are sometimes on the underside of the running board [so when you are laying on your back, you can look up and see it, left side usually]. on a 46 inch deck, it's probable that the diagram is on the rear, center of the deck, you can see it by going behind the tractor...

Craftsman 247288843 front-engine lawn tractor parts | Sears ...

Craftsman 247288843 front-engine lawn tractor parts | Sears ...

Amazon.com: craftsman 46 deck belt Antanker 532405143 Kevlar Belt Replacement Craftsman/AYP 405143 Mower Deck Belt 46" Mower. MTD Genuine Part 954-0349 Genuine Parts Riding Mower 46-inch Deck Belt OEM Part for Troy-Bilt Cub-Cadet Craftsman Bolens Remington Ryobi Yardman Yard.

Pin on Craftsman Tractor model #917273100

Pin on Craftsman Tractor model #917273100

frogclash.de 2022-02-18 · This Kobalt has a inch deck, and is a corded-electric push mower. list view. Kobalt Air Compressor Parts Manual Author: onlinedatingebook. Whether you need a replacement part right away or just want have an extra on hand, this is the place to Explore all available spare parts for your kobalt. Globe Tools (aka Changzhou Globe Tools or Globe Tools Group) is a Chinese …

CRAFTSMAN 46-in Deck Belt for Riding Mower/Tractors (0.53-in W x 17-in L)

CRAFTSMAN 46-in Deck Belt for Riding Mower/Tractors (0.53-in W x 17-in L)

Need Craftsman 46 EZ3 mulching deck belt diagram The deck belt broke and I replaced it with the required 46" belt. Since then, the belt wants to slip off every time I use it. I don't know what's wrong. Craftsman Lawn Tractor 21.0 HP 46" Mower Model No. 917.28924 Drive belt for blades is too loose after replacing mowing blades...will not turn blades...

Cub Cadet LTX1046M Tractor (2012) 13AP91AT009 (2012 ...

Cub Cadet LTX1046M Tractor (2012) 13AP91AT009 (2012 ...

34 Craftsman 46 Mower Deck Belt Diagram - Wiring Diagram... Murray lawn mower belt diagram 46 inch. Get shopping advice from experts friends and the community. It is easy and free. Hardwood decking is really durable because its sourced from wood that is slow growing in tropical ailments. This video provides step by step instructions for replacing the...

Repair Tip

Repair Tip "Mower belt diagrams" - Fixya

PDF Dr 46 Inch Mower Deck Manual Craftsman 46 Mower Deck - Sears 46 mower deck parts for 265. ... John Deere Mulching Blade Mower Deck; Mower Frame; Mower Height Adjustment; 42 Inch Lawn Deck Mower Deck ⎙ Print Diagram. Deck Lawn Mower 46" Deck Belt 1/2 inch X103 inch for Cub Cadet MTD Troy-Bilt OEM...

SOLVED: I need a actual picture of the installed drive belt ...

SOLVED: I need a actual picture of the installed drive belt ...

Craftsman 46 Mower Deck Belt Diagram - Wiring Diagram Source Jeremywell 46 mower deck belt 405143 532405143 584453101 fits craftsman poulan husqvarna. I have a craftsman riding mower model 91727201 with a 46 deck and i need a diagram for routing the belt on a 46 deck belt. Sears partsdirect uses your location to provide local availability in your area.

Craftsman Riding Lawn Mower - Model 13AL78XT293 | MTD Parts

Craftsman Riding Lawn Mower - Model 13AL78XT293 | MTD Parts

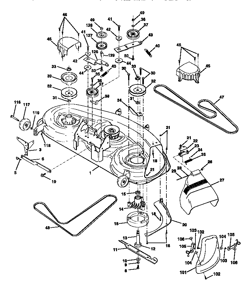
PDF Dr 46 Inch Mower Deck Manual Deck DR Power 46" Lawn Deck Parts Diagrams SWIPE SWIPE. Deck Drive Assembly; Main Deck Assembly; JavaScript Disabled -Unable to show. info Service Mower John Deere 46 inch mower deck a remove six capscrews and left and right belt Craftsman 46 Mower Deck -Sears 33-48 of...

Details about MTD CUB CADET REPLACEMENT 46

Details about MTD CUB CADET REPLACEMENT 46" MOWER DECK V BELT 754-04219 954-04219 FREE S&H

Craftsman 42 Inch Mower Deck Belt Diagram | Deck, Lawn tractor... Have replace both main belts,lower drive belt that goes to front pulley under motor and always back too rear tires.. also replace small belt on top rear tires,it moved a little bit and stop.. u can push the gas pedal down it feels really soft but does not move.any info would be great ,thank u... its a 2005 troy.

Mower Deck Spindle for Craftsman Riding Mowers with 46

Mower Deck Spindle for Craftsman Riding Mowers with 46" 48" 54" Decks Replaces 532192870

Craftsman 46 Inch Mower Deck Belt Diagram • Decks Ideas Mtd 13al78st299 247288861 2012 Parts Diagram For Mower Deck 46 Inch with sizing 1180 X 1527. Craftsman 46 Inch Mower Deck Belt Diagram - In the Last Few years, it's simple to comprehend why hardwood decking Is becoming more and more prevalent.

SOLVED: What is the belt configeration for a Craftsman - Fixya

SOLVED: What is the belt configeration for a Craftsman - Fixya

Craftsman 46 Lawn Tractor Mower Deck with Pulleys and Blades... craftsman lt1000 mower deck assembly. Wheel Horse 42 Mower Deck Parts. But we do not know unless you communicate with us. The item "Craftsman 46 Lawn Tractor Mower Deck blade briggs cadet craftsman deck deere electric engine fits garden honda husqvarna inch john kohler lawn...

How to replace a ground drive belt on a riding lawn mower ...

How to replace a ground drive belt on a riding lawn mower ...

Craftsman Gt5000 Mower Deck Belt Diagram - Free Wiring Diagram Riding mower deck belt diagram diy you. Diagrams science intended for craftsman gt 5000 parts diagram image size 1000 x 750 px and to view image details please To replace ower drmve belt mower drive belt installation 11. Need a diagram for a sears craftsman 42 inch deck drive belt and.

K-Force Aramid Replacement Lawn Mower Deck Belt at Menards®

K-Force Aramid Replacement Lawn Mower Deck Belt at Menards®

Craftsman 46 Inch Mower Deck Parts Diagram Reviewmotors.co Craftsman 54 mower deck belt diagram. Preview9 hours ago Craftsman - GT 26 HP54 Garden Tractor Manual Online. The Craftsman GT 5000 series garden tractors were manufactured for Sears stores by the Husqvarna Group from 2009 to 2011.

craftsman lt2000 drive belt diagram,Limited Time Offer ...

craftsman lt2000 drive belt diagram,Limited Time Offer ...

Craftsman 46 Inch Mower Deck Belt Diagram | Home and Garden... need diagram for replacing belt on sears 46" riding mower, model no.. . for 46" deck of craftsman mower new belt but need diagram there will be a sticker . Amazon.com : Arnold Craftsman 46-Inch Deck Belt for Riding Mowers : Garden. Husqvarna 532195945 Mandrel Pulley Replacement for...

Craftsman Riding Lawn Mower Deck V-Belt Replacement ...

Craftsman Riding Lawn Mower Deck V-Belt Replacement ...

Riding Mower Deck Belt Diagrams DIY Repair Manual... - YouTube Riding Mower Deck Belt Diagrams DIY Repair Manual AYP - MTD, John Deere, Sears Craftsman.

How to put belt on the mower deck - Craftsman Riding Mower ...

How to put belt on the mower deck - Craftsman Riding Mower ...

Craftsman 46 Mower Deck Manual - Free Catalogs A to Z Category: 42 craftsman mower deck diagram Show details. See Also: Craftsman 46 Inch Riding Lawn Mower Manual. 8 hours ago 1995 craftsman 19.5 hp 46 inch mower parts manual Craftsman 917 Lawn Mower 6.5 HP Briggs and Stratton Poulan Pro PB20VA46 20 HP 46-Inch Auto Drive...

Dixon D21KH46 - 96046003500 (2011-08) Parts Diagram for MOWER ...

Dixon D21KH46 - 96046003500 (2011-08) Parts Diagram for MOWER ...

Riding Mower 46-inch Deck Belt - Original Equipment Genuine Part (OEM)

Riding Mower 46-inch Deck Belt - Original Equipment Genuine Part (OEM)

MaxPower Deck Drive Belt for Craftsman, Husqvarna, Poulan Replaces OEM #'s  405143, 532405143, 58445310 336319 - The Home Depot

MaxPower Deck Drive Belt for Craftsman, Husqvarna, Poulan Replaces OEM #'s 405143, 532405143, 58445310 336319 - The Home Depot

Lapanko Craftsman 46

Lapanko Craftsman 46" Mower Deck Belt 405143 532405143 584453101 &fits POULAN Husqvarna

Craftsman 247.273300 (13BP78XS099) - Craftsman T3000 Lawn ...

Craftsman 247.273300 (13BP78XS099) - Craftsman T3000 Lawn ...

Craftsman 917273011 User Manual 20 HP ELECTRIC START 6 SPEED ...

Craftsman 917273011 User Manual 20 HP ELECTRIC START 6 SPEED ...

How to replace both drive and deck belts on a Craftsman riding mower.

How to replace both drive and deck belts on a Craftsman riding mower.

Craftsman riding mower deck belt change

Craftsman riding mower deck belt change

T110 42-in. 17.5 HP* Gear Drive Riding Mower - CMXGRAM1130036 ...

T110 42-in. 17.5 HP* Gear Drive Riding Mower - CMXGRAM1130036 ...

MTD 13AL78ST099 (247.288852) (2012) Parts Diagram for Mower ...

MTD 13AL78ST099 (247.288852) (2012) Parts Diagram for Mower ...

Craftsman 247.288851 (13AL78ST099) - Craftsman Lawn Tractor ...

Craftsman 247.288851 (13AL78ST099) - Craftsman Lawn Tractor ...

SOLVED: No, Need to see a diagram of the springs that are - Fixya

SOLVED: No, Need to see a diagram of the springs that are - Fixya

▷ How to Replace Drive Belt on Craftsman Lawn Mower? - Igra ...

▷ How to Replace Drive Belt on Craftsman Lawn Mower? - Igra ...

Craftsman 917250520 front-engine lawn tractor parts | Sears ...

Craftsman 917250520 front-engine lawn tractor parts | Sears ...

AYP / Husqvarna 44

AYP / Husqvarna 44", 46", 50" and 54" Mower Deck IPL, 3 ...

Craftsman 28924 - YT 3000 21 HP/46

Craftsman 28924 - YT 3000 21 HP/46" Yard Tractor Manuals ...

SOLVED: I need a diagram - Craftsman Riding Mower - iFixit

SOLVED: I need a diagram - Craftsman Riding Mower - iFixit

John Deere MOWER DECK AND LIFT LINKAGE Mower Deck, 46 inch

John Deere MOWER DECK AND LIFT LINKAGE Mower Deck, 46 inch

405143 MOWER DECK BELT replacement for CRAFTSMAN 46

405143 MOWER DECK BELT replacement for CRAFTSMAN 46" 532405143 584453101 & fits POULAN

Craftsman Riding Lawn Mower Deck V-Belt Replacement ...

Craftsman Riding Lawn Mower Deck V-Belt Replacement ...

Craftsman 917 Belt Routing

Craftsman 917 Belt Routing

Craftsman - Outdoor Power Belts - Replacement Parts - The ...

Craftsman - Outdoor Power Belts - Replacement Parts - The ...

Amazon.com : UpStart Components 2-Pack 532405143 Deck Belt ...

Amazon.com : UpStart Components 2-Pack 532405143 Deck Belt ...

CRAFTSMAN T110 17.5-HP Manual/Gear 42-in Riding Lawn Mower ...

CRAFTSMAN T110 17.5-HP Manual/Gear 42-in Riding Lawn Mower ...

0 Response to "42 craftsman 46 inch mower deck belt diagram"

Post a Comment

Iklan Atas Artikel

Iklan Tengah Artikel 1

Iklan Tengah Artikel 2

Iklan Bawah Artikel