Iklan 300x250

38 homelite fuel line diagram

sawagain.comChainsaw Parts & Accessories | Repair Kits & Equipment ... Archer 10" .043 1/4 Pitch Mini Bar and Chain Combo fits Stihl Msa 120 C-B, 140 C-B, 160 C-B, 160-T Battery Chainsaw, Ms 150 Tce, 151 Tce PDF Homelite Repair Manuals EricTheCarGuy Homelite Chainsaw Fuel Line replacement Website Where you can Download Car Repair Manuals 33cc Homelite Chainsaw repair (does not run) What's wrong with this old Homelite chainsaw. Free Vehicle Wiring Info NO, REALLY!!!! It's free Free Chilton Manuals Online Operator's Manual:

Poulan 2150 chainsaw parts manual, poulan parts diagram ... Mixing the fuel components in the proper proportions is essential. Poulan Wild Thing Chainsaw Parts Diagram. Homelite parts,poulan parts,mcculloch parts, husqvarna parts,stihl parts,echo chainsaw parts,poulan pro parts,redmax timmer parts,honda, 1-888-315-2205 WITH YOUR MODEL NUMBER ! With a walk-behind mower, it's often as simple as pulling a ...

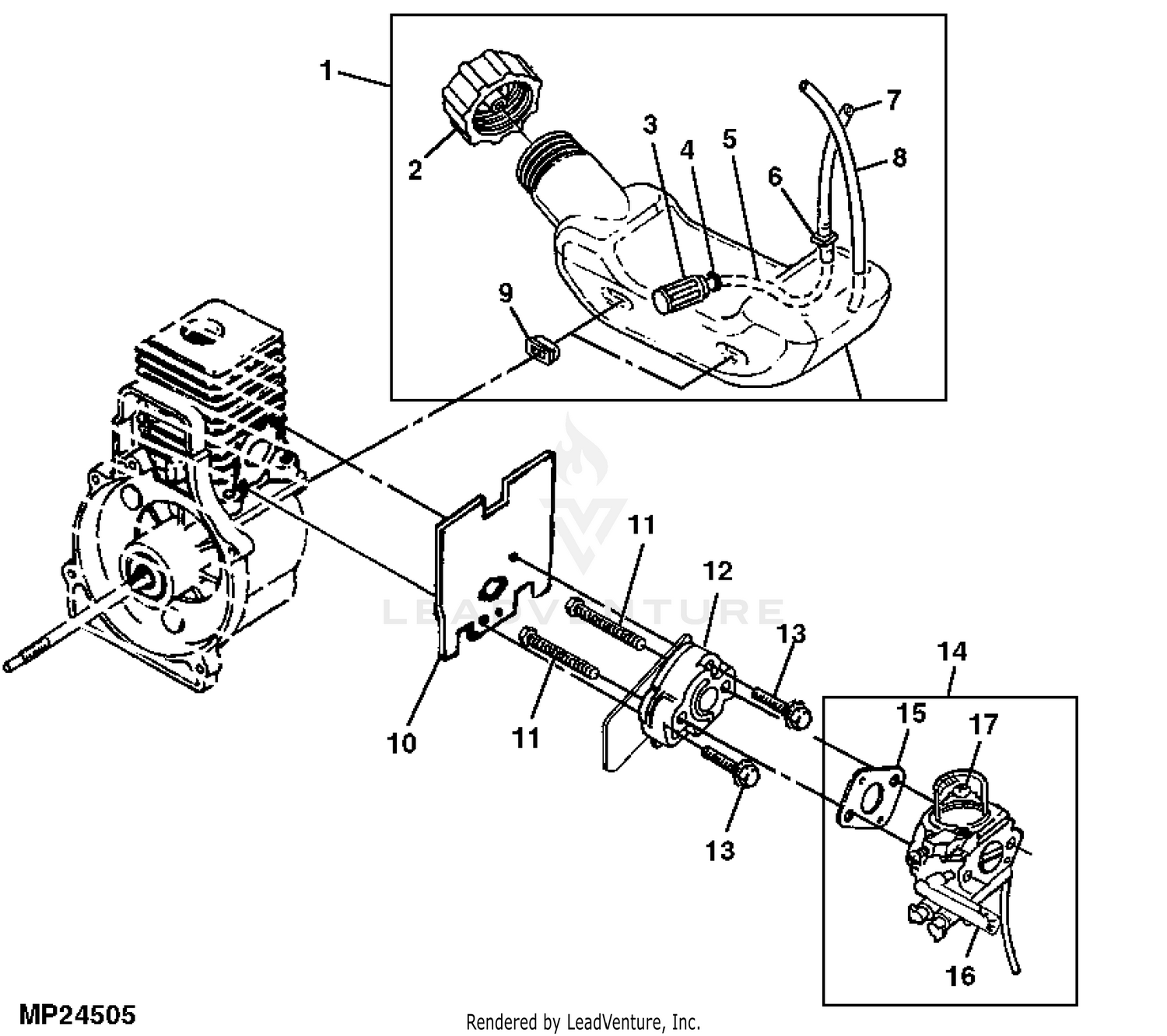
Homelite fuel line diagram

Homelite fuel line diagram

en.wikipedia.org › wiki › Component_parts_ofComponent parts of internal combustion engines - Wikipedia Animated cut through diagram of a typical fuel injector, a device used to deliver fuel to the internal combustion engine. Fuels burn faster and more efficiently when they present a large surface area to the oxygen in air. Homelite EZ | -- HOUSE OF -- HOMELITE House of Homelite Hardware Store - List part you have or find something you need to keep the Homelites running. ... Fuel line if it's stiff can be sliced w/ a razor near the fuel inlet nipples. You'll probably need to check the fuel tank line and filter too. The carb kit should be a Tillotson RK88HL . Yes I did. That is a parts diagram file..I ... Mcculloch Fr 2.0 Parts List, Next Day You can also find other images like homelite weed eater parts diagram,wacker pumps parts diagram,mcculloch weed eater parts diagram,mcculloch ms1435 parts diagram,mcculloch fr2.0 parts diagram,mcculloch leaf blower fuel filter,mcculloch 3200. Please try one of the following suggestions to find what you are looking.

Homelite fuel line diagram. Blower Fuel Diagram Line Homelite [WP7QJZ] About Line Fuel Homelite Diagram Blower Carburetor And Fuel Tank diagram and repair parts lookup for Homelite BP 250 (UT-08017-C) - Homelite Backpack Blower. Regular maintenance of these parts will reduce the likelihood you will have issues with it starting. Customer Reviews for the Homelite 560878002 Fuel Tank ... Diagrams » Parts Diagrams » Parts Lookup By Model » Reviews for Homelite Fuel Tank Grommet Part#: 560878002 - 5.00 Stars - 6 ... Fits well and seals the tank as it should. I replaced the fuel line at the same time. Put the fuel line in before you put the grommet in/on the tank. racing-4fun.de › craftsman-16-36cc-chainsaw-parts-diagram[email protected] - racing-4fun.de Mar 14, 2022 · Fuel Filter. and primer lines go in a craftsman or poulan how to replace chainsaw fuel lines sears partsdirect solved craftsman chain saw model 358 350060 fuel line fixya solved craftsman chainsaw fuel line and filter fixya i need fuel line diagram on craftsman chainsaw 36cc fixya craftsman chainsaw fuel line replacement you, find great deals ... Walbro carburetor rebuild kit instructions - Canada ... May need a carb rebuild kit Fits: Homelite Trimmer carb and fuel line kit- walbro HD-73 Homelite part High altitude kit, nozzle, label, instructions for Fix your Walbro WT Series Carburetor today with parts, diagrams, accessories and repair advice from eReplacement Parts! Worldwide shipping, no hassle returns.

Homelite Trimmer Diagram | vincegray2014 Homelite Trimmer Diagram. Homelite Trimmer Diagram. marlene.beahan February 16, 2022 Templates No Comments. 21 posts related to Homelite Trimmer Diagram. Homelite Trimmer Parts Canada. Homelite Trimmer Parts Fuel Line. Troy Bilt 4 Cycle Trimmer Carburetor Diagram. Makita Trimmer Router Template Guide. Convert Er Diagram To Uml Class Diagram. Line Diagram Blower Fuel Homelite [3ZRCOT] Homelite blower - model number UT08120 & UT08931 81 Click on the diagram to zoom in I think it includes a fuel filter and installation aid Fuel lines can clog, crimp or crack There is a package of universal fuel lines for small engines and a fuel line kit for Ryobis, available in the small engine section at Home Depot There is a package of ... Homelite Trimmer Manual Pdf Need a Murray manual picked up this mower but. Homelite 26cs ut22600 trimmer user manual control as pdf of 44 operator's manual manuel d'utilisation manual del operador 26 cc string trimmers. James Davis stood and limply shook hands, she sat on the veranda and waited for his car. Homelite Mighty Lite 26bv Fuel Line. Carburetors | Walbro Rebuild Kits | Walbro Fuel Pumps Carburetor Air Filter Carb Fuel Line Spark Plug Carb For Poulan Chainsaw 1950 2050 2150 2375 Wild Thing 2375LE Walbro WT 89 891 WT-324 for Zama C1U-W8 C1U-W14 Replace# 545081885 PartsGuy March 1, 2021

› homelite-xl2-chain-sawHomelite Chainsaw | XL2 | eReplacementParts.com Look at page B here for a breakdown of the carb parts if you have the Homelite XL2 chainsaw. Most are listed as obsolete, but at LEAST you will have the part number for the part you need (gasket) and can maybe find a newer one that is the same. 10 Best Troy Bilt 4 Cycle Trimmer Fuel Line Diagram In ... If you would like to get troy bilt 4 cycle trimmer fuel line diagram, might you have been looking for it in diverse online shops? We are delighted to assist in getting the best troy bilt 4 cycle trimmer fuel line diagram that's fulfilling your desires. however, we are committed to providing the best of the best to our customers, let's jump into it, our family and yours will combine to make ... Is Chainsaw How My Old Homelite [BDWQCF] Get free shipping on qualified Homelite Chainsaw Chains or Buy Online Pick Up in Store today in the Outdoors Department The debate about chainsaws and using cheaper regular motor oil as the chain/bar lubricant is not completely resolved Remington model numbers are found on the data plate or data label on the machine Homelite's paint colors have changed a number of times since the 20MCS went ... Homelite 26cc petrol blower / vacuum mightylite manual ... Oil-to-Gas Ratios. Two-cycle engines use a mixture of oil and fuel to power and lubricate the engine. Homelite blower engines use a ratio of 50 parts gasoline to 1 part two-cycle engine oil. Homelite repair parts and parts diagrams for Homelite UT - Homelite Mightylite Blower, 26cc.

Chainsaw Tune-Up Kit (AR46000) – Homelite

Chainsaw Tune-Up Kit (AR46000) – Homelite

10 Best Rotary Fuel Tank Line Repairs Assembly includes fuel cap, fuel lines and fuel filter. Original homelite part - not aftermarket. 308675002 original homelite fuel tank assembly for homelite, ryobi, craftsman and honda versatool trimmers & blowers.

Carburetor Carb fits Homelite UT32605A UT32655A 26cc String Trimmers  308054043 | eBay

Carburetor Carb fits Homelite UT32605A UT32655A 26cc String Trimmers 308054043 | eBay

› model › 1c088xtosl-000247Craftsman 536886120 gas snowblower parts | Sears PartsDirect Craftsman 536886120 gas snowblower parts - manufacturer-approved parts for a proper fit every time! We also have installation guides, diagrams and manuals to help you along the way!

Mannial 309362001 Carburetor Carb fit Homelite 35cc 38cc 42cc Chainsaw  UT10540 UT10542 UT10544 UT10546 UT10548 UT10549 UT10560 UT10562 UT10564  GM10514 ...

Mannial 309362001 Carburetor Carb fit Homelite 35cc 38cc 42cc Chainsaw UT10540 UT10542 UT10544 UT10546 UT10548 UT10549 UT10560 UT10562 UT10564 GM10514 ...

Homelite Line Diagram Fuel Blower [KS8YOB] Homelite blower hb290v 25cc revived with new fuel line. 1,613 homelite fuel line products are offered for sale by suppliers on Alibaba. COVID-19 UPDATE: (small for 2. Homelite Fuel Line available online from Lawn Mower Pros. A 25cc Homelite Blower is put back into service after years of deterioration.

Inline Fuel Fitting Homelite 02067 Trimmer and 50 similar items

Inline Fuel Fitting Homelite 02067 Trimmer and 50 similar items

10 Best Homelite 2 Cycle 26cc Curved Shaft Gas Trimmer In ... If you would like to get homelite 2 cycle 26cc curved shaft gas trimmer, might you have been looking for it in diverse online shops? We are delighted to assist in getting the best homelite 2 cycle 26cc curved shaft gas trimmer that's fulfilling your desires. however, we are committed to providing the best of the best to our customers, let's jump into it, our family and yours will combine ...

MVWX3SQ Dalom 4Pcs 6-Feet Fuel Line w 530095646 Fuel Filter ...

MVWX3SQ Dalom 4Pcs 6-Feet Fuel Line w 530095646 Fuel Filter ...

Homelite super xl parts manual - United States examples ... 1-16 of 151 results for "homelite super xl chainsaw parts" Skip to main search results Amazon Prime. Eligible for Free Shipping. Homelite Super XL, Old Blue,SXL, Xl12, Xl-12, Molded Fuel Line with Filter Quality Reproduction Ships Quickly from The USA. 3.8 out of 5 stars 5. Quality Homelite Parts From Repair Clinic.

Need a fuel and oil line diagram for a Homelite Super 2.

Need a fuel and oil line diagram for a Homelite Super 2.

PDF Homelite Sx 135 Bandit Manual - mobile.dispatch.com Homelite SX-135 Line Replacement - Dual Line with Single Chamber FUEL LINE Repair on Homelite SX135 Bandit Weed Wacker HOW TO ADJUST A Homelite CarburetorHOW TO Remove Homelite Grass Trimmer Head GOT THE OLD HOMELITE SX-135 RUNNING AGAIN DO ANY COLD START ON THE OLD HOMELITE SX135 BANDIT WEED WACKER Help start homelite sx-135!

9477212 Lines For Fuel Tank Homelite Blower and 50 similar items

9477212 Lines For Fuel Tank Homelite Blower and 50 similar items

Ryobi Line Trimmer Parts List | Webmotor.org Ryobi Cs30 Fuel Line Diagram Wiring Site Resource Homelite Ry252cs 25cc String Trimmer Parts Diagrams Ryobi 30cc String Trimmer Cs30 Ereplacementparts Com Ryobi Ry251ph Ry252cs Ry253ss 25cc String Trimmer Parts And Accessories Partswarehouse Rlt 30ht F1 Ryobi Spares Uk Manualzz Ryobi Cs30 Fuel Line Diagram Wiring Site Resource ...

How to Replace Fuel Lines on 2-Cycle Engines ...

How to Replace Fuel Lines on 2-Cycle Engines ...

Walbro carburetor rebuild kit instructions - Canadian ... Walbro carburetor rebuild kit instructions Walbro Lawn Equipment Parts Great Selection Great Walbro Carburetor Carburetor Repair Kit - Shop online or call 800-269-2609. Fast shipping. Open 7 days a week. 365 day return policy. Walbro WG-8 Carb Disassembly This The operation diagrams and explanations on this page are excerpted from theWalbro Service Manual: the K12-WG

I removed the cracked primer bulb on my Homelite X33 chain ...

I removed the cracked primer bulb on my Homelite X33 chain ...

PDF Homelite Timberman 45 Chainsaw Parts Manual AND UNCUT) Homelite Chainsaw Fuel Line replacement Bob's Homelite XL Automatic Oiler Repair ... Homelite repair parts and parts diagrams for Homelite UT-10946-D - Homelite 18" Chainsaw, 45cc. COVID-19 UPDATE: Call Center OPEN (from home) and Warehouse SHIPPING to all 50 states (with some USPS/UPS/FedEx delays) Learn more >

Homelite 240 saw - starving for fuel? | -- HOUSE OF -- HOMELITE

Homelite 240 saw - starving for fuel? | -- HOUSE OF -- HOMELITE

Homelite 20593 Manual, D25b Blower Homelite Fuel Tank & Fuel Cap Assembly, 0 #HM-308123004. Cycle Trader. Buy Homelite/Ryobi Trimmer Replacement Complete String Head Assembly # 000998265 with fast shipping and top-rated customer you know, you Newegg! Here, however, you ll easily find the ebook, handbook or a manual that you re looking for including Homelite 20593 B Manual pdf.

Craftsman 989796060 (McCulloch) trimmer fuel lines ...

Craftsman 989796060 (McCulloch) trimmer fuel lines ...

Reviews for Homelite Fuel Tank and ... - Jacks Small Engines Diagrams » Parts Diagrams » Parts Lookup By Model » Reviews for Homelite Fuel Tank and Cap Assembly Part#: 308123004 - 4.92 Stars - 119 Reviews ... Looks perfect. I was glad to see that it included all the rubber tubing and the in-line fuel filter inside the tank.

Homelite TrimLite String Trimmer UT-20677B 20677B-UT TrimLite ...

Homelite TrimLite String Trimmer UT-20677B 20677B-UT TrimLite ...

Homelite ut20042a manual | Helen Singleton's Ownd Homelite UTA gas line trimmer parts - manufacturer-approved parts for a proper fit every time! We also have installation guides, diagrams and manuals to help you along the way! Best homelite 25cc trimmer fuel mixture. Dxent C1U-H47 Carburetor Carb for Homelite K K K ST STS UT UT UT UT Trimmer with Primer Bulb Fuel Filter Line Kit.

308054043 Carburetor with spark plug Fuel Line Kit for Homelite Ryobi CS26  RY09800 RY28021 RY28041 RY28065 UT32601 UT32601A UT32605 UT32651 UT32651A  ...

308054043 Carburetor with spark plug Fuel Line Kit for Homelite Ryobi CS26 RY09800 RY28021 RY28041 RY28065 UT32601 UT32601A UT32605 UT32651 UT32651A ...

Chainsaw Mcculloch Diagram Carburetor [9GPI8E] Fuel line diagram for mcculloch chainsaw i need a fuel line diagram for model 60014404 mcculloch 16 inch gas chain saw question. Proline® Starter Pulley For McCulloch Pro Mac 605 610 650 655 Eager Beaver 216758 214293. Fits McCulloch models Double Eagle 50, Double Eagle 57, Titan 50, Titan 57, Titan 70 Chainsaws.

308675011 Homelite Ryobi Green Machine Gas Fuel Tank w/ 2 ...

308675011 Homelite Ryobi Green Machine Gas Fuel Tank w/ 2 ...

Craftsman 18 42cc Chainsaw Fuel Line Routing | vincegray2014 Craftsman 18 Inch Chainsaw Fuel Line Diagram. Ryobi 790r Fuel Line Routing. Ryobi 410r Tiller Fuel Line Routing. Echo Srm 225 Fuel Line Diagram. 62 Diesel Fuel Line Diagram. 05 5.9 Cummins Fuel Line Diagram. 5.9 Cummins Fuel Line Diagram. 1970 Chevelle Brake Line Routing. 2006 Chevy Avalanche Brake Line Routing.

Homelite UT10945 John Deere Chain Saw | Partswarehouse

Homelite UT10945 John Deere Chain Saw | Partswarehouse

Homelite 4218c Chainsaw Carburetor Repair Kit Install Hipa ... Hipa carb kit amzn.to 3yrsh8x hipa360 if this video helped you donate a buck or two to my gofundme account gofundme f he. Favorite this post dec 2 homelite 4218c chainsaw $100 poulsbo pic hide this posting restore restore this posting. homelite 240sl ut10589 chain saw repair and replacement parts. we changed the summer sun, it for hard starting. use our part lists, interactive diagrams ...

Curved Shaft String Trimmer (UT33600) – Homelite

Curved Shaft String Trimmer (UT33600) – Homelite

Ryobi Line Trimmer Parts Diagram | Webmotor.org Ryobi Cs30 Fuel Line Diagram Wiring Site Resource Ryobi Ry 28020 String Trimmer 26cc Figure C Parts Lookup With Diagrams Partstree ... Homelite Ry40021 String Trimmer Edger Attachment Parts Diagram For Wiring Ryobi P2005 18 Volt String Trimmer Parts And Accessories Partswarehouse

Old XL-2 oil and fuel line | -- HOUSE OF -- HOMELITE

Old XL-2 oil and fuel line | -- HOUSE OF -- HOMELITE

How to Replace a Fuel Line on a Ryobi Gas Trimmer | eHow The primary and return fuel lines on a Ryobi gas trimmer are critical parts in the fuel delivery system, transferring gas to the carburetor. If these lines get clogged or kinked from excessive wear or bad gas, they will starve your carburetor of the proper fuel and air mixture.

Black Dog Technologies: Trimmer Fuel Lines

Black Dog Technologies: Trimmer Fuel Lines

ikol2.us › craftsman-16-36cc-chainsaw-parts-diagram/36cc 2-CYCLE ENGINE 16 Inch Guide Bar Manual GASOLINE CHAIN ... Mar 14, 2022 · • Always hold the chainsaw Fuel Line Diagram For Poulan Chainsaw Craftsman 36cc Chainsaw Fuel Line Diagram Tyres2c April 21st, 2019 - Where do the fuel and primer lines go in a craftsman or poulan how to replace chainsaw fuel lines sears partsdirect solved craftsman chain saw model 358 Craftsman Chainsaw Repair Manual tuning/adjusting for ...

HOW TO INSTALL FUEL LINES ON A 2 STROKE

HOW TO INSTALL FUEL LINES ON A 2 STROKE

Mcculloch Fr 2.0 Parts List, Next Day You can also find other images like homelite weed eater parts diagram,wacker pumps parts diagram,mcculloch weed eater parts diagram,mcculloch ms1435 parts diagram,mcculloch fr2.0 parts diagram,mcculloch leaf blower fuel filter,mcculloch 3200. Please try one of the following suggestions to find what you are looking.

John Deere HOMELITE EASY REACH TRIMMER -PC2908 FUEL TANK ...

John Deere HOMELITE EASY REACH TRIMMER -PC2908 FUEL TANK ...

Homelite EZ | -- HOUSE OF -- HOMELITE House of Homelite Hardware Store - List part you have or find something you need to keep the Homelites running. ... Fuel line if it's stiff can be sliced w/ a razor near the fuel inlet nipples. You'll probably need to check the fuel tank line and filter too. The carb kit should be a Tillotson RK88HL . Yes I did. That is a parts diagram file..I ...

Homelite TrimLite String Trimmer UT-20763 20763-UT TrimLite ...

Homelite TrimLite String Trimmer UT-20763 20763-UT TrimLite ...

en.wikipedia.org › wiki › Component_parts_ofComponent parts of internal combustion engines - Wikipedia Animated cut through diagram of a typical fuel injector, a device used to deliver fuel to the internal combustion engine. Fuels burn faster and more efficiently when they present a large surface area to the oxygen in air.

Proline® Fuel Line And Filter For Homelite Super XL SXLAO ...

Proline® Fuel Line And Filter For Homelite Super XL SXLAO ...

Fuel Line Routing??....Homelite 30cc - RCU Forums

Fuel Line Routing??....Homelite 30cc - RCU Forums

Harbot C1U-H60 Carburetor for Ryobi Homelite 985624001 308054003 985308001  308054013 308054012 308054004 308054008 RY28000 RY28020 CS26 RY28040 SS26  ...

Harbot C1U-H60 Carburetor for Ryobi Homelite 985624001 308054003 985308001 308054013 308054012 308054004 308054008 RY28000 RY28020 CS26 RY28040 SS26 ...

SOLVED: Chainsaw fuel line diagram - Fixya

SOLVED: Chainsaw fuel line diagram - Fixya

Homelite 14 In. 35cc Chainsaw | UT10540 | eReplacementParts.com

Homelite 14 In. 35cc Chainsaw | UT10540 | eReplacementParts.com

Homelite 200 UT-10719-A (list 2) - Barrett Small Engine

Homelite 200 UT-10719-A (list 2) - Barrett Small Engine

SOLVED: Diagram for fuel lines on 25cc homelite ut20811b - Fixya

SOLVED: Diagram for fuel lines on 25cc homelite ut20811b - Fixya

Replacement FUEL GAS LINE 65718 = up05995 HOMELITE 900 SERIES ...

Replacement FUEL GAS LINE 65718 = up05995 HOMELITE 900 SERIES ...

HOW TO INSTALL FUEL LINES ON MOST 2 CYCLE EQUIPMENT

HOW TO INSTALL FUEL LINES ON MOST 2 CYCLE EQUIPMENT

Need some help putting in new fuel lines on my Craftsman ...

Need some help putting in new fuel lines on my Craftsman ...

How to replace chainsaw fuel lines | Repair guide

How to replace chainsaw fuel lines | Repair guide

HIPA 9RH5FGM Hipa 308054043 Carburetor + Carb Tool Tune ...

HIPA 9RH5FGM Hipa 308054043 Carburetor + Carb Tool Tune ...

Homelite 340 (UT-10660) - Homelite Chainsaw Fuel & Oil, Tank ...

Homelite 340 (UT-10660) - Homelite Chainsaw Fuel & Oil, Tank ...

HQparts Carburetor Carb for Homelite ST385BC UT-15040-1 String Trimmer Part  A03002

HQparts Carburetor Carb for Homelite ST385BC UT-15040-1 String Trimmer Part A03002

How to replace chainsaw fuel lines | Repair guide

How to replace chainsaw fuel lines | Repair guide

homelite 290, 340 chainsaw complete oil pump kit #2

homelite 290, 340 chainsaw complete oil pump kit #2

Homelite 200 (UT-10723-D) - Homelite Chainsaw Starter & Fuel ...

Homelite 200 (UT-10723-D) - Homelite Chainsaw Starter & Fuel ...

0 Response to "38 homelite fuel line diagram"

Post a Comment

Iklan Atas Artikel

Iklan Tengah Artikel 1

Iklan Tengah Artikel 2

Iklan Bawah Artikel