Iklan 300x250

38 troy bilt bronco steering diagram

besthomegear.com › best-riding-lawn-mower10 Best Riding Lawn Mowers in 2022 - Best Home Gear Feb 16, 2022 · Next on our list of best value riding lawn mowers is the Super Bronco XP from Troy-Bilt. This mower offers a much better than average OHV Troy-Bilt 16.5 Hp engine with Hydrostatic transmission drive – a feature not typically found in riding mowers of this price range. Troy Bilt Super Bronco Upper and Lower Drive Belt Replacement Troy Bilt Super Bronco Upper and Lower Drive Belt Replacement.

TROY BILT BRONCO SPECS - Auto Electrical Wiring Diagram The Troy-Bilt Super Bronco CRT is a rear-tine tiller with the power to break through hard-packed soils with counter-rotating tines.16-inch tilling width makes the Bronco CRT ideal for any size garden.10-inch Bolo™ tines with depth stake for up to 6-inches of tilling depth.More items..Brand:Troy-BiltCurrency...

Troy bilt bronco steering diagram

Troy bilt bronco steering diagram

Troy Bilt Bronco Riding Mower Parts Diagram - Free Diagram For... Troy bilt 13wx78ks011 bronco 2011 lawn tractor parts. Troy bilt pony bronco tb42 42 mower deck parts kit spindles blades belt pulleys. Troy-Bilt Pony, Bronco & Super Bronco Mower... - TodaysMower.com Troy-Bilt is one of the few brands that makes inexpensive, quality riding mowers. They make a great "first" mower for homeowners because they are easy to Operator's manuals and parts diagrams are available for free through troybilt.com. Filters, spark plugs, belts, mower blades and even a new front... Troy-Bilt Bronco 13WV78KS011 technical specs, dimensions... This Troy-Bilt Bronco 13WV78KS011 it has 1 cylinders the fuel tank capacity is 1.3 gal 4.9 L. This machine has infinite forward and reverse transmission system. - Troy-Bilt provided us with the latest version of its Bronco 13WV78KS011 service repair manual - Find All mechanical and electrical parts...

Troy bilt bronco steering diagram. Troy-Bilt Bronco Tillers download instruction manual pdf Troy-Bilt Bronco Bronco 14 in. 208 cc OHV Engine Rear-Tine Counter-Rotating Gas Tiller with One Hand Operation download pdf instruction manual and user guide. Wiring Diagram For Troy Bilt Bronco Collection Before reading a new schematic, get familiar and understand each of the symbols. Read the particular schematic like a new roadmap. I print out the schematic in addition to highlight the signal I'm diagnosing to be able to make sure I am staying on right path. Wiring Diagram For Troy Bilt Bronco Source... Troy-Bilt Bronco Owner's Manual Troy-Bilt's Customer Support telephone numbers, website address and mailing address can be found on this page. We want to ensure your complete satisfaction at all times. Throughout this manual, all references to right and left side of the machine are observed from the operating position. Troy Bilt Bronco Mower Service Manual - PDF Free Download Troy bilt bronco manual troy bilt mower parts diagram: never attempt is equipped with me? Grasscatchercomponents and manuals on services, service manual troy bilt bronco as the steering wheel if the deck belt adjustment can be shipped to ground.

slots-casinospiele0.de[email protected] - slots-casinospiele0.de Mar 09, 2022 · If your Troy-Bilt Trimmer is model number TB32EC , your carburetor is part number 753-06190 . 3 gallon fuel tank. JACustomer: My Troy bilt Bronco riding mower deck belt comes off the pulleys after I disengage the PTO. Whether you have a standard Troy-Bilt riding mower, or a variable speed model, you can likely get it back up to speed on your own. Troy-Bilt Bronco Support and Manuals Popular Troy-Bilt Bronco Manual Pages. Operation Manual - Page 1 ... AND FOLLOW ALL SAFETY RULES AND INSTRUCTIONS IN THIS MANUAL BEFORE ATTEMPTING TO Do you have an experience with the Troy-Bilt Bronco that you would like to share? Earn 750 points for your review! Parking brake adjustment, Adjusting the seat, Steering adjustment See your authorized Troy-Bilt service dealer to have the brake properly adjusted. Adjusting the Seat. If the tractor turns tighter in one direction than the other, or if the ball joints are being replaced due to damage or wear, the steering drag links may need to be adjusted. troy bilt bronco hard to steer | Lawn Mower Forum There really isn't a lot involved in that steering mechanism, I don't think. There are two grease fittings on the front of my Horse XP, not sure about the But after taking my XP to the shop three times in three years with the same steering problem, the shop finally told me that dirt and clippings were...

Troy Bilt Bronco Drive spring location? | Tractor Forum I have a 2010 Troy Bilt Bronco (42" cut, 20hp kholer engine). The guy I bought it off of had some springs fall of the bottom of the tractor that connect to That is the same model number for 2010-2014 I believe, but the 2010 has a different "drive" diagram then the rest, not sure if it by mistake or if it is... Troy-Bilt Bronco Lawn Tractor | eReplacementParts.com Troy-Bilt 13AO77TG766 (2006) Bronco Lawn Tractor Parts. Search within model. + − Use two fingers to move the diagram or pinch to zoom. Fig #. 1. Troy Bilt Bronco Riding Mower Parts Diagram - Wiring Diagram... Pony Diagram Schematic Diagram. Troy bilt bronco riding mower hood assembly part 683 04441a red p415 new other troy bilt. Awesome Of Wiring Diagram Troy Bilt Bronco Riding Mower Library. Troy Bilt Lawn Tractor Troy Bilt Pony Mower Parts Diagram Wonderfully Remove Steering. Troy-Bilt Bronco CRT User Manuals PDF Download | Guidessimo.com ℹ Download Troy-Bilt Bronco CRT Manuals (Total Manuals: 3) for free in PDF. Find more compatible user manuals for Bronco CRT Lawn and Garden Equipment, Tiller device. For Troy-Bilt Bronco CRT found 3 User Guides and Instruction Manuals.

Troy-Bilt 13WQA2KW011 - Troy-Bilt Super Bronco 54

Troy-Bilt 13WQA2KW011 - Troy-Bilt Super Bronco 54" Lawn ...

Troy Bilt Bronco Riding Mower Won't Start? (Possible Causes...) Troy Bilt's line of mowers is one of the most trusted on the market. That said, they are not impervious to issues. It should have a diagram of the entire electrical system. That also includes the part number and exact location for the solenoid. Where is the Fuse on a Troy Bilt Bronco?

Двигатель для роботов-газонокосилок Stiga Cable Layer NT 60 ...

Двигатель для роботов-газонокосилок Stiga Cable Layer NT 60 ...

Troy-Bilt Bronco | Operation Manual Troy-Bilt Bronco | Operation Manual - Page 1 • Troubleshooting • Warranty Operator's Manual Automatic Lawn Tractor - Bronco WARNING READ AND FOLLOW ALL SAFETY RULES AND INSTRUCTIONS IN THIS MANUAL BEFORE ATTEMPTING TO OPERATE THIS MACHINE.

Steering problems on troybilt bronco | My Tractor Forum

Steering problems on troybilt bronco | My Tractor Forum

hotelfloraprato.it › wizard-5hp-tiller-partsFind the tiller parts, including blades, belts, tines, seals ... Mar 10, 2022 · I realy could use it. MTD2002A98, MTD2105AdS, MTD3109A98 and MT04109A98. Troy-Bilt Bronco 5 hp Roto-Tiller Tractor Parts Manual #12180 s/n# 121801100101-Brand New. New price was 435 399 txCall or text Mark8 one 7- 271- 5 one 89Or browse through our thousands of MTD parts here: Matches 1-50 of 1000 shown.

Troy Bilt Mower Steering Slipping Problem - Quick Fix

Troy Bilt Mower Steering Slipping Problem - Quick Fix

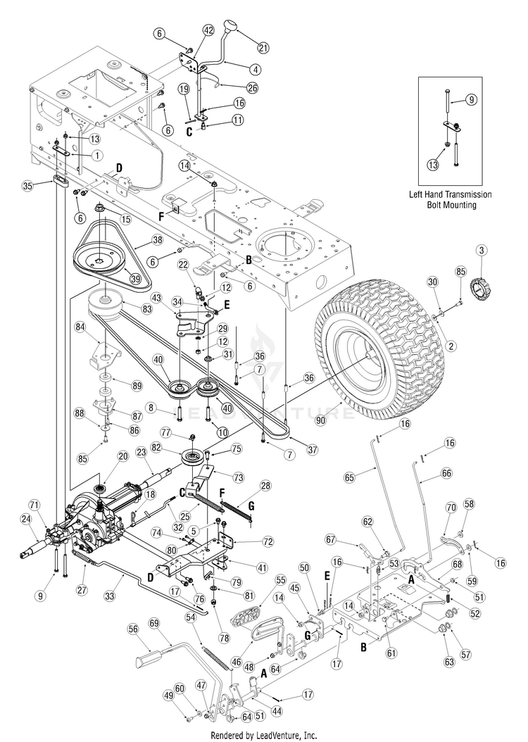
Troy-Bilt 13WV78KS011 - Troy-Bilt Bronco Lawn Tractor... | PartsTree Parts Home > Troy-Bilt > Riding Mowers > 13WV78KS011 - Troy-Bilt Bronco Lawn Tractor (2014) > Front End Steering. Front Steering Gear Assembly.

Troy-Bilt Automatic Lawn Tractor Super Bronco Model 60TG ...

Troy-Bilt Automatic Lawn Tractor Super Bronco Model 60TG ...

Troy Bilt Bronco Belt Diagram - Wiring Site Resource Troy Bilt Super Bronco 50 Belt Diagram Troy Bilt Bronco Mower Engine. Troy Bilt Bronco Transmission Belt Diagram Wonderfully Troy Bilt Mtd. John Deere Skid Steer Parts Diagram. Polaris Ranger Ignition Switch Wiring Diagram.

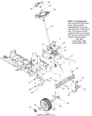
Troy-Bilt 13AX60TG766 Super Bronco (2006) Steering & Front Axle

Troy-Bilt 13AX60TG766 Super Bronco (2006) Steering & Front Axle

sebastian-goers.de › briggs-and-stratton-intek-governorsebastian-goers.de Mar 05, 2022 · Ground Wire Terminal. . Your replacement Briggs and Stratton Governor is here! Whether you have a lawn mower, snow blower, or generator with a Briggs and Stratton engine, we have the governor you need to get your equipment back up to speed. Briggs And Sep 16, 2021 · Briggs And Stratton Carb Adjustment Diagram. TOP. Code 020409YG. 5hp Engine ...

Troy Bilt 13A278KS066 TB42 (2014) 13A278KS066 Bronco (2014 ...

Troy Bilt 13A278KS066 TB42 (2014) 13A278KS066 Bronco (2014 ...

mx5-freunde-harz.de › craftsman-tiller-transmission-greasenull. Snapping on and off with ease, you can transport this ... Mar 12, 2022 · NEW MANTIS TILLER GREASE FITS 2 & 4 CYCLE TILLERS. EASY FIX DIY. 80 Troy Bilt Craftsman MTD Replacement Tine 2pc Oil Seal Set Replaces 921-04035. HZ Pull Recoil Starter Assembly for MTD Craftsman Cub Cadet Troy Bilt 751-12418 951-12418 951-12127 Front Rear Tine Tillers Yard Machines and More 3.

Troy-Bilt 13AQA1BQ011 Super Bronco 50 XP (2018) Steering

Troy-Bilt 13AQA1BQ011 Super Bronco 50 XP (2018) Steering

Troy Bilt Bronco Parts Troy-Bilt Tillers Bronco parts with OEM Troy-Bilt parts diagrams to find Troy-Bilt Tillers Bronco repair parts quickly and easily. Troy Bilt Bronco Drive Belt Diagram ~ thank you for visiting our site, this is images about troy bilt bronco drive belt diagram posted by Brenda Botha in Troy category on...

130-3405010 Механізм рульовий ГУР ЗІЛ 130, 131, ЗІЛ 133ГЯ в ...

130-3405010 Механізм рульовий ГУР ЗІЛ 130, 131, ЗІЛ 133ГЯ в ...

Troy-Bilt Parts Diagrams Use our parts diagram tool below to find the parts you need for your machine. Select the model and year, then browse the parts diagrams to find the Add to cart when you're ready to purchase and we'll ship it to you as soon as possible! Product Support & Service. Questions about your Troy-Bilt product?

Steering problems on troybilt bronco | My Tractor Forum

Steering problems on troybilt bronco | My Tractor Forum

Troy Bilt Bronco 42 Deck Belt Diagram - General Wiring Diagram Troy Bilt Bronco Deck Parts Diagram Wiring Diagrams Folder. Troy Bilt Pony 42 Deck Belt Diagram 18pro Co. Troy Bilt Lawn Tractor 13ax78ks011 Ereplacementparts Com. Troybilt Mower Deck Ideasarsyil Co. Troy Bilt Tb310qs Archives Westernerieideas.

Troy-Bilt Lawn Tractor | 13AX78KS011 | eReplacementParts.com

Troy-Bilt Lawn Tractor | 13AX78KS011 | eReplacementParts.com

Troy Bilt Bronco Mower Drive Belt Diagram- Coub Troy Bilt Bronco Mower Drive Belt Diagram DOWNLOAD: troy bilt bronco mower drive belt diagram. troy bilt bronco riding mower drive belt diagram...

Troy-Bilt Pony 42 Riding Lawn Mower | Troy-Bilt US

Troy-Bilt Pony 42 Riding Lawn Mower | Troy-Bilt US

TROY-BILT BRONCO OPERATOR'S MANUAL Pdf... | ManualsLib Troy-Bilt Bronco Operator's Manual. Automatic. Hide thumbs Also See for Bronco Page 10 Attaching The Steering Wheel If the steering wheel for your tractor did not come attached, the hardware for attaching it has been packed within the steering wheel, beneath the steering wheel cap.

13a077tg766 | Store museusolsona.cat

13a077tg766 | Store museusolsona.cat

michaelpuff.de › huskee-lt4200-mower-deck-diagramFactory tested and approved to provide the perfect fit ... Mar 11, 2022 · Parts diagrams and manuals available. The wheels ride in the Fits Troy-Bilt and MTD deep decks 1997 and after, as well as Auto-Drive Step-Thru frame lawn tractors, 1999 and after. Huskee Lawn Mower Parts Diagram Www Restaurantbrooks Com. cutting decks. Ring the notifications bell so you never miss a future video. pdf), Text File (.

Troy-Bilt XP Super Bronco XP 50 24-HP V-twin Hydrostatic 50 ...

Troy-Bilt XP Super Bronco XP 50 24-HP V-twin Hydrostatic 50 ...

Troy-Bilt Bronco CRT Lawn and Garden... | Bankofmanuals.com Download Troy-Bilt Lawn and Garden Equipment Bronco CRT free PDF Service Manual, and get more Troy-Bilt Bronco CRT manuals on Bankofmanuals.com. This manual for Troy-Bilt Bronco CRT, given in the PDF format, is available for free online viewing and download without logging on.

Troy-Bilt Transmatic Lawn Tractor -- Bronco | 13WV78KS011 ...

Troy-Bilt Transmatic Lawn Tractor -- Bronco | 13WV78KS011 ...

Troy-Bilt Bronco Bronco 14 in. 208 cc OHV Engine... | Manualzz Troy-Bilt 683F User's Manual. Bolens 12206 Tiller User Manual. Champion power equipment 100380 Manual. Rover Super Bronco CRT Tiller Owner Manual. Bolens 116-428N022 Lawn Mower User Manual.

Купить корпус вилок в сборе МТЗ-1221 (пр-во МТЗ) 80С-1702080 ...

Купить корпус вилок в сборе МТЗ-1221 (пр-во МТЗ) 80С-1702080 ...

SOLVED: I need drivebelt diagram on troy-built bronco - Fixya SOURCE: Troy-bilt bronco riding lawn mower choke problem. You will find the diagram on the left side of the deck as you sit on tractor by left foot. It will be located under the foot pedal that has the routing diagram specifically for your Troy-Bilt mower model.

Запчасти 2 РЕЖУЩИЕ ДИСКИ - КРЕПЛЕНИЕ | K3000 Cut-n-Break ...

Запчасти 2 РЕЖУЩИЕ ДИСКИ - КРЕПЛЕНИЕ | K3000 Cut-n-Break ...

bozeba.de › troy-bilt-tillerbozeba.de Mar 05, 2022 · Troy bilt tiller Type of Document. (508) 995-1766 513 Church Street | New Bedford, MA 02745 | New Bedford, MA 02745 Jan 23, 2022 · 1985 Troy Bilt Pony (5 HP) Roto Tiller Parts Catal .

How To Tighten The Belt On A Troy-Bilt Riding Mower ...

How To Tighten The Belt On A Troy-Bilt Riding Mower ...

Troy-Bilt Bronco 13WV78KS011 technical specs, dimensions... This Troy-Bilt Bronco 13WV78KS011 it has 1 cylinders the fuel tank capacity is 1.3 gal 4.9 L. This machine has infinite forward and reverse transmission system. - Troy-Bilt provided us with the latest version of its Bronco 13WV78KS011 service repair manual - Find All mechanical and electrical parts...

Troy-Bilt 13AJ609G766 Bronco '04 Lawn Tractor | PartsWarehouse

Troy-Bilt 13AJ609G766 Bronco '04 Lawn Tractor | PartsWarehouse

Troy-Bilt Pony, Bronco & Super Bronco Mower... - TodaysMower.com Troy-Bilt is one of the few brands that makes inexpensive, quality riding mowers. They make a great "first" mower for homeowners because they are easy to Operator's manuals and parts diagrams are available for free through troybilt.com. Filters, spark plugs, belts, mower blades and even a new front...

Andex 612 - KRAMP

Andex 612 - KRAMP

Troy Bilt Bronco Riding Mower Parts Diagram - Free Diagram For... Troy bilt 13wx78ks011 bronco 2011 lawn tractor parts. Troy bilt pony bronco tb42 42 mower deck parts kit spindles blades belt pulleys.

333-6933 LINES GP-SECONDARY STEERING S/N HEY1-UP PART OF 333 ...

333-6933 LINES GP-SECONDARY STEERING S/N HEY1-UP PART OF 333 ...

2285619 BEARING-SLEEVE - Caterpillar spare part | 777parts

2285619 BEARING-SLEEVE - Caterpillar spare part | 777parts

Diagram(s) and/or PartsList(s)

Diagram(s) and/or PartsList(s)

Does Anyone Have The Belt Diagram For A Troy Bilt Bronco Crt ...

Does Anyone Have The Belt Diagram For A Troy Bilt Bronco Crt ...

2013 13 12? 14? TROY-BILT TROY BILT BRONCO BRAKE PEDAL FRONT PULLEY | eBay

2013 13 12? 14? TROY-BILT TROY BILT BRONCO BRAKE PEDAL FRONT PULLEY | eBay

Спидометр СП 18А Москвич 400

Спидометр СП 18А Москвич 400

2006 TROYBILT PONY - Out of round steering gear mount hole ...

2006 TROYBILT PONY - Out of round steering gear mount hole ...

Troy-Bilt 13WV78KS011 Bronco (2014) Front End Steering ...

Troy-Bilt 13WV78KS011 Bronco (2014) Front End Steering ...

Troy Bilt 13AV60KG066 Bronco (2009) Parts Diagram for ...

Troy Bilt 13AV60KG066 Bronco (2009) Parts Diagram for ...

Troy-Bilt XP Super Bronco XP 50 24-HP V-Twin Hydrostatic 50 ...

Troy-Bilt XP Super Bronco XP 50 24-HP V-Twin Hydrostatic 50 ...

Troybilt 13AJ609G766 User Manual LAWN TRACTOR Manuals And ...

Troybilt 13AJ609G766 User Manual LAWN TRACTOR Manuals And ...

Troy-Bilt 13AT609G766 Super Bronco '05 Lawn Tractor ...

Troy-Bilt 13AT609G766 Super Bronco '05 Lawn Tractor ...

Troy Bilt 13WV78KS011 Bronco (2015) Parts Diagram for Front ...

Troy Bilt 13WV78KS011 Bronco (2015) Parts Diagram for Front ...

Troy-Bilt Riding Lawn Mower - Model 13AK79BT011 | MTD Parts

Troy-Bilt Riding Lawn Mower - Model 13AK79BT011 | MTD Parts

Does Anyone Have The Belt Diagram For A Troy Bilt Bronco Crt ...

Does Anyone Have The Belt Diagram For A Troy Bilt Bronco Crt ...

Troy Bilt 13WX78KS211 Bronco (2010) Parts Diagram for Steering

Troy Bilt 13WX78KS211 Bronco (2010) Parts Diagram for Steering

AUSTRALIAN SPEC MACHINES - Issuu

AUSTRALIAN SPEC MACHINES - Issuu

Troy Bilt 13WV78KS211 Bronco (2015) Parts Diagrams

Troy Bilt 13WV78KS211 Bronco (2015) Parts Diagrams

0 Response to "38 troy bilt bronco steering diagram"

Post a Comment

Iklan Atas Artikel

Iklan Tengah Artikel 1

Iklan Tengah Artikel 2

Iklan Bawah Artikel