Iklan 300x250

42 kohler generator wiring diagram

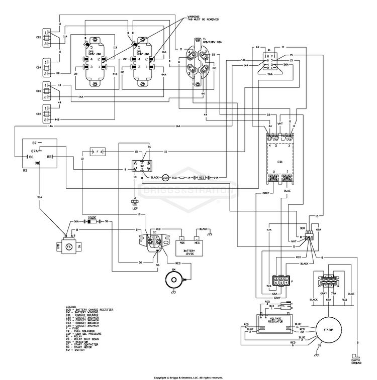
PDF Wiring Diagram Manual, 20ROZJB/20-230REOZJB (TP-6146) Wiring Diagrams Reference chart to determine the wiring diagram numbers for your unit. Refer to the generator set operation manual for controller type identification, if necessary. Wiring Diagram Cross-Reference Generator Set Model No. Hz Generator Set Spec No. Wiring Diagram Version No. 20ROZJB 50/60 GM19369-GA1, 2 1 20REOZJB 50/60 GM19369-GA3 ... PDF ME-AGS wiring diagram - For Kohler (RES Series) ME-AGS wiring diagram - For Kohler (RES Series) 10-2-2008 Magnum Energy, Inc. provides this diagram to assist in the installation of the Auto-Generator Start controller. Since the use of this diagram and the conditions or methods of installation, operation and use are beyond the

Generator Technical Manuals and Documents | Kohler Power Get the technical documents you need, including: schematic diagrams, wiring diagrams, and specification sheets for your Kohler Power generator.

Kohler generator wiring diagram

Kohler generator wiring diagram

Kohler Generator Wiring Diagram - U Wiring Kohler Generator Wiring Diagram. A wiring diagram is a streamlined standard pictorial depiction of an electrical circuit. 20ROZJB 5060 GM19369-GA1 2 1 20REOZJB 5060 GM19369-GA3. Assortment of kohler generator wiring diagram. Saga Platformă Capră Kohler 5e Marine Generator Service Manual Talhaweb Net. PDF Wiring Diagrams - Kohler Co. version number and the controller type on the Wiring Diagrams Reference chart to determine the wiring diagram numbers for your unit. Refer to Controller Identification for controller type identification, if necessary. Wiring Diagram Cross-Reference Generator Set Model No. Hz Generator Set Spec No. Wiring Diagram Version No. 350REOZJ 60 GM76156 ... DTV and Steam Generator Wiring Diagrams - KOHLER Review the below image for a wiring diagram for the dual steam generator used with the DTV II System. This diagram is specific to Steam Generator models K-1714-NA, K-1715-NA, K-1697-NA and K-1716-NA when used with the K-638-K-NA Media Module and K-682-K-NA Digital Six-Port Thermostatic Valve. Steam Generator Connection Guide.pdf. 200 KB Download.

Kohler generator wiring diagram. Kohler Power: Technical Documents: Technical Library ... A KOHLER Generator Is Not Just For Hurricanes; Building Science - Propane Mobile Generators; Building Science - Mobile Generator Applications ... Wiring Diagrams Wiring Diagram is a schematic drawing of the wiring of an electrical system. Spec Sheets Technical information pertaining to the standard features, benefits and options available for a ... Kohler 20kw Generator Wiring Diagram - Wiring Diagram and ... Jan 14, 2022 · Kohler generator manual l0402312 14 20resal installation pdf manualslib briggs and stratton power products 040276b 01 20 000 watt home standby milbank parts diagram for wiring 040334 ge 040385 with 200 amp ats load control module transfer switch 040471 00 bspp system schematic stand by generators not to code electrical forum the inspector s ... Kohler Wiring Diagrams - U Wiring Aug 07, 2021 · Diagram kohler 12 hp wiring electrical ch12 5 1902 basic parts woods 6225 sn 621004 up mow n machine how to wire the coil on a k301 engine starter generator kohlermand pro 13 full efi 72 deck command 6182 Diagram Kohler 12 Hp Wiring Full. PDF Service Manual, 20-300 kW FR II (TP-5353) - ImageEvent generator set can be started by automatic transfer switch or remote start/stop switch unless these precautions are followed. Battery Sulfuric acid in batteries. Can cause severe injury or death. Use protective goggles and clothes. Battery acid can cause permanent damage to eyes, burn skin, and eat

In "Taryl and Chuck Hill", Taryl demonstrates how to ... CH740-0079 - Kohler Command PRO Engine, Made for Shenzhen, 25hp, 725cc. Stop the engine. I took my 2014 GMC Acadia to them to replace a cv axle on the passenger side. Pin On Wiring Diagram Sample Kohler ch20s wiring diagram wiring library kohler voltage regulator wiring …overcharging or undercharging battery at high/low ambient temperatures. Kohler 14kw Generator Wiring Diagram - U Wiring Kohler generators parts manual diagram mr steam wiring full rv generator service manuals for page 58 of portable 3 25 150rezg diagrams power roland s fancy colored to switch ongines com zt730 3023 altoz 23 hp 17 2 kw engine zt720 3025 confidant 21 zt740 perkins 125kw side 1 jpg 228 99 kb pdf repower help wheel horse command. Kohler Wiring Diagram Manuals | Authorized Dealer Complete listing of available wiring diagram manuals for Kohler residential, commercial, industrial, marine, and RV generator applications. Kohler Wiring Diagram Manuals | Authorized Dealer The store will not work correctly in the case when cookies are disabled. PDF Wiring Diagrams - Kohler Power type on the Wiring Diagrams Reference chart to determine the wiring diagram numbers for your unit. Refer to Controller Identification for controller type identification, if necessary. Wiring Diagram Cross-Reference Generator Set Model No. Hz Generator Set Spec No. Wiring Diagram Version No. 25REZG 50/60 GM69415-GA1,3,5,7,9,11 1 30REZG 50/60 ...

PDF Wiring Diagrams TP-6719 10/09 Introduction 3 Introduction This manual provides wiring diagrams for the model 15/30RESA and 15/30REYG generator sets equipped with the Advanced Digital Control (ADC 2100). PDF Models: 5ECD/4EFCD--Low CO 7.3ECD/6EFCD--Low CO working on the generator set. Remove the negative (--) lead first when disconnecting the battery. Reconnect the negative (--) lead last when reconnecting the battery. WARNING Disabling the generator set. Accidental starting can cause severe injury or death. Before working on the generator set or connected equipment, disable the Kohler 20kw Generator Wiring Diagram - IOT Wiring Diagram Kohler Manual Tp 5851 Generators Online Dealer. 40kw Kohler Genset. Milbank 040276b 01 20kw Home Standby Generator Wiring Diagram 202821wd Parts Lookup With Diagrams Partstree. Kohler 20resc Rxt200 2prm Kit 20kw Composite Home Standby Generator Bundle 200a Standard Ats W Load Shedding 2 Power Relay Mod. 20 Kw Generator Residential Generators ... Kohler Rv Generator Wiring Diagram - Wiring Diagram and ... Kohler Rv Generator Wiring Diagram . October 23, 2019 1 Margaret Byrd . 0 . 7cm21 kohler rv generator power service manual 3 5 7 kw tp 5014 dtv and steam wiring diagrams page 58 of portable 12resm1 original 1991 operation 4 5cm21 help needed s drawings 10eg 13eg 15eg problems ...

Wiring new stator in Kohler 5ECD | Club Sea Ray

Wiring new stator in Kohler 5ECD | Club Sea Ray

Wiring Diagram For Kohler Generator - Wiring Diagram Line Feb 08, 2022 · Dtv and steam generator wiring diagrams kohler www wanderlodgeownersgroup com s perkins manual l0402312 page 58 of portable 3 5cfz 4cz 6 5cz user guide manualsonline ...

KOHLER GENERATOR SETS 20--2800 KW INSTALLATION MANUAL Pdf ...

KOHLER GENERATOR SETS 20--2800 KW INSTALLATION MANUAL Pdf ...

Kohler 14kw Generator Wiring Diagram - Wiring Diagram and ... Kohler 14kw Air Cooled Dual Fuel 1ph Generator W Comp Encl And 100a Ats Empower Generators. Kohler 7 5ekd 5kw Marine Generator Gas Fueled. Automatic Generator Wiring Diagrams Magnum Dimensions. Rdt Ats 200 Amp Residential Transfer Switches Kohler. Kohler 11ekozd 11kw Marine Generator Sel Fueled. Spec Sheet G4209 Pdf Kohler Power.

SOLVED: 16 hp KOHLER ENJINE COLOR CODED WIRING DIAGRAM - Fixya

SOLVED: 16 hp KOHLER ENJINE COLOR CODED WIRING DIAGRAM - Fixya

Page 4 | Kohler Wiring Diagram Manuals | Authorized Dealer Page 4 | Complete listing of available wiring diagram manuals for Kohler residential, commercial, industrial, marine, and RV generator applications.

Kohler Courage Pro SV840 27 HP Custom Ignition Wiring ...

Kohler Courage Pro SV840 27 HP Custom Ignition Wiring ...

Wiring Diagram Kohler Generator - Wiring Diagram and ... Starter Generator Voltage Regulator Wiring Wheel Horse Electrical Redsquare Forum. Wiring Diagrams Kohler Co Tp 6797 1 13 Use The Diagram Cross Reference Pdf Doent. Ariens 931014 000101 Gt 10hp Kohler Gear Parts Diagram For Electrical Wiring With Module 31976 Or 531099. 7cm21 Kohler Rv Generator Power Equipment Forum.

Kohler Marine Generator Control Panel w/ Remote Start - GM ...

Kohler Marine Generator Control Panel w/ Remote Start - GM ...

Its 404cc engine delivers 14-HP for up to 11 hours at 50 ... Kohler courage engine swap Nov 23, 2021 · Kohler courage engine swap. , 10-26-2021 14:47:52 I am assuming you are going from a single cylinder Kohler to … wiring diagram wiring diagram fuse box, 22 hp kohler small engine wiring diagram best place to, ch440 14 hp kohler engines and parts store opeengines com, wiring diagrams kohler power, i ...

COLLAR for EF4000DVE EF5000DVE GENERATOR - order at CMSNL

COLLAR for EF4000DVE EF5000DVE GENERATOR - order at CMSNL

DTV and Steam Generator Wiring Diagrams - KOHLER Review the below image for a wiring diagram for the dual steam generator used with the DTV II System. This diagram is specific to Steam Generator models K-1714-NA, K-1715-NA, K-1697-NA and K-1716-NA when used with the K-638-K-NA Media Module and K-682-K-NA Digital Six-Port Thermostatic Valve. Steam Generator Connection Guide.pdf. 200 KB Download.

040248-0 Briggs and Stratton 7,000 Watt Dual Fuel Home ...

040248-0 Briggs and Stratton 7,000 Watt Dual Fuel Home ...

PDF Wiring Diagrams - Kohler Co. version number and the controller type on the Wiring Diagrams Reference chart to determine the wiring diagram numbers for your unit. Refer to Controller Identification for controller type identification, if necessary. Wiring Diagram Cross-Reference Generator Set Model No. Hz Generator Set Spec No. Wiring Diagram Version No. 350REOZJ 60 GM76156 ...

2 n polarizing of 6v generator

2 n polarizing of 6v generator

Kohler Generator Wiring Diagram - U Wiring Kohler Generator Wiring Diagram. A wiring diagram is a streamlined standard pictorial depiction of an electrical circuit. 20ROZJB 5060 GM19369-GA1 2 1 20REOZJB 5060 GM19369-GA3. Assortment of kohler generator wiring diagram. Saga Platformă Capră Kohler 5e Marine Generator Service Manual Talhaweb Net.

Kohler Wiring - Help Needed | My Tractor Forum

Kohler Wiring - Help Needed | My Tractor Forum

Kohler 4.5cm21 generator help needed | Smokstak® Antique ...

Kohler 4.5cm21 generator help needed | Smokstak® Antique ...

Generator To House Wiring - KNOW IT INFO

Generator To House Wiring - KNOW IT INFO

Standby generator on/off switch | DIY Home Improvement Forum

Standby generator on/off switch | DIY Home Improvement Forum

kohler page

kohler page

Kohler Generator 10eg 13eg 15eg Service Manual - PDF DOWNLOAD

Kohler Generator 10eg 13eg 15eg Service Manual - PDF DOWNLOAD

25--150REZG Wiring Diagrams - Kohler Power

25--150REZG Wiring Diagrams - Kohler Power

Perkins Genset Engine & Kohler Manuals and Information ...

Perkins Genset Engine & Kohler Manuals and Information ...

Electrical Solutions for Small Engines and Garden Pulling ...

Electrical Solutions for Small Engines and Garden Pulling ...

Advice & Recommendations - whole house generators | Page 3 ...

Advice & Recommendations - whole house generators | Page 3 ...

Wiring Diagram Manual, 20ROZJB/20-230REOZJB (TP 20--230REOZJB ...

Wiring Diagram Manual, 20ROZJB/20-230REOZJB (TP 20--230REOZJB ...

Scag SSZ-22CV (60001-69999) Parts Diagram for Electrical ...

Scag SSZ-22CV (60001-69999) Parts Diagram for Electrical ...

Onan Stuff

Onan Stuff

Kohler Courage Pro SV840 27 HP Custom Ignition Wiring ...

Kohler Courage Pro SV840 27 HP Custom Ignition Wiring ...

Kohler Industrial Gen Sets Wiring Diagrams 10-18 RY RZ- Ford Powered | eBay

Kohler Industrial Gen Sets Wiring Diagrams 10-18 RY RZ- Ford Powered | eBay

www.wanderlodgeownersgroup.com - /downloads/generator/PERKINS ...

www.wanderlodgeownersgroup.com - /downloads/generator/PERKINS ...

generator problems

generator problems

TrueGuard-2 Kohler RDC2 & PIM Installation Guide

TrueGuard-2 Kohler RDC2 & PIM Installation Guide

PM218 Kohler Wiring Diagrams 20-60REOZJC Industrial Generator Set Manual  TP-6697 | eBay

PM218 Kohler Wiring Diagrams 20-60REOZJC Industrial Generator Set Manual TP-6697 | eBay

Results page 142, about 'rf signal generator'. Searching ...

Results page 142, about 'rf signal generator'. Searching ...

Starter Generator wiring - Talking Tractors - Simple trACtors

Starter Generator wiring - Talking Tractors - Simple trACtors

Onan Stuff

Onan Stuff

off-grid system :: diagrams | offgridcabin

off-grid system :: diagrams | offgridcabin

GPN-125EH GenPro Portable Generator 12,500W, 120/240Vac Honda ...

GPN-125EH GenPro Portable Generator 12,500W, 120/240Vac Honda ...

Starter Generator wiring - Talking Tractors - Simple trACtors

Starter Generator wiring - Talking Tractors - Simple trACtors

TheSamba.com :: Split Bus - View topic - Adjusting Voltage ...

TheSamba.com :: Split Bus - View topic - Adjusting Voltage ...

Home Backup Power Installation - All About Generators

Home Backup Power Installation - All About Generators

Page 33 of Kohler Portable Generator 12RESM1 User Guide ...

Page 33 of Kohler Portable Generator 12RESM1 User Guide ...

KOHLER Generator Wiring Diagrahm | PDF | Electrical Wiring ...

KOHLER Generator Wiring Diagrahm | PDF | Electrical Wiring ...

Starter/Generator Voltage Regulator wiring - Wheel Horse ...

Starter/Generator Voltage Regulator wiring - Wheel Horse ...

TECHNICAL BRIEF - North America

TECHNICAL BRIEF - North America

14kW Kohler Off-Grid Generator Package

14kW Kohler Off-Grid Generator Package

Kohler Product Literature #TP-6098

Kohler Product Literature #TP-6098

Voltage regulator/rectifier Kohler... - Yesterday's Tractors ...

Voltage regulator/rectifier Kohler... - Yesterday's Tractors ...

0 Response to "42 kohler generator wiring diagram"

Post a Comment

Iklan Atas Artikel

Iklan Tengah Artikel 1

Iklan Tengah Artikel 2

Iklan Bawah Artikel