Iklan 300x250

38 5.9 cummins parts diagram

PDF Cummins Parts Catalog - SV Seeker Remaining mounting parts to be found in fuel tubing (FT) option. 1 3928759 Seal, Grommet 4 2 3900629 Screw, Hex Flange Head Cap 4 M8 x 1.25 x 16 3 3904230 Clamp, Spring Hose 1 1 inch ID 4 3918614 Hose, Plain 1 5 3927913 Cover, Push Rod 1 6 3928832 Gasket, Push Rod Cover 1 Cummins 6BTA 5.9 Replacement Parts | Diesel Pro Power Cummins 6BTA 5.9 Replacement Parts | Diesel Pro Power. Videos. Refer a Friend. DP-. Important note: All original equipment manufacturers names, drawings, colors, photos and part numbers are used for identification purposes only, and we are in no way implying that any of our parts are original equipment parts.

Cummins Service Manuals | Parts Catalogs | 3.9 | 5.9 | 6.7 | 8.3 Whether you need a Cummins engine service manual for B-Series engines or a parts catalog for marine engines like the QSC, we hold many in stock, ready for ...

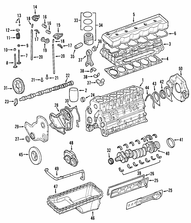
5.9 cummins parts diagram

5.9 cummins parts diagram

5.9 Cummins Coolant Flow Diagram - Wiring Diagrams Fuel System Flow Diagram. Cummins Fuel System. Lubricating Oil System Flow Diagram. Lubrication Oil System. Lubricating Oil System. Cooling System Flow. Dodge L Cummins Cooling Kit Improves Coolant Flow to Cylinder #6. Install the rear plate (8) marked & o ring (9) in the diagram, then using heater. Cummins B-SER. ISB, QSB, G5.9, GTA5.9, B5.9G Available parts for B-SER. ISB, QSB, G5.9, GTA5.9, B5.9G Engines Fuel System Parts Data Sensors Fuel Lines Fuel Pumps Fuel Pump Repair Kit/Components Gasket Sets and/or Gaskets, Seals Injector Components Injectors Cooling System Parts Data Sensors Gasket Sets and/or Gaskets, Seals Thermostat and Seals Water Pump and/or Components Air System Parts Genuine Cummins Parts is the Genuine online catalog for Holset®, Fleetguard®, Onan and Cummins parts.

5.9 cummins parts diagram. Genuine Cummins Parts is the Genuine online catalog for Holset®, Fleetguard®, Onan and Cummins parts. 5.9 Cummins Fuel System Diagram - schematron.org Dodge mins 5 9 engine diagram further 5 9 mins wiring schematic along with dodge mins pcm wiring diagram moreover cummins . Mass Haul Diagram Explained. Whirlpool Duet Dryer Parts Diagram. Minecraft Circle Diagram. Standing Rigging Diagram. 3 Position Switch Wiring Diagram. Ocean Ecosystem Food Chain Diagram. Plano Concave Lens Ray Diagram. Jacobs Brake 5.9 cummins - Dodge Cummins Diesel Forum 3rd Gen. Performance Parts Discussion. Jacobs Brake 5.9 cummins. Jump to Latest Follow Hey everyone! Voting is open for April's Cummins of the Month Challenge! ... I've been told theres a Jake brake for my 06 Dodge 2500 5.9 cummins that sounds like a jake brake, but I haven't had any luck in finding one. All I can find is the pacbrake which ... Parts | Cummins Inc. Find Cummins parts with our online catalog. Visit parts.cummins.com. Look up quality genuine Cummins parts lists for your Cummins equipment or Original Equipment (OE or OEM) by entering your Cummins Engine Serial Number (ESN), ATSN, GSN, Part Number or description.

diagram/schematic 5.9 12v | Dodge Cummins Diesel Forum I know a guy with a detail pic of a 5.9. I'll get a hold of him and see if he has it hosted somewhere. 2014/93 W350 DRW, fuel pin turned, 6X.018" injectors, 4" exhaust, 3" air intake horn, Super HX40/16, G56 SBC Con-OFE, 3:07's axles, 2" skyjacker lift, air ride rear suspension,B&W flatbed Save Reply brokenbolt Registered Joined Aug 9, 2009 1994-02 5.9L Dodge Cummins Engine Components Fleece Cummins Crankshaft Barring Tool $74.99. Quick Ship Shop. Industrial Injection 150 lbs. Valve Springs 94-98 5.9L 12 Valve Cummins $146.51 1994-1998 5.9L Dodge Cummins 12 Valve. Quick Ship Shop. Fleece Performance Coolant Bypass Kit 98.5-02 5.9L Dodge Cummins 24 Valve $359.00 1998.5-2002 5.9L Dodge Cummins 24 Valve. 1998.5 to 2002 5.9 12v Cummins Parts for 5.9L 12 Valve Engine 1998.5-2002 5.9L Cummins 24V Parts In mid-1998, the Cummins 5.9L went from being a 12 valve engine to a 24 valve engine. At the same time, Cummins introduced the Bosch VP44 injection pump. It is a rotary style pump that is half-mechanical and half electronic. Dodge Cummins Engine Components - US Diesel Parts Engine Components - 03-07 Dodge 5.9L Cummins Engine components and parts for your 2003-2007 5.9L Dodge from Cummins, Alliant Power, Bosch, BD Power and ARP. Browse Engine Components - 03-07 Dodge 5.9L Cummins Sort View Items 1-40 of 40 MAHLE - Heavy Duty Engine Overhaul Kit (HO Pistons) - 2003-2004 Dodge 5.9L Cummins (ETC) 789-1001 $1,513.40

Cummins Marine 6BTA 5.9-M2 (CPL 1928) PDF Parts Catalog Cummins Marine 6BTA 5.9-M2 (CPL 1928) PDF Parts Catalog $ 35.00 Parts catalog for the common 5.9 Engines (CPL 8344, 8345, 8349, 8421, 8422, 8423, 8424) This item is a downloadable high-resolution PDF file (181MB). Add to cart PDF Cummins Parts Catalog 1 3900630 Screw, Hex Flange Head Cap 2 M8 x 1.25 x 20 2 3906790 Tube, Fuel Supply 1 3 3916361 Screw, Banjo Connector 1 M12 x 1.50 x 24 4 3918191 Washer, Sealing 2 12mm 5 3931348 Gasket, Cover Plate 1 6 3933254 Pump, Fuel Transfer 1 SERVICE PARTS 3926764 Kit, Lift Pump Service 1 Includes check valve, gaskets and o ring seals. 6BTA CUMMINS 5.9 Cummins Manual-AERA Diesel Parts Cummins Parts Catalog 6BTA5.9 F1, F2, F4 The following parts are suggested spares are for the Cummins 6BTA-F Item 6BTA5.9-F Air Cleaner Fuel Filter Lube ... Owner's Manuals, Diagrams and Technical ... - Cummins Inc. Owner's Manuals, Diagrams and Technical Documents Access to Documents and Materials for Your Cummins Products Cummins produces a wide variety of documents to help customers get the most from their engines, generators and components. Much of this library is available online.

Cummins Diesel Engine Manuals - MARINE DIESEL BASICS

Cummins Diesel Engine Manuals - MARINE DIESEL BASICS

Cummins 4BT and 6BT Parts parts catalog - 6bt 5.9 (power unit) 3672001: 613: parts catalog - 4b3.9 tier ii industrial: 4056536: 614: parts catalog - 6bta 5.9 (marine, 1997 - present) 3672090: 615: parts catalog - 6bta 5.9 (dm marine) 4056558: 616: parts catalog - 4b / 4bt: 3672026: 617: parts catalog - 6bta marine: 4056553: cummins 4bt 3.9 and 6bt 5.9 ...

Cummins 6bt 5.9 Parts - [PDF Document]

Cummins 6bt 5.9 Parts - [PDF Document]

Dodge 5.9L Cummins Parts | 1994-1998 | XDP The transmission options offered in the 2nd generation trucks with the 5.9L Cummins were the NV4500 5-speed manual transmission or the 47RH/47RE 4-speed automatic transmission. The 47RH 4-speed automatic was offered from 1994-1995 and it was replaced by the 47RE for the 1996-1998 model years. Dodge truck sales grew from less than 100,000 trucks ...

Fuel Return Line/Tube, 1995 Ford B800 5.9L Cummins - School ...

Fuel Return Line/Tube, 1995 Ford B800 5.9L Cummins - School ...

Cummins Parts | 6BT 5.9 | 4BT 3.9 | Diesel Parts Direct Parts for Cummins 4BT 3.9 and 6BT 5.9 Engines We carry a wide selection of parts including alternators, starters, hoses, and fans for Cummins 4BT 3.9 and 6BT 5.9 diesel engines. If you need any help finding a part, please use our quote request form or call us at 855.470.3525: our knowledgeable inside sales staff will promptly assist you. DS-3972071

Cummins Marine QSC 8.3 Engine Diagram - Seaboard Marine

Cummins Marine QSC 8.3 Engine Diagram - Seaboard Marine

5.9 Cummins Fuel Line Diagram - schematron.org 14.10.2018 14.10.2018 6 Comments on 5.9 Cummins Fuel Line Diagram Dodge L Cummins Fuel Rail Supply Line Rail Feed Line Diagram. 07 Dodge L Cummins Fuel Rail Supply Line Rail Feed Line Diagram. I am looking to see what the routing is on the return fuel line or lines.

Cummins Engine Drawings - Seaboard Marine

Cummins Engine Drawings - Seaboard Marine

5.9L 24V Cummins Diesel External Engine Parts 5.9L 12 & 24 Valve Cummins 6BT Oil Pump This pump will bolt right into your 12 or 24 valve Cummins engine and is a higher volume pump than the stock valve pump, providing better lubrication and oil pressure. A must for high performance competition engines! Fits:89-02 Dodge 5.9L 12 & 24 Va.. $163.08.

Dodge Truck Interior Parts | Mopar Parts | Jim's Auto Parts

Dodge Truck Interior Parts | Mopar Parts | Jim's Auto Parts

CUMMINS QSB5.9 ENGINE SPARE PARTS CATALOG.xlsx CUMMINS QSB5.9 ENGINE SPARE PARTS CATALOG.xlsx.

Engine compartment component diagram | Dodge Cummins Diesel Forum

Engine compartment component diagram | Dodge Cummins Diesel Forum

5.9 24V Cummins 2nd Gen Performance Parts & Upgrades 5.9 24V Cummins 2nd Gen Performance Parts & Upgrades. Axle and Differential. Air Intakes. Engine Parts. Exhaust. Exhaust Brakes. Exhaust Manifolds. Fuel System. Modules - Programmers - Tuning.

5.9 Cummins Build.

5.9 Cummins Build.

12V 5.9 Cummins P7100 P-Pump Upgrades & Parts 5.9 12V Cummins Parts 1994-1998; Fuel System; P7100 Pump; 12V 5.9 Cummins P7100 P-Pump Upgrades & Parts. Products [34] Sort by: Fleece Mechanical Fuel Pump Block-Off Plate. $34.99. 5.9|6.7 Cummins 1989-2018. Usually Ships in 1-3 days. Add to Wish List. Add To Cart. BD 1040185 4000 Rpm Governor Spring Kit ...

Cummins qsb4.5 engines service repair manual

Cummins qsb4.5 engines service repair manual

5.9 liter cummins injection pump diagram - Fixya The 8.3 p1700 pump was fitted to a cummins 6ct 8.3 l which was rated at 275 hp. the 5.9 was fitted as a v6 or 6.7 v8 cummins fitted to Dodge and is currently available with up to 385hp. as the two engines are not of the same generation, I doubt if you will experience much of an improvement for the time and money.

Cummins 6BT specs, bolt torques and manuals

Cummins 6BT specs, bolt torques and manuals

Dodge 5.9L Cummins Parts | 2004.5-2007 | XDP The 5.9L Cummins maintains its reputation for reliability and many trucks powered by this engine are still on the road today. XDP continues to support the common-rail 5.9L 24 valve Cummins with a large selection of parts from hundreds of the top manufacturers.

FP Diesel - Cummins Engines

FP Diesel - Cummins Engines

Cummins QSB5.9 Parts and Specs | Diesel Pro Power What are the fuel system specs for a Cummins QSB5.9? If you need to buy parts for the fuel system, make sure to check any restrictions to help diagnose any problems. The maximum allowable restriction to the fuel pump is 8 kPa / 2.5 in Hg with a clean filter or 14 kPa / 4.0 in Hg with a dirty filter. The maximum allowable return line pressure is ...

Cummins 5.9 liter and 6.7 liter inline six-cylinder diesel ...

Cummins 5.9 liter and 6.7 liter inline six-cylinder diesel ...

Cummins ISB and QSB Parts magnetic switch - 4b 3.9 / b 4.5 / 6b 5.9 / isb 6.7: 5265270: cummins isb and qsb parts catalogs: 509: parts catalog - qsb 4.5-30: 4056527: 510: parts catalog - qsb 5.9 (industrial) 4056478: 511: parts catalog - isbe 5.9: 4056497: 512: parts catalog - isb 5.9 (with cm850 control module) 4056509: 513

Buyer's Guide: Second-Gen Cummins, 1998.5-02

Buyer's Guide: Second-Gen Cummins, 1998.5-02

5.9 Cummins Injector Wiring Diagram 5.9 Cummins Injector Wiring Diagram. Anyone have the wiring diagram for the ECM to INJECTOR harness. About to give up and tow this thing to a shop but want to check all wires. Product Description. Injector wiring harness, under valve cover, Dodge Cummins Diesel. Each injector wire harness connects 2 injectors.

Cummins 5.9 liter and 6.7 liter inline six-cylinder diesel ...

Cummins 5.9 liter and 6.7 liter inline six-cylinder diesel ...

Genuine Cummins Parts is the Genuine online catalog for Holset®, Fleetguard®, Onan and Cummins parts.

1998.5-2002 2nd Gen 24V Dodge Ram Cummins Parts | Power ...

1998.5-2002 2nd Gen 24V Dodge Ram Cummins Parts | Power ...

Cummins B-SER. ISB, QSB, G5.9, GTA5.9, B5.9G Available parts for B-SER. ISB, QSB, G5.9, GTA5.9, B5.9G Engines Fuel System Parts Data Sensors Fuel Lines Fuel Pumps Fuel Pump Repair Kit/Components Gasket Sets and/or Gaskets, Seals Injector Components Injectors Cooling System Parts Data Sensors Gasket Sets and/or Gaskets, Seals Thermostat and Seals Water Pump and/or Components Air System Parts

12V diagrams - Diesel Bombers

12V diagrams - Diesel Bombers

5.9 Cummins Coolant Flow Diagram - Wiring Diagrams Fuel System Flow Diagram. Cummins Fuel System. Lubricating Oil System Flow Diagram. Lubrication Oil System. Lubricating Oil System. Cooling System Flow. Dodge L Cummins Cooling Kit Improves Coolant Flow to Cylinder #6. Install the rear plate (8) marked & o ring (9) in the diagram, then using heater.

Cummins Diesel Engine Manuals - MARINE DIESEL BASICS

Cummins Diesel Engine Manuals - MARINE DIESEL BASICS

Cummins History, Lesson 2: '94-'98 5.9L | DrivingLine

Cummins History, Lesson 2: '94-'98 5.9L | DrivingLine

diesel engine parts diagram - Google Search | Diesel trucks ...

diesel engine parts diagram - Google Search | Diesel trucks ...

Cummins Engine 6B 6BT 6BTA5.9 - Parts Manual - 6B 6BT 6BTA5.9

Cummins Engine 6B 6BT 6BTA5.9 - Parts Manual - 6B 6BT 6BTA5.9

DirectMount

DirectMount

Dodge Ram 03-07 Cummins MAP Sensor 3971106

Dodge Ram 03-07 Cummins MAP Sensor 3971106

Cummins QSB6.7 Engine Parts Catalog

Cummins QSB6.7 Engine Parts Catalog

Mopar Parts|Restoration Parts|1994-Up Dodge Truck OEM Body ...

Mopar Parts|Restoration Parts|1994-Up Dodge Truck OEM Body ...

2007-2013 Mopar Engine Short Block R8003549AA | TascaParts.com

2007-2013 Mopar Engine Short Block R8003549AA | TascaParts.com

Fuel Flow Diagrams for the Popular 6BTA 5.9 330/370 Diamonds ...

Fuel Flow Diagrams for the Popular 6BTA 5.9 330/370 Diamonds ...

5.9 f Cummins Catalogo de Partes - [PDF Document]

5.9 f Cummins Catalogo de Partes - [PDF Document]

1988 Cummins Engine 4BT 3.9 Parts Manual Download S/NO ...

1988 Cummins Engine 4BT 3.9 Parts Manual Download S/NO ...

Cummins Diesel Engine » Blog Archive » Engine to Transmission ...

Cummins Diesel Engine » Blog Archive » Engine to Transmission ...

Cummins Engine Identification | Cummins Diesel 5.9 Liter B ...

Cummins Engine Identification | Cummins Diesel 5.9 Liter B ...

388426700 Cummins: 388426700, 3884267 6BTA 5.9 PARTS CATALOG part

388426700 Cummins: 388426700, 3884267 6BTA 5.9 PARTS CATALOG part

Cummins Diesel Engines : External Engine Components | Cummins ...

Cummins Diesel Engines : External Engine Components | Cummins ...

12V diagrams - Diesel Bombers

12V diagrams - Diesel Bombers

Cummins Engine Serial Number Lookup | Diesel Parts Direct

Cummins Engine Serial Number Lookup | Diesel Parts Direct

Tips To Change The Serpentine Belt On a 6.7 Cummins ...

Tips To Change The Serpentine Belt On a 6.7 Cummins ...

12V diagrams - Diesel Bombers

12V diagrams - Diesel Bombers

AC Compressor & A/C Kit For Dodge Ram Cummins 5.9L Diesel 1994 1995 1996  1997 1998 1999 2000 2001 - BuyAutoParts 60-80119RK New

AC Compressor & A/C Kit For Dodge Ram Cummins 5.9L Diesel 1994 1995 1996 1997 1998 1999 2000 2001 - BuyAutoParts 60-80119RK New

Dodge Ram 03-07 Cummins MAP Sensor 3971106 - KLM Performance

Dodge Ram 03-07 Cummins MAP Sensor 3971106 - KLM Performance

0 Response to "38 5.9 cummins parts diagram"

Post a Comment

Iklan Atas Artikel

Iklan Tengah Artikel 1

Iklan Tengah Artikel 2

Iklan Bawah Artikel