38 dodge charger front suspension diagram
Cradle. Front suspension. [all 5.7l v8 engines]. 2015 dodge Charger. Genuine dodge Part - 52124860AM. Ships from Mopar Parts Webstore, Orlando FL For 11-14 Dodge Charger Challenger 300 Front 16 Pc Control Arms Suspension Kit (Fits: 2013 Dodge Charger) $187.11. Was: $196.96. Free shipping.
Jun 03, 2010 · anyone know where i can see a suspension diagram or pictures with the name of the parts? i need to know how these parts look and where the are exactly; rear, knuckle, lower control arm, tie rod w/ toe bolt, and bearings/hubs. front; inner/outter tie rod ends. thanks in advance

Dodge charger front suspension diagram
06 dodge charger rt w 5.7 hemi engine has clunk in front end. The LX platform consists of the 300, charger and magnum. They will all have front end noise. It's just a matter of time. This appears to be a poor design and should be recalled. The front end should be replaced with energy suspension bushings and greasable ball joints. MoparPartsGiant.com offers the wholesale prices for genuine 2015 Dodge Charger parts.Parts like . Suspension - Front are shipped directly from authorized Mopar dealers and backed by the manufacturer's warranty.. Parts fit for the following vehicle options. Engine: 6 Cyl 3.6L, 8 Cyl 5.7L, 8 Cyl 6.2L, 8 Cyl 6.4L. Transmission: 5-Speed Automatic Transmission, 8-Speed Automatic Transmission. Dodge Charger 2011 Suspension Parts reorder Filters Clear Filters close. Home » Dodge » Charger » 2011. Front End Steering Rebuild Package Kit - RWD. Part Number: dodg-charger-11-14-moog-front-end-rebuild-kit. Manufacturer: MOOG. Upper Control Arms: Price: $272.88. Front Suspension Strut and Coil Spring Assembly - Monroe Quick-Strut ...
Dodge charger front suspension diagram. Moving to the rear, we see the Challenger has a straightforward 5-link multilink independent suspension. The two upper links (yellow) sit more-or-less above the two lower ones (green). As we've... 1999 Dodge Ram Van 1500 Front Suspension Diagram. 1999 Dodge Ram 1500 4×4 Front Suspension Diagram. 2001 Dodge Ram 1500 4×4 Front Suspension Diagram. 2002 Dodge Ram 1500 Rear Door Wiring Harness Diagram. Bmw E46 M3 Rear Suspension Diagram. Bmw E46 Rear Suspension Diagram. E46 M3 Rear Suspension Diagram. Mazda 3 Rear Suspension Diagram. Frequently bought together. Dodge Charger Magnum Chrysler 300 Front & Rear 18 Piece Steering & Suspension Kit TRQ PSA58902 $534.95. Inner Tie Rod Tool TRQ TLK01002 $19.95. Add Both to Cart. Shop 1968 Dodge Charger Complete Suspension Kits parts and get Free Shipping on orders over $149 at Speedway Motors, the Racing and Rodding Specialists. 1968 Dodge Charger Complete Suspension Kits parts in-stock with same-day shipping.
MoparPartsGiant.com offers the wholesale prices for genuine 2011 Dodge Charger parts.Parts like . Suspension - Front are shipped directly from authorized Mopar dealers and backed by the manufacturer's warranty.. Parts fit for the following vehicle options. Engine: 6 Cyl 3.6L, 8 Cyl 5.7L. Transmission: 5-Speed Automatic Transmission. Hi all, I have a date in measuring Shop for my 68 Dodge Charger for frame and axle alignment . First question : 68-70 B-Body all exactly same frame measurements ? Second question : has anyone diagrams and specs / sheets for me ? How about this diagram below I found in my 68 Service manual , is it good to go ? Whether you are looking for shocks, struts, sway bars, ball joints, control arms, coil springs, or suspension bushings, you will definitely find these and many other Dodge suspension parts on our website. We offer a huge selection of top-notch replacement suspension parts for a successful repair job of your Dodge. STRUT KIT Tension Front. Replaced By: 68234847AE. $355.00$193.86. 1. Add To Cart. Genuine Mopar Parts, the Right Choice. MoparPartsGiant .com offers the wholesale prices for genuine 2013 Dodge Charger parts. Parts like Suspension - Front are shipped directly from authorized Mopar dealers and backed by the manufacturer's warranty.
SNAP RING Ball Joint. $1.85$1.25. 1. Add To Cart. Genuine Mopar Parts, the Right Choice. MoparPartsGiant .com offers the wholesale prices for genuine 2007 Dodge Charger parts. Parts like Suspension - Front are shipped directly from authorized Mopar dealers and backed by the manufacturer's warranty. Parts fit for the following vehicle options. 20PC Suspension Kit for Dodge Charger for RWD 2005-2010 Challenger Magnum Chrysler 300. 4.2 out of 5 stars 10. 1 offer from $429.99. 14pc Front Suspension Kit Control Arms Replacement for 2011-2017 Dodge Challenger Charger Chrysler 300 RWD with Upper and Lower Forward Rearward Control Arms and Ball Joints Sway Bars Tie Rods. Genuine Dodge Charger Parts from Factory Chrysler Parts in Bartow, FL. Select a Dodge Charger Year 2020 . 2019 . 2018 . 2017 . 2016 . 2015 . 2014 . 2013 . 2012 . 2011 . 2010 . 2009 . 2008 . 2007 . 2006 . Dodge OEM Charger Parts from Thunder CDJR. We are your source for Factory Dodge Parts Genuine Dodge parts are the smart choice for repair ... Joined May 20, 2015. ·. 1 Posts. #15 · May 20, 2015. Only show this user. Have replaced everything in the front end , struts , springs and mounts , upper and lower control arms , tie rod ends , tension struts , sway bar end links still makes clunk sound. Drives fine on highway etc but when hits pothole or small bump hear the noise.
Dodge Charger 2008, Front Non-Adjustable Control Arm and Ball Joint Assembly by Dorman Premium Chassis®. Quantity: 1 per Pack. This suspension control arm and ball joint assembly is a direct replacement for the original equipment on...
16 Pc Complete Suspension Kit Control Arm, Inner Outer Tie Rod Ends, Sway Bar Link Lower Ball Joints Boots Bellow Only RWD
Some of our more popular Mopar Dodge Charger accessories include Dodge floor mats, wheels, bike racks and grilles. If you need assistance finding the right parts and accessories in our Dodge Charger parts catalog, or would like a diagram of how everything fits together, feel free to contact our Mopar parts specialists via email.
MoparPartsGiant.com offers the wholesale prices for genuine 2006 Dodge Charger parts.Parts like . Suspension - Front are shipped directly from authorized Mopar dealers and backed by the manufacturer's warranty.. Parts fit for the following vehicle options. Engine: 6 Cyl 2.7L, 6 Cyl 3.5L, 8 Cyl 5.7L, 8 Cyl 6.1L. Transmission: 4-Speed Automatic Transmission, 5-Speed Automatic Transmission.
Here are a number of highest rated Dodge Front Suspension Diagram pictures on internet. We identified it from well-behaved source. Its submitted by running in the best field. We acknowledge this nice of Dodge Front Suspension Diagram graphic could possibly be the most trending topic afterward we part it in google plus or facebook.
The suspension rebuild on the Dodge! Follow on Insta @vsmautolifeSong: Rob Gasser - Supersonic [NCS Release] Music provided by NoCopyrightSounds.Video Link: ...
Dodge Charger 1967 Suspension Parts reorder Filters Clear Filters close. Home » Dodge » Charger » 1967. Complete Suspension Bushing Kit - Dodge Plymouth and Chrysler Models. ... Part Number: dodge-charger-front-end-bushing-rebuild-kit-1965-1969-es. Manufacturer: Energy Suspension. Color: Black Red.
Dodge Charger Suspension Part Types. Dont just buy replacement suspension parts for your Dodge Charger, buy the absolutely BEST Dodge Charger suspension parts. At Suspension.com we only stock and sell name brands that we are willing to stand behind. You can find the best suspension parts for your Dodge Charger at the best prices at Suspension.com.
Dodge Vehicles Diagrams, Schematics and Service Manuals - download for free! Including: 1961 dodge lancer wiring diagram, 1961 dodge light duty pickup wiring diagram, 1962 dodge 880 wiring diagram, 1962 dodge v8 engine dart and polara 500 wiring diagram, 1965 dodge coronet wiring diagram 1, 1965 dodge coronet wiring diagram 2, 1965 dodge polara 880 or monacco front side wiring diagram, 1965 ...
The objective of all basic front and rear suspension designs is the same — to ... On a Dodge Challenger or Charger, that's four control arm bushings (upper ...
Dodge Charger 2.7L / 3.5L Without Performance Suspension 2006, Pro-Strut™ Front Strut Assembly by TruParts®. This premium product is the best way to go for those looking for the highest quality replacement that offers supreme levels...
MoparPartsGiant.com offers the wholesale prices for genuine 2008 Dodge Charger parts.Parts like . Suspension - Front are shipped directly from authorized Mopar dealers and backed by the manufacturer's warranty.. Parts fit for the following vehicle options. Engine: 6 Cyl 2.7L, 6 Cyl 3.5L, 8 Cyl 5.7L, 8 Cyl 6.1L. Transmission: 4-Speed Automatic Transmission, 5-Speed Automatic Transmission.
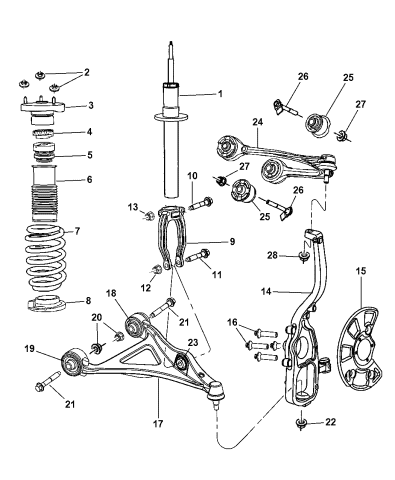
Lower Control Arm to Cradle. Shock/Stabilizer Link Attaching. Clevis to Lower Control Arm. Lower Control Arm Pivot Bolt. Tension Strut to Knuckle. Front Tension ...
16 Pc Front & Rear Suspension Kit Upper & Lower Control Arms, Inner & Outer Tie Rod Ends, Sway Bar End Links & Steering Gear Bellows
Discussion Starter · #1 · Jun 3, 2010. anybody know where I can get a suspension diagram or pictures with the part names? I need to switch some parts on my rear right and the shop gave me the names of the parts and I want to be sure I get the right part. the parts are inner/outter tie rod ends in the right front. knuckle, lower control arm ...
Front Outer Tie Rod End. Part Number: moog-es401r-option. Manufacturer: MOOG. 9/16 Inch diameter tie rod ends. 11/16 Inch diameter tie rod ends ES352R (Outer) ES355RL (Inner) and ES440S (Sleeve) can be used in combination on either side for optional use. Price:$25.16.
Dodge Charger 2011 Suspension Parts reorder Filters Clear Filters close. Home » Dodge » Charger » 2011. Front End Steering Rebuild Package Kit - RWD. Part Number: dodg-charger-11-14-moog-front-end-rebuild-kit. Manufacturer: MOOG. Upper Control Arms: Price: $272.88. Front Suspension Strut and Coil Spring Assembly - Monroe Quick-Strut ...
14 Piece Front Suspension Kit Lower Ball Joints, Sway Bar Links, Inner & Outer Tie Rod Ends, Upper and Lower Control Arms and Lower Rear Control Arms
MoparPartsGiant.com offers the wholesale prices for genuine 2015 Dodge Charger parts.Parts like . Suspension - Front are shipped directly from authorized Mopar dealers and backed by the manufacturer's warranty.. Parts fit for the following vehicle options. Engine: 6 Cyl 3.6L, 8 Cyl 5.7L, 8 Cyl 6.2L, 8 Cyl 6.4L. Transmission: 5-Speed Automatic Transmission, 8-Speed Automatic Transmission.
06 dodge charger rt w 5.7 hemi engine has clunk in front end. The LX platform consists of the 300, charger and magnum. They will all have front end noise. It's just a matter of time. This appears to be a poor design and should be recalled. The front end should be replaced with energy suspension bushings and greasable ball joints.
0 Response to "38 dodge charger front suspension diagram"
Post a Comment