Iklan 300x250

40 john deere 42c mower deck parts diagram

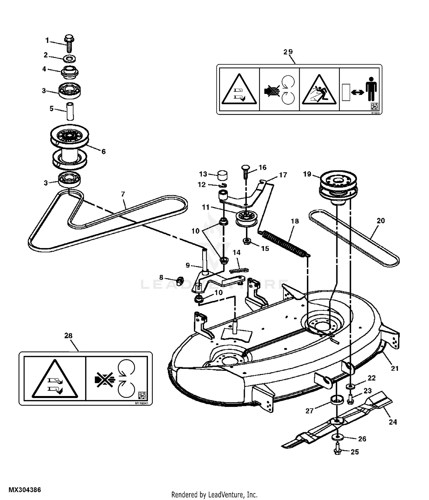
John Deere Parts Diagrams, John Deere Z225 EZtrak Mower ... John Deere Parts Diagrams, John Deere Z225 EZtrak Mower (With 42-IN Deck) -PC9593. Air Cleaner - 100000: FUEL & AIR. Air Cleaner 100001 - : FUEL & AIR. ARIMain - John Deere Parts and John Deere Lawn Mower Parts MOWER-DECK-AND-LIFT-LINKAGE-42C- Parts Diagram. LIFT PEDAL AND LINKAGE 2. MOWER BELT TENSIONER. Mower Deck, Chute and Gage Wheels 2. Mower Drive and Blades 2. Mulch Kit. MULCH KIT 2. MOWER DECK AND LIFT LINKAGE (42C)

John Deere GT225 Lawn Tractor Parts 42C Mower Deck - Weingartz This quick parts reference guide will provide you with the most common John Deere GT225 Lawn Tractor Parts 42C Mower Deck. These John Deere Lawn Tractor Parts may include: Tune Up Kit, Spark Plug, Mower Blades, Traction Drive Belt, Transmission Belt, Mower Drive Belt, Battery, and Air Filters.

John deere 42c mower deck parts diagram

John deere 42c mower deck parts diagram

john deere mower deck parts diagram - Search - Shopping Shopping Home. Departments. Home Furnishings Model 42 Convertible Mower Deck - Parts for John Deere ... John Deere Model 42 Convertible Mower Deck - 42-inch Deck Parts - Fits John Deere Models LX255,LX266,LX277 W/O AWS,LX279,GT225,GT235 Tractors1999 MODE. ... John Deere Mulch Kit For 42C Convertible Mower Deck - BM20008 (4) $105.93. Usually available. Add to Cart. Quick View. John Deere Complete 42-Inch Mower Deck - Bm23408 ... This impression (John Deere Complete 42-Inch Mower Deck - Bm23408 pertaining to John Deere Z225 Parts Diagram) preceding is branded using: john deere eztrak z225 parts manual, john deere z225 parts diagram, john deere z225 parts list, . published by means of CARPNY TEAM on August, 3 2016.

John deere 42c mower deck parts diagram. 42c Mower Deck Parts Diagram - Bing - Shopping One-Pieces, Overalls & Jum… Uniforms. Clothing Sets John Deere Mower Deck AM128570 - Green Farm Parts John Deere Mower Deck AM128570This is the 42C (convertible mower deck) that includes the mower deck shell and side discharge chute, as pictured. John Deere advises that you also need to order four (4) 24H1391 washers for this unit. This AM128570 mower deck fits these John Deere lawn tractors when replacing the 42C mower deck only:•GT225•GX325•GX335•GX345•GX355•LX255•LX266•LX277 ... 42C Mower Deck | Weingartz - lawn mower parts | snow ... CALL US AT (855) 669-7278. John Deere LX255 Lawn Tractor Parts 42C Mower Deck Quick Reference Guide. Click the part number below to view and order John Deere LX255 Lawn Tractor Parts 42C Mower Deck, or search illustrated diagrams to determine the part you need. 42C Mower Deck Parts for LT160 - John Deere Parts and More John Deere Mower Deck Parts; John Deere Tillage Parts; Fleetguard Filters; More Info. John Deere Online Parts Catalog; Return Form; Parts Quote; Customer Feedback; Used Mowers; ... Click here for 42C Mower Deck Parts for LT160. Products [33] Sort by: Quick View. John Deere 42C Mower Deck Housing - AM133910 ...

john deere 42c products for sale - eBay BM21816 John Deere OEM Mulch Kit - 42C Convertible Mower Deck 4.5 out of 5 stars (39) 39 product ratings - BM21816 John Deere OEM Mulch Kit - 42C Convertible Mower Deck 42C Mower Deck | Weingartz - lawn mower parts | snow ... John Deere GT225 Lawn Tractor Parts 42C Mower Deck. NEED HELP FINDING PARTS? CALL US AT (855) 669-7278. John Deere GT225 Lawn Tractor Parts 42C Mower Deck Quick Reference Guide. Click the part number below to view and order John Deere GT225 Lawn Tractor Parts 42C Mower Deck, or search illustrated diagrams to determine the part you need. John Deere Z225 EZ Trak Mower Parts - Mutton Power John Deere Z225 Parts. The Z225 Zero Turn Lawn Tractor was produced with standard features including 1 cylinder Briggs & Stratton engine, hydraulic steering, transaxle drive train, and a 42" Edge mower deck. Regular Maintenance should be performed on the Z225 every 50 hours and should include Spark Plug, Air Filter, Oil Filter, and to sharpen ... John Deere LX255 Lawn Tractor Parts - Mutton Power John Deere LX255 Parts. The John Deere LX255 was produced from 1999 to 2001. It came equipped with a hydrostatic drive transmission, 42" or 48" Mower Deck and 15hp Kawasaki Engine. Regular Maintenance should be performed on the LX255 every 50 hours and should include Spark Plug, Air Filter, Oil Filter with 2qts oil and sharpen or replace mower ...

John Deere Z235 EZ Trak Mower Parts - Mutton Power John Deere Z235 Parts. The Z235 Zero Turn Lawn Tractor was produced with standard features including Twin cylinder Briggs & Stratton engine, transaxle drive train, and a 42C mower deck. Regular Maintenance should be performed on the Z235 every 50 hours and should include Spark Plug, Air Filter, Oil Filter, and to sharpen or replace mower blades. 42C Mower Deck Parts for LT180 - John Deere Parts and More John Deere Blade Kit For 42C Mowers (Includes 2 Blades and Hardware) - AM141032. (4) $37.86. Usually available. Add to Cart. Quick View. John Deere LT 160 Lawn Tractor Parts - Mutton Power John Deere LT160 Parts. The John Deere LT160 was produced from 2002 to 2005. It came equipped with either a hydrostatic drive transmission, 42" Mower Deck and 16hp Kohler Command Engine. Regular Maintenance should be performed on the LT160 every 50 hours and should include Spark Plug, Air Filter, Oil Filter with 2qts oil and sharpen or replace ... John Deere Belt LG58-880 V-Belt - V-BELT, 2/3" X 88": Find parts & diagrams for your John Deere equipment. Search our parts catalog, order parts online or contact your John Deere dealer.

42C Deck Repair Options | Green Tractor Talk

42C Deck Repair Options | Green Tractor Talk

ARIMain - John Deere Parts and John Deere Lawn Mower Parts John Deere PARTS LOOKUP. Mower-Deck-42C-inch Parts Diagram. Gage Wheels and Discharge Chute, 42C inch. Labels. LABELS (EXPORT) Mower Deck, 42C inch. Mulch Kit. Sheave, Idlers, Spindle and Belt, 42C inch. Let Us Help You Your Account Quick Order Pad ...

Genuine John Deere X106 Ride On Mower 42C Deck Pod Bare Deck GY21560 | eBay

Genuine John Deere X106 Ride On Mower 42C Deck Pod Bare Deck GY21560 | eBay

John deere 54 mower deck tension spring - fsdfuduse.us The John Deere Easy Change™ 30-second oil change system makes changing the engine oil easy Mower for X147R shown. Jan 08, 2022 · TractorHouse John deere 160 mower deck parts diagram john deere 318 mower deck parts diagram john deere 345 mower deck parts diagram. 8 cm) to 5 in. John Deere 54" 7-Iron Deck Spindle Drive Sheave - TCU26966. 25-in.

John Deere Parts Online - Fast Australia Wide Delivery

John Deere Parts Online - Fast Australia Wide Delivery

42" Mower Deck - John Deere Parts Direct Quick Model Guide for John Deere 100 Lawn Tractor with 42″ Mower Deck Parts. Click the part number below to view and order a part for your John Deere 100 Lawn Tractor with 42″ mower deck, or search illustrated diagrams to determine the part you need for your John Deere 100 lawn tractor with 48″ mower deck.

John Deere Convertible Mower, 42C inch (LX255,LX266,LX277 W/O ...

John Deere Convertible Mower, 42C inch (LX255,LX266,LX277 W/O ...

John Deere 42" Z225/Z235 Deck Parts Diagram - Mutton Power John Deere 42" Deck Parts Diagram for Z225 and Z235 Zero Turn Mowers. ... John Deere 42" Z225/Z235 Deck Parts Diagram Join the MuttonPower.com Mailing List for Special Savings! Get Latest Offers and Updates From Mutton Power Equipment. West Location. 5612 Illinois Road, ...

John Deere 42c Mower Deck Operator's Manual OMM142636 for ...

John Deere 42c Mower Deck Operator's Manual OMM142636 for ...

John Deere LT160 Lawn Tractor Parts 42C Mower Deck CALL US AT (855) 669-7278. John Deere LT160 Lawn Tractor Parts 42C Mower Deck Quick Reference Guide. Click the part number below to view and order John Deere LT160 Lawn Tractor Parts 42C Mower Deck, or search illustrated diagrams to determine the part you need.

John Deere Replacement Mower Decks

John Deere Replacement Mower Decks

Z225 Owner Information | Parts & Service | John Deere US Z225 Owner Information. Whether you're a long time owner or just starting out, you'll find everything you need to safely optimize, maintain and upgrade your machine here. Operator's Manual. Parts Diagram. Maintenance Parts.

Lawn Tractor | S100 | 17.5 HP | John Deere CA

Lawn Tractor | S100 | 17.5 HP | John Deere CA

42C Mower Deck Parts for SST16 - John Deere Parts and More Add to Cart. Quick View. John Deere Mower Deck Hanger Rod Link - M131725. (7) $6.14. Usually available. Add to Cart. Quick View. John Deere Mulching Blade Kit For 42C Mowers (Includes 2 Blades and Hardware) - AM141033.

John Deere Parts Diagrams, John Deere LT160 Lawn Tractor ...

John Deere Parts Diagrams, John Deere LT160 Lawn Tractor ...

42-inch Mower Deck Parts for Z225 - GreenPartStore John Deere Mower Deck Parts; John Deere Tillage Parts; Fleetguard Filters; More Info. John Deere Online Parts Catalog; Return Form; Parts Quote; Customer Feedback; ... John Deere Mulching Blade Kit For 42C Mowers (Includes 2 Blades and Hardware) - AM141033 (23) $32.46. Usually available. Add to Cart. Quick View. John Deere Side Discharge Chute ...

42C Deck Repair Options | Green Tractor Talk

42C Deck Repair Options | Green Tractor Talk

John Deere LX255, LX266, LX277, LAWN TRACTORS Service Manual Original Factory John Deere LX255, LX266, LX277, LX277AWS, LX279, LX288 Lawn Tractors Manual is a Complete Informational Book. It will come up with the whole thing you want to do the job. Save money and time via way of means of DO-IT-YOURSELF!

John Deere LT180 Lawn Tractor (With 42INCH C Mower Deck ...

John Deere LT180 Lawn Tractor (With 42INCH C Mower Deck ...

John Deere Z225 Parts Diagram - Automotive Parts Diagram ... Description: John Deere D150 Lawn Tractor Parts for John Deere Z225 Parts Diagram, image size 410 X 410 px, and to view image details please click the image.. Truly, we also have been remarked that john deere z225 parts diagram is being just about the most popular issue at this moment. So we attempted to obtain some good john deere z225 parts diagram photo to suit your needs.

Deck / Housing Replacement - Emmetts Shop

Deck / Housing Replacement - Emmetts Shop

ARIMain - John Deere Parts and John Deere Lawn Mower Parts Mower Deck Lift Linkage. Mower Deck, 42 inch. Mower Deck, 42C inch. Mower Deck, 42C inch, (1/2) Mower Deck, 42C inch, (2/2) Mower Drive Belt, Sheaves, Spindles and Blades. Mower Wheels and Chute. Mower Wheels and Discharge Chute Kit, 42C inch. Mulch Cover Kit.

John deere 42c deck belt routing - YouTube

John deere 42c deck belt routing - YouTube

John Deere Complete 42-Inch Mower Deck - Bm23408 ... This impression (John Deere Complete 42-Inch Mower Deck - Bm23408 pertaining to John Deere Z225 Parts Diagram) preceding is branded using: john deere eztrak z225 parts manual, john deere z225 parts diagram, john deere z225 parts list, . published by means of CARPNY TEAM on August, 3 2016.

John Deere Complete 42-inch Mower Deck - BM23408

John Deere Complete 42-inch Mower Deck - BM23408

Model 42 Convertible Mower Deck - Parts for John Deere ... John Deere Model 42 Convertible Mower Deck - 42-inch Deck Parts - Fits John Deere Models LX255,LX266,LX277 W/O AWS,LX279,GT225,GT235 Tractors1999 MODE. ... John Deere Mulch Kit For 42C Convertible Mower Deck - BM20008 (4) $105.93. Usually available. Add to Cart. Quick View.

John Deere Replacement Mower Decks

John Deere Replacement Mower Decks

john deere mower deck parts diagram - Search - Shopping Shopping Home. Departments. Home Furnishings

John Deere Z900A Series 48

John Deere Z900A Series 48" Mower Deck Parts Diagram

John Deere 42 Inch Freedom Mower Deck

John Deere 42 Inch Freedom Mower Deck

John Deere Replacement Mower Decks

John Deere Replacement Mower Decks

Mower Deck Secondary Belt For John Deere LT180 42 44 48-In C M And Without  Deck | eBay

Mower Deck Secondary Belt For John Deere LT180 42 44 48-In C M And Without Deck | eBay

john deere trak belt diagram Questions & Answers (with ...

john deere trak belt diagram Questions & Answers (with ...

John Deere SST15 Spin Steer Tractor 42

John Deere SST15 Spin Steer Tractor 42" Convertible Mower ...

John Deere 997 60

John Deere 997 60" Rear Discharge Mower Deck Parts Diagram

John Deere SST15 Spin Steer Tractor 42

John Deere SST15 Spin Steer Tractor 42" All-Purpose Mower ...

John Deere Mower Decks & MCS (LX255,LX266,LX277,LX279,LX288 ...

John Deere Mower Decks & MCS (LX255,LX266,LX277,LX279,LX288 ...

John Deere Complete 42X Edge Extra Mower Deck Assembly - SKU24193

John Deere Complete 42X Edge Extra Mower Deck Assembly - SKU24193

John Deere Z900A Series 60

John Deere Z900A Series 60" Mower Deck Parts

John Deere Mower Decks & MCS (LX255,LX266,LX277,LX279,LX288 ...

John Deere Mower Decks & MCS (LX255,LX266,LX277,LX279,LX288 ...

John Deere Deck Spindle - AM126418 - 42C Mower Decks - GT225 GT235 LX255  LX266 LX277 LX279

John Deere Deck Spindle - AM126418 - 42C Mower Decks - GT225 GT235 LX255 LX266 LX277 LX279

John Deere LT160 Lawn Tractor (With 42-IN Mulching Mower Deck ...

John Deere LT160 Lawn Tractor (With 42-IN Mulching Mower Deck ...

Deck Interchange LX Through GX | My Tractor Forum

Deck Interchange LX Through GX | My Tractor Forum

John Deere 42

John Deere 42" D100 Series Deck Parts Diagram

John Deere Lawn Mower Deck belt replacement

John Deere Lawn Mower Deck belt replacement

Amazon.com : John Deere 100 Series 42

Amazon.com : John Deere 100 Series 42" Mower Deck Parts ...

Installation, Repair and Replacement of John Deere LX266 ...

Installation, Repair and Replacement of John Deere LX266 ...

John Deere AM121342 Mower Deck Spindle Assembly Kits for 48 ...

John Deere AM121342 Mower Deck Spindle Assembly Kits for 48 ...

John Deere LX280 Lawn Tractor With 54-IN Convertible Mower ...

John Deere LX280 Lawn Tractor With 54-IN Convertible Mower ...

GENUINE JOHN DEERE X106 Ride On Mower 42C Deck Left Hand ...

GENUINE JOHN DEERE X106 Ride On Mower 42C Deck Left Hand ...

Deck / Housing Replacement - Emmetts Shop

Deck / Housing Replacement - Emmetts Shop

Amazon.com : John Deere 42

Amazon.com : John Deere 42" Lawn Mower Deck Rebuild Kit ...

John Deere 42 Inch Freedom Mower Deck

John Deere 42 Inch Freedom Mower Deck

John Deere SST15 Spin Steer Tractor 42

John Deere SST15 Spin Steer Tractor 42" All-Purpose Mower ...

0 Response to "40 john deere 42c mower deck parts diagram"

Post a Comment

Iklan Atas Artikel

Iklan Tengah Artikel 1

Iklan Tengah Artikel 2

Iklan Bawah Artikel